Deze set voorkomt automatisch dat de maaidekken op ongelijke hoogte tot stilstand komen.
Note: Bepaal vanuit de normale bedieningspositie de linker- en rechterzijde van de machine.
Benodigde onderdelen voor deze stap:
| Verdeelstuk rechts (onderdeelnr. 119-8631) | 1 |
| Rechte hydraulische fitting | 1 |
| Hydraulische fitting van 90 graden | 1 |
| Zelftappende schroef (¼" x 1¾") | 2 |
| Hydraulische slang | 1 |
Plaats de machine op een horizontaal oppervlak, laat de maaidekken zakken, stel de parkeerrem in werking, zet de motor af en verwijder het sleuteltje.
Volg de afmetingen in Figuur 1 om voor hefarm nr. 5 twee gaten met een diameter van 5,6 of 5,8 mm (boorgrootte nr. 1 of nr. 2) af te tekenen en te boren in de framebuis van de tractie-eenheid. Boor slechts door 1 wand van de buis.
Note: We bevelen aan om een boor van 90° te gebruiken.

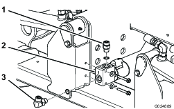
Monteer het rechterverdeelstuk voor de maaidekvergrendeling op de framebuis. Gebruik hiervoor 2 zelftappende schroeven (¼" x 1¾"). Plaats het verdeelstuk zoals wordt getoond in Figuur 2.

Plaats de rechte hydraulische fitting op de bovenkant van het verdeelstuk (Figuur 2).
Plaats de hydraulische fitting van 90 graden op het uiteinde van het verdeelstuk (Figuur 2).
Plaats een opvangbak onder de aansluitverdeler (Figuur 3).
Maak de hydraulische slang los van de fitting onderaan in het midden van het aansluitverdeelstuk (Figuur 3).

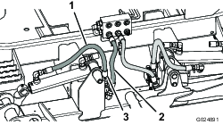
Leid het uiteinde van de slang die u van de fitting van het aansluitverdeelstuk losgekoppeld hebt naar de bovenste (rechte) fitting van het verdeelstuk van de maaidekvergrendeling en koppel het aan (Figuur 4).
Note: Zorg ervoor dat alle O-ringen op hun plaats zitten en gesmeerd zijn met hydraulische vloeistof voor de installatie.

Leid de nieuwe slang naar het aansluitverdeelstuk en de fitting van 90 graden van het verdeelstuk van de maaidekvergrendeling; maak de slang vast (Figuur 4).
Important: Zorg ervoor dat de slang van het aansluitverdeelstuk naar het verdeelstuk van de maaidekvergrendeling hefarm nummer 1 niet raakt.
Benodigde onderdelen voor deze stap:
| Verdeelstuk links (onderdeelnr. 119-8639) | 1 |
| Rechte hydraulische fitting | 1 |
| Hydraulische fitting van 90 graden | 1 |
| Zelftappende schroef (¼" x 1¾") | 2 |
| Hydraulische slang | 1 |
Volg de afmetingen in Figuur 5 om voor hefarm nr. 5 twee gaten met een diameter van 5,6 of 5,8 mm (boorgrootte nr. 1 of nr. 2) af te tekenen en te boren in de framebuis van de tractie-eenheid. Boor slechts door 1 wand van de buis.

Monteer het linkerverdeelstuk voor de maaidekvergrendeling op de framebuis. Gebruik hiervoor 2 zelftappende schroeven (¼" x 1¾"). Plaats het verdeelstuk zoals wordt getoond in Figuur 6.

Plaats de rechte hydraulische fitting op de bovenkant van het verdeelstuk (Figuur 6).
Plaats de hydraulische fitting van 90 graden op het uiteinde van het verdeelstuk (Figuur 6).
Plaats een opvangbak onder de aansluitverdeler (Figuur 7).
Maak de hydraulische slang los van de fitting onderaan links in de aansluitverdeler (Figuur 7).

Leid het uiteinde van de slang die u van de fitting van het aansluitverdeelstuk losgekoppeld hebt naar de bovenste (rechte) fitting van het verdeelstuk van de maaidekvergrendeling en koppel het aan (Figuur 8).
Note: Zorg ervoor dat alle O-ringen op hun plaats zitten en gesmeerd zijn met hydraulische vloeistof voor de installatie.

Leid de nieuwe slang naar het aansluitverdeelstuk en de fitting van 90 graden van het verdeelstuk van de maaidekvergrendeling; maak de slang vast (Figuur 8).
Important: Zorg ervoor dat de slang van het aansluitverdeelstuk naar het verdeelstuk van de maaidekvergrendeling hefarm nummer 5 niet raakt.
Benodigde onderdelen voor deze stap:
| Kabelboom | 1 |
| Kabelbinder | 4 |
Ontgrendel en til de stoel op. Bevestig de stoel met de steunstang.
Maak de elektrische connector los van de S5-solenoïde van het hefverdeelstuk (Figuur 9) en koppel hem aan op de connector in de kabelboom van de dekvergrendeling die aangeduid is met S5 HARNESS (S5 kabelboom).

Sluit de connector van de kabelboom van de dekvergrendeling die aangeduid is met S5 SOLENOID aan op de S5-solenoïde van het hefverdeelstuk (Figuur 9).
Maak de elektrische connector los van de S6-solenoïde van het hefverdeelstuk (Figuur 9) en verbind hem met de connector in de kabelboom van de dekvergrendeling die aangeduid is met S6 harness (S6 kabelboom).
Sluit de connector van de kabelboom van de dekvergrendeling die aangeduid is met S6 SOLENOID aan op de S6-solenoïde van het hefverdeelstuk.
Leid de juiste aansluiting van de kabelboom van de dekvergrendeling (met aanduiding DECK-LOCK SOLENOID (dekvergrendelingssolenoïde)) naar de solenoïde aan de achterkant van het verdeelstuk van de maaidekvergrendeling; koppel de aansluiting aan.
Bevestig de kabelboom met kabelbinders uit de buurt van scherpe, warme of bewegende onderdelen.
Verwijder de steunstang en breng de stoel naar beneden.