Dette settet forhindrer ujevnt nivå på klippeenhetene automatisk.
Note: Fastslå hva som er høyre og venstre side på maskinen ved å stå i normal arbeidsstilling.
Deler som er nødvendige for dette trinnet:
| Høyre manifoldenhet (delenr. 119-8631) | 1 |
| Rett hydraulikkobling | 1 |
| 90-graders hydraulikkobling | 1 |
| Selvgjengende skrue (1/4 x 1 3/4 tomme) | 2 |
| Hydraulikkslange | 1 |
Parker maskinen på en jevn flate, senk klippeenhetene, koble inn parkeringsbremsen, stopp motoren og ta ut tenningsnøkkelen.
Bruk målene vist på Figur 1, finn oppmerking og bor to hull (diameter 5,6 mm eller 5,8 mm; borstørrelse nr. 1 eller 2) i trekkenhetens rammerør for løftearm nr. 5. Bor kun gjennom én vegg på røret.
Note: Bruk av en 90°-drill anbefales.

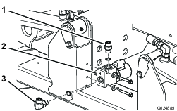
Monter høyre klippeenhetslåsemanifold til rammerøret med to selvgjengende skruer (1/4 x 1 3/4 tomme). Plasser manifoldet som vist på Figur 2.

Monter den rette hydraulikkoblingen øverst på manifolden (Figur 2).
Monter den 90-graders hydraulikkoblingen i enden av manifolden (Figur 2).
Plasser et tappefat under fordelingsmanifolden (Figur 3).
Koble hydraulikkslangen fra midtre kobling nederst på fordelingsmanifolden (Figur 3).

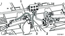
Før og monter enden av slangen som er koblet fra fordelingsmanifolden på øverste (rette) kobling på klippeenhetslåsemanifolden (Figur 4).
Note: Sørg for at O-ringene er på plass og smurt med hydraulikkvæske før montering.

Før og monter den nye slangen til fordelingsmanifolden og 90-graders koblingen på klippeenhetslåsemanifolden (Figur 4).
Important: Sørg for at slangen fra fordelingsmanifolden til klippeenhetslåsemanifolden ikke rører ved løftearm nr. 1.
Deler som er nødvendige for dette trinnet:
| Venstre manifoldenhet (delenr. 119-8639) | 1 |
| Rett hydraulikkobling | 1 |
| 90-graders hydraulikkobling | 1 |
| Selvgjengende skrue (1/4 x 1 3/4 tomme) | 2 |
| Hydraulikkslange | 1 |
Bruk målene vist på Figur 5, finn oppmerking og bor to hull (diameter 5,6 mm eller 5,8 mm; borstørrelse nr. 1 eller 2) i trekkenhetens rammerør for løftearm nr. 5. Bor kun gjennom én vegg på røret.

Monter venstre klippeenhetslåsemanifold til rammerøret med to selvgjengende skruer (1/4 x 1 3/4 tomme). Plasser manifoldet som vist på Figur 6.

Monter den rette hydraulikkoblingen øverst på manifolden (Figur 6).
Monter den 90-graders hydrauliske koblingen i enden av manifoldet (Figur 6).
Plasser et tappefat under fordelingsmanifolden (Figur 7).
Koble hydraulikkslangen fra venstre kobling nederst på fordelingsmanifolden (Figur 7).

Før og monter enden av slangen som er koblet fra fordelingsmanifolden på øverste (rette) kobling på klippeenhetslåsemanifolden (Figur 8).
Note: Sørg for at O-ringene er på plass og smurt med hydraulikkvæske før montering.

Før og monter den nye slangen til fordelingsmanifolden og 90-graders koblingen på klippeenhetslåsemanifolden (Figur 8).
Important: Sørg for at slangen fra fordelingsmanifolden til klippeenhetslåsemanifolden ikke rører ved løftearm nr. 5.
Deler som er nødvendige for dette trinnet:
| Ledningssats | 1 |
| Kabelfeste | 4 |
Hekt av setet, og løft det opp. Fest setet med en støttestang.
Koble fra den elektriske konnektoren fra S5-solenoiden på løftemanifolden (Figur 9) og koble den til konnektoren på plattformlåsesatsen merket S5 HARNESS.

Sett konnektoren på plattformlåsesatsen merket S5 SOLENOID i S5-solenoiden på løftemanifolden (Figur 9).
Koble fra den elektriske konnektoren fra S6-solenoiden på løftemanifolden (Figur 9) og koble den til konnektoren på plattformlåsesatsen merket S6 HARNESS.
Sett konnektoren på plattformlåsesatsen merket S6 SOLENOID i S6-solenoiden på løftemanifolden.
Før den relevante konnektoren på plattformlåsesatsen merket DECK-LOCK SOLENOID og sett den i solenoiden bak på hver klippeenhetslåsemanifold.
Fest satsen unna skarpe, varme eller bevegelige deler med kabelsnorer.
Koble ut setestøtten, og senk setet.