Den här satsen förhindrar automatiskt att klippdäcken sätter sig ojämnt.
Note: Vänster och höger sida på maskinen är lika med förarens vänstra respektive högra sida vid normal körning.
Delar som behövs till detta steg:
| Höger förgreningsrör (artikelnr 119-8631) | 1 |
| Rak hydraulkoppling | 1 |
| 90-gradershydraulkoppling | 1 |
| Självgängande skruv (1/4 x 1 3/4 tum) | 2 |
| Hydraulslang | 1 |
Parkera maskinen på en plan yta, sänk ned klippdäcken, koppla in parkeringsbromsen, stäng av motorn och ta ur nyckeln.
Använd de mått som anges i Figur 1 och lokalisera, märk ut och borra två hål (5,6 eller 5,8 mm, borrstorlek 1 eller 2) i traktorenhetens ramrör för den femte lyftarmen. Borra endast genom en av rörets väggar.
Note: Vi rekommenderar att du använder en 90-gradig borr.

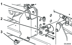
Montera höger däcklåsförgreningslåda på ramröret med två självgängande skruvar (1/4 x 1 3/4 tum). Placera förgreningslådan i enlighet med Figur 2.

Montera den raka hydraulkopplingen ovanpå förgreningslådan (Figur 2).
Montera 90-gradershydraulkopplingen i förgreningslådans ände (Figur 2).
Placera ett avtappningskärl under kopplingsdosan (Figur 3).
Koppla loss hydraulslangen från den nedre mittporten på kopplingsdosan (Figur 3).

Dra och montera änden på den slang som du har kopplat loss från kopplingsdosan på den övre kopplingen (rak koppling) på däcklåsförgreningslådan (Figur 4).
Note: Kontrollera att alla o-ringar sitter på plats och har smorts med hydraulvätska före monteringen.

Dra och montera den nya slangen på kopplingsdosan och 90-graderskopplingen på däcklåsförgreningslådan (Figur 4).
Important: Se till att slangen från kopplingsdosan till däcklåsets förgreningslåda inte kommer i kontakt med den första lyftarmen.
Delar som behövs till detta steg:
| Vänster förgreningsrör (artikelnr 119-8639) | 1 |
| Rak hydraulkoppling | 1 |
| 90-gradershydraulkoppling | 1 |
| Självgängande skruv (1/4 x 1 3/4 tum) | 2 |
| Hydraulslang | 1 |
Använd de mått som anges i Figur 5 och lokalisera, märk ut och borra två hål (5,6 eller 5,8 mm, borrstorlek 1 eller 2) i traktorenhetens ramrör för den femte lyftarmen. Borra endast genom en av rörets väggar.

Montera vänster däcklåsförgreningslåda på ramröret med två självgängande skruvar (1/4 x 1 3/4 tum). Placera förgreningslådan i enlighet med Figur 6.

Montera den raka hydraulkopplingen ovanpå förgreningslådan (Figur 6).
Montera 90-gradershydraulkopplingen i förgreningslådans ände (Figur 6).
Placera ett avtappningskärl under kopplingsdosan (Figur 7).
Koppla loss hydraulslangen från kopplingen längst ned till vänster på kopplingsdosan (Figur 7).

Dra och montera änden på den slang som du har kopplat loss från kopplingsdosan på den övre kopplingen (rak koppling) på däcklåsförgreningslådan (Figur 8).
Note: Kontrollera att alla o-ringar sitter på plats och har smorts med hydraulvätska före monteringen.

Dra och montera den nya slangen på kopplingsdosan och 90-graderskopplingen på däcklåsförgreningslådan (Figur 8).
Important: Se till att slangen från kopplingsdosan till däcklåsets förgreningslåda inte kommer i kontakt med den femte lyftarmen.
Delar som behövs till detta steg:
| Kablage | 1 |
| Kabelband | 4 |
Frigör och höj upp sätet. Säkra sätet med spärren.
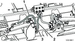
Koppla bort elkontakten från magnetventilen S5 på lyftförgreningslådan (Figur 9) och anslut den till kontakten på däcklåsets kablage som är märkt S5 HARNESS.

Anslut kontakten på däcklåsets kablage som är märkt S5 SOLENOID till magnetventilen S5 på lyftförgreningslådan (Figur 9).
Koppla bort elkontakten från magnetventilen S6 på lyftförgreningslådan (Figur 9) och anslut den till kontakten på däcklåsets kablage som är märkt S6 HARNESS.
Anslut kontakten på däcklåsets kablage som är märkt S6 SOLENOID till magnetventilen S6 på lyftförgreningslådan.
Dra och anslut rätt kontakt på däcklåsets kablage, märkt DECK-LOCK SOLENOID, till magnetventilen på baksidan av respektive däcklåsförgreningslåda.
Fäst kablaget med kabelband och se till att det inte ligger an mot skarpa kanter och på betryggande avstånd från varma eller rörliga delar.
Lossa sätesspärren och sänk ned sätet.