Park the machine on a level surface.
Engage the parking brake.
Lower the cutting unit.
Shut off the engine and remove the key.
Parts needed for this procedure:
| Right bracket | 1 |
| Left bracket | 1 |
| Flange head bolt (3/8 x 3/4 inch) | 6 |
| Decal | 1 |
Install the decal to the left bracket as shown in Figure 1.

Remove the center cutting-unit cover.
Remove the belt from the gearbox pulley.
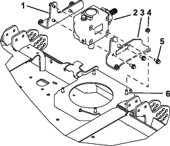
Remove the existing gearbox brackets (Figure 2).

Retain the carriage bolts and nuts that attach the brackets to the mower deck.
Install the new brackets to the side of the gearbox with 6 new bolts (3/8 x 3/4 inch); refer to Figure 3.
Note: There is a left and right bracket.
Important: Torque the new bolts on the side of the gearbox to 4.9 to 5.3 N∙m (43 to 47 ft-lb).

Install the brackets to the mower deck with the previously removed carriage bolts and nuts Figure 3.
Torque the carriage-bolt nuts to 3.4 to 4.1 N∙m (30 to 36 ft-lb).
Install the belt to the gearbox pulley.
Install the center cutting-unit cover.