Karbantartás
A munkaeszköz-adapter zsírzása
Ha a munkaeszköz-adapter rögzítőkarját nehéz elfordítani, kenje meg vékonyan kenőzsírral a Ábra 15 szerinti satírozott részt.

Gondosan olvassa el ezt a tájékoztatót, hogy a termék megfelelő üzemeltetését és karbantartását elsajátítva elkerülje a sérüléseket, valamint a termék károsodását. Ön felelős a termék megfelelő és biztonságos üzemeltetéséért.
A termékekkel és tartozékokkal kapcsolatos információkért, a márkakereskedőkre vonatkozó tájékoztatásért vagy terméke regisztrációjáért a Torót közvetlenül is elérheti a www.Toro.com címen.
Ha szervizre, eredeti Toro-alkatrészekre vagy további információkra van szüksége, forduljon hivatalos márkaszervizhez vagy a Toro ügyfélszolgálatához, és készítse elő terméke típus- és sorozatszámát. A(z) Ábra 1 jelzi a típus- és sorozatszám helyét a terméken. Írja fel a számokat az erre előkészített helyre.

A kézikönyv feltünteti a lehetséges veszélyeket, és a (Ábra 2) biztonsági figyelmeztető jelzéssel azonosított biztonsági üzeneteket tartalmaz. Ez a jelzés olyan veszélyre hívja fel a figyelmet, amely súlyos sérülést vagy halált okozhat, amennyiben nem követi az ajánlott óvintézkedéseket.

Ez a kézikönyv 2 szót használ az információ kiemelésére. A Fontos speciális műszaki információra hívja fel a figyelmet, a Megjegyzés külön figyelemre érdemes általános információt hangsúlyoz.
![]() |
A biztonsági címkék és utasítások a kezelő számára feltűnő helyen, a potenciálisan veszélyes területek közelében találhatók. A sérült vagy hiányzó matricát cserélje le, illetve pótolja. |

Ehhez az eljáráshoz szükséges alkatrészek:
| Fogas gereblye egység | 1 |
| Vonórúd | 1 |
| Csavar (½" × 1¾") | 1 |
| Peremes anya (½") | 1 |
| Hatlapfejű anya (½") | 1 |
| Peremes csavar (⅜" × 1") | 1 |
| Peremes anya (⅜") | 1 |
| Munkaeszközadapter-egység | 1 |
| Sasszeg | 2 |
| Emelőkaregység | 1 |
| Forgószár | 1 |
| Csavar (⅜" × 1¼") | 1 |
| Rögzítőanya (⅜") | 1 |
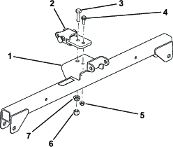
Rögzítse a vonórudat a függesztőegység első furatához (Ábra 3) egy csavar (½" × 1¾"), peremes anya (½") és hatlapfejű anya (½") segítségével, de ne húzza meg a kötőelemeket.

Rögzítse a nyelves csövet a függesztőegység hátsó furatához egy peremes csavar (⅜" × 1") és peremes anya (⅜") segítségével.
Húzza meg az anyákat az alábbi módon:
Peremes anya (½") – 104–126 Nm
Hatlapfejű anya (½") – 91–113 Nm
Peremes anya (⅜") – 22–27 Nm
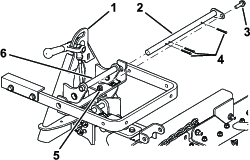
Igazítsa össze az emelőkart a munkaeszköz-adapteren levő konzollal (Ábra 4), és kapcsolja össze őket a forgószárral az Ábra 5 szerint.
Note: A munkaeszköz-adapter mozgatásakor használja az adapter hátulján levő kart (Ábra 4).


Rögzítse a forgószárat (Ábra 5) a sasszeg, a csavar (⅜" × 1¼") és a rögzítőanya (⅜") segítségével.
Ehhez az eljáráshoz szükséges alkatrészek:
| Csavar (⅜" × 2½") | 2 |
| Alátét (⅜" × ⅞") | 4 |
| Távtartó | 2 |
| Rögzítőanya (⅜") | 2 |
Távolítson el minden munkaeszközt a gép hátuljáról.
Engedje le a vontatóegység-adaptert, és tolasson a munkaeszköz-adapter elé a megfelelő pozícióba.
Note: A rögzítőkar legyen a gép hátulja felől nézve balra fordítva (kioldott helyzetben).
Csúsztassa rá a munkaeszköz-adaptert a vontatóegység adapterére.
Important: Az emelőkar egység hosszú karja kerüljön a vontatóegység hátsó vázegysége alá (Ábra 6).
Az ujja becsípődhet a munkaeszköz adaptere és a vontatóegység adaptere közé.
A munkaeszközt mindig a munkaeszköz-adapter hátulján lévő fogantyúnál fogva emelje és mozgassa (Ábra 6).
Fordítsa el jobbra a rögzítőkart az adapterek összezárásához.
Rögzítse a láncok felső láncszemeit az emelőkar külsejéhez (Ábra 6) csavar (⅜" × ½"), 2 alátét (⅜" × ⅞"), távtartó és rögzítőanya (⅜") segítségével.

Note: A gereblye megfelelő működése érdekében a láncoknak a gereblye leengedett (üzemi) helyzetében lazának kell lenniük.
Note: Ügyeljen arra, hogy a simító gereblyék megfelelő átfedésben legyenek, vízszintesen fekve úgy, hogy a láncaik nincsenek összekuszálódva vagy megcsavarodva.
Miután a gereblyét felszerelte és rögzítette a vontatóegységen, emelje fel a munkaeszközt.
Mérje meg a vastag alátét és a munkaeszköz-adapter emelőkengyelének válla közti hézagot a Ábra 7 szerint.
Note: A rudazat beállítása akkor megfelelő, ha a vastag alátét és a munkaeszköz-adapter emelőkengyelének válla közti hézag 1,5–2 mm (Ábra 7).

Ha a hézag nem megfelelő, lazítsa meg az ellenanyát, és húzzon vagy engedjen a rudazaton lévő állítóanyán a megfelelő hézag eléréséhez (Ábra 7).

Olvassa el ezt a szakaszt a gereblyézésről, mielőtt homokcsapda gereblyézésébe kezd. Számos feltétel határozza meg a fogas gereblye megfelelő beállítását. A homokcsapda textúrája és a homok mélysége, nedvességtartalma, a gaz, a tömörítettség mértéke pályánként eltérhet, de még ugyanazon pályán belül is változhat homokcsapdánként. Az optimális eredmény érdekében végezze el a gereblye beállítását a terület szerint.
Gyakorolja a gereblyézést a golfpálya egy nagy méretű, vízszintes homokcsapdájában. Gyakorolja az indulást, a megállást, a kanyarodást, a gereblye felemelését és leengedését; a homokcsapdába történő belépést, annak elhagyását stb. Gyakoroljon kis motorfordulatszám és sebesség mellett. Ez a betanulási időszak segít magabiztosságra szert tenni a gép használatában.
Note: Leengedett munkaeszközzel ne tolasson. A munkaeszköz ettől károsodik.
Ha a homok elég mély, vízszintes területen a homokcsapda széléig gereblyézhet.
Ha a homok kifut a gyepre, maradjon kellően távol a homokcsapda szélétől, nehogy megbolygassa a homok alatti talajt.
Ne végezzen gereblyézést rövid, meredek part közelében. A homok így csak lefolyik a csapda aljába.
Meredek partoknál, kisebb zsebeknél stb. szükség lehet némi kézi gereblyével végzett kiigazításra.
A homokcsapda gereblyézését végezze a Ábra 9 szerinti útvonalat követve. Ezzel az útvonallal elkerülhetők a szükségtelen átfedések, minimális marad a tömörödés, és szép, vonzó mintázat rajzolódik ki a homokban.
Lépjen be a homokcsapdába hosszanti irányban ott, ahol a legkevésbé meredek a partja. Haladjon át a csapda közepén majdnem a végéig, forduljon el valamelyik irányba a lehető legélesebben, majd induljon el ellenkező irányba az első nyomvonal mellett. Haladjon kifelé spirális útvonalon az ábra szerint, majd hagyja el a csapdát derékszögben egy vízszintes területen.
A meredek, rövid partokat és kisebb zsebeket rendezze el kézi gereblyével.

A homokcsapdába belépve csak akkor engedje le a gereblyét, ha az már a homok fölé ért. Ezzel elkerülhető a gyep levágása vagy a fűkaszálék és más hulladék behordása a csapdába. Engedje le a gereblyét a gép mozgása közben.
Ha elhagyja a homokcsapdát, akkor kezdje felemelni a gereblyét, amikor az első kerék kilép a csapdából. Ahogy a gép kifelé halad, a gereblye felemelkedik és nem hordja rá a homokot a fűre.
Hamarosan kellő tapasztalatra és gyakorlatra fog szert tenni a homokcsapdába való belépés és a csapda elhagyásának időzítésében.
Beállítható, hogy a gereblye mennyire agresszíven akadjon a homokba. A kívánt agresszivitás eléréséhez szerelje fel a vonórudat és a gereblyét az alábbi ábrák szerint.
A fogak behatolásának mértéke a simítólemezek hosszának módosításával növelhető és csökkenthető.
Lazítsa meg a simítólemezek rögzítőcsavarjait, állítsa feljebb vagy lejjebb a lemezeket a kívánt helyzetbe, majd húzza meg a csavarokat (Ábra 12).

Lazítsa meg az ellenanyákat, majd forgassa el a gereblye-ütközőcsavarokat (Ábra 13) kifelé a gereblye oldalirányú kilengésének korlátozásához. A helyzet rögzítéséhez húzza meg az ellenanyákat.

A simító gereblyékre súlyok tehetők, ha a homok nedves vagy mély lábnyomok vannak a homokcsapdában. 18-7570 cikkszámon megrendelhető a hivatalos Toro-forgalmazótól.
Emelje meg vonuláshoz a gereblyét az alábbi eljárással:
Engedje le a gereblyét és az emelőszerkezetet, amennyire csak lehetséges.
Kösse le a láncokat az emelőkarokról, és csatlakoztassa azokat magasabb helyzetben.
Note: A gereblye megfelelő működése érdekében a használat megkezdése előtt akassza vissza a láncokat az eredeti, laza helyzetükbe.
Gereblyézés után alaposan tisztítsa meg a gépet. Mivel a gépet elsősorban homokban használja, a homok koptató, csiszoló hatása pedig rendkívül erőteljes, minden használat után mossa le a homokot. Ha gyakran tisztítja a gépet (mielőtt a homok rákeményedne), fúvóka nélküli locsolótömlővel locsolja rá a vizet. A nagynyomású vízáram bemoshatja a homokot a kopásnak kitett részekbe, ahol az csiszolópasztaként működhet.
Note: Ha a munkaeszköz-adapter rászorult a vontatóegység-adapterre, az alkatrészek szétválasztásához dugjon be egy feszítővasat/csavarhúzót a feszítőnyílásba (Ábra 14).

Ha a munkaeszköz-adapter rögzítőkarját nehéz elfordítani, kenje meg vékonyan kenőzsírral a Ábra 15 szerinti satírozott részt.
