安装

准备机器

  1. 将机器停在水平地面上。

  2. 接合驻车刹车。

  3. 放低滚刀组。

  4. 关闭发动机并拔下钥匙。

安装套件

此程序中需要的物件:

右支架1
左支架1
凸缘头螺栓(⅜ x ¾ 英寸)6
标贴1
  1. 如图 1所示,将标贴安装到左支架上。

    g342083
  2. 卸下中间滚刀组盖。

  3. 从齿轮箱皮带轮上卸下皮带。

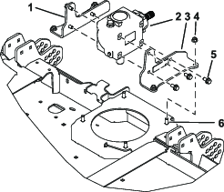
  4. 卸下现有齿轮箱支架(图 2)。

    g342085
  5. 保留将支架连接到剪草机刀盘的托架螺栓和螺母。

  6. 使用 6 个新螺栓(⅜ x ¾ 英寸)将新支架安装到齿轮箱侧面;请参阅图 3

    Note: 有一个左支架和一个右支架。

    Important: 上紧齿轮箱侧面的新螺栓扭矩至 4.9~5.3N∙m。

    g342084
  7. 使用之前卸下的托架螺栓和螺母将支架安装到剪草机刀盘上图 3

  8. 上紧托架螺栓螺母扭矩至 3.4~4.1N∙m。

  9. 将皮带安装到齿轮箱皮带轮上。

  10. 安装中间滚刀组盖。