Parkeer de machine op een horizontaal oppervlak.
Stel de parkeerrem in werking.
Breng de maai-eenheid omlaag.
Zet de motor af en haal het sleuteltje uit het contact.
Benodigde onderdelen voor deze stap:
| Rechterbeugel | 1 |
| Linkerbeugel | 1 |
| Flenskopbout (⅜" x ¾") | 6 |
| Sticker | 1 |
Breng de sticker aan op de linkerbeugel zoals getoond in Figuur 1.

Verwijder de kap van de middelste maai-eenheid.
Verwijder de riem van de poelie van de tandwielkast.
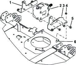
Verwijder de aanwezige tandwielkastbeugels (Figuur 2).

Bewaar de slotbouten en moeren waarmee de beugels aan het maaidek zijn bevestigd.
Monteer de nieuwe beugels aan de zijkant van de tandwielkast met 6 nieuwe bouten (⅜" x ¾") Figuur 3.
Note: Er is een linker- en rechterbeugel.
Important: Draai de nieuwe bouten aan de zijkant van de tandwielkast vast met een torsie van 4,9 tot 5,3 N·m.

Monteer de beugels aan het maaidek met de slotbouten en moeren die u eerder hebt verwijderd (Figuur 3).
Draai de slotbouten en moeren vast met een torsie van 3,4 tot 4,1 N·m.
Monteer de riem aan de poelie van de tandwielkast.
Monteer de kap van de middelste maai-eenheid.