Aparque la máquina en una superficie nivelada.
Accione el freno de estacionamiento.
Baje la unidad de corte.
Apague el motor y retire la llave.
Piezas necesarias en este paso:
| Soporte derecho | 1 |
| Soporte izquierdo | 1 |
| Perno con arandela prensada (3/8 x 3/4 pulgada) | 6 |
| Pegatina | 1 |
Instale la pegatina en el soporte izquierdo, como se muestra en la Figura 1.

Retire la cubierta de la unidad de corte central.
Retire la correa de la polea de la caja de engranajes.
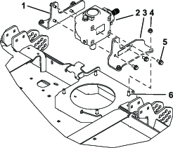
Retire las pletinas existentes de la caja de engranajes (Figura 2).

Guarde los pernos de cuello cuadrado y las tuercas que sujetan los soportes a la carcasa de corte.
Instale los soportes nuevos en los lados de la caja de engranajes con 6 pernos nuevos (⅜" x ¾"); consulte la Figura 3.
Note: Hay un soporte izquierdo y un soporte derecho.
Important: Apriete los pernos nuevos en los lados de la caja de engranajes a 4,9-5,3 N·m.

Instale los soportes en la carcasa de corte con los pernos de cuello cuadrado y las tuercas que retiró anteriormente (Figura 3).
Apriete las tuercas de los pernos de cuello cuadrado a 3,4-4,1 N·m.
Instale la correa en la polea de la caja de engranajes.
Instale la cubierta de la unidad de corte central.