Stellen Sie die Maschine auf einer ebenen Fläche ab.
Aktivieren Sie die Feststellbremse.
Senken Sie das Mähwerk ab.
Stellen Sie den Motor ab und ziehen Sie den Zündschlüssel ab.
Für diesen Arbeitsschritt erforderliche Teile:
| Rechte Halterung | 1 |
| Linke Halterung | 1 |
| Bundbolzen (3/8" x 3/4") | 6 |
| Aufkleber | 1 |
Bringen Sie den Aufkleber an der linken Halterung an, wie in Bild 1 dargestellt.

Entfernen Sie die Abdeckung des mittleren Mähwerks.
Ziehen Sie den Riemen von den Riemenscheibe am Getriebe ab.
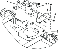
Entfernen der vorhandenen Getriebehalterungen (Bild 2).

Bewahren Sie die Schlossschrauben und Muttern auf, mit denen die Halterungen am Mähwerk befestigt sind.
Montieren Sie die neuen Halterungen mit sechs neuen Schrauben (⅜" x ¾") an der Seite des Getriebes, siehe Bild 3.
Note: Es gibt eine linke und eine rechte Halterung.
Important: Ziehen Sie die neuen Schrauben an der Seite des Getriebes mit einem Drehmoment von 4,9 bis 5,3 N∙m an.

Montieren Sie die Halterungen mit den zuvor entfernten Schlossschrauben und Muttern Bild 3 an das Mähwerk.
Ziehen Sie die Muttern der Schlossschrauben mit einem Drehmoment von bis auf 3,4 bis 4,1 N∙m an.
Legen Sie den Riemen um die Riemenscheibe am Getriebe.
Bringen Sie die Abdeckung des mittleren Mähwerks wieder an.