Note: Determine os lados direito e esquerdo da máquina a partir da posição normal de operação.
Este kit destina-se aos modelos 31900, 31901, 31902, 31903, 31907 e 31909.
Estacione a máquina numa superfície plana.
Coloque a mudança em PONTO MORTO.
Desça todos os acessórios (se instalados).
Engate o travão de estacionamento.
Desligue o motor e retire a chave.
Desligue a bateria; consulte o Manual do utilizador da máquina.
Deixe os componentes da máquina arrefecerem antes de instalar este kit.
Peças necessárias para este passo:
| Tubo de escape | 1 |
| Abraçadeira | 1 |
| Montagem de suporte | 1 |
Eleve o capot (Figura 1).

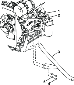
Desaperte a abraçadeira na panela de escape (Figura 2).
Retire os parafusos e anilhas do motor do suporte do tubo de escape existente (Figura 2) e retire o tubo de escape.
Note: Guarde as ferragens e abraçadeira.

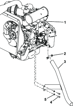
Instale o novo conjunto do suporte na lateral do motor com as anilhas e parafusos do motor previamente removidos (Figura 3).
Note: Não aperte completamente os parafusos.
Deslize a abraçadeira existente sobre o novo tubo de escape e instale o novo tubo de escape na saída do DPF (Figura 3).
Note: Não aperte completamente os parafusos.
Instale a nova abraçadeira em redor do novo tubo de escape e no conjunto do suporte com as ferragens da abraçadeira (Figura 3).

Alinhe a abraçadeira com a extremidade do tubo de escape e rode como se mostra na Figura 4.
Note: Certifique-se de que a superfície de aperto está paralela com as ranhuras no tubo (Figura 4).

Aperte os parafusos do motor com 54 N·m e, em seguida, aperte todas as abraçadeiras (Figura 3).
Peças necessárias para este passo:
| Tubo de escape | 1 |
| Abraçadeira | 1 |
| Montagem de suporte | 1 |
Eleve o capot (Figura 5).

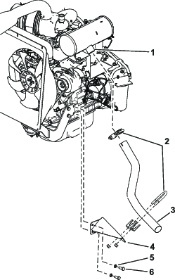
Desaperte a abraçadeira na panela de escape (Figura 6).
Retire os parafusos e anilhas do motor do suporte do tubo de escape existente (Figura 6) e retire o tubo de escape.
Note: Guarde as ferragens e abraçadeira.

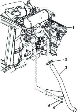
Instale o novo conjunto do suporte na lateral do motor com as anilhas e parafusos do motor previamente removidos (Figura 7).
Note: Não aperte completamente os parafusos.
Deslize a abraçadeira existente sobre o novo tubo de escape e instale o novo tubo de escape na saída da panela de escape (Figura 7).
Note: Não aperte completamente os parafusos.
Instale a nova abraçadeira em redor do novo tubo de escape e no conjunto do suporte com as ferragens da abraçadeira (Figura 7).

Alinhe a abraçadeira com a extremidade do tubo de escape e rode como se mostra na Figura 8.
Note: Certifique-se de que a superfície de aperto está paralela com as ranhuras no tubo (Figura 8).

Aperte os parafusos do motor com 54 N·m e, em seguida, aperte todas as abraçadeiras (Figura 7).
Peças necessárias para este passo:
| Tubo de escape | 1 |
| Abraçadeira | 1 |
| Montagem de suporte | 1 |
Eleve o capot (Figura 9).

Desaperte a abraçadeira na panela de escape (Figura 10).
Retire os parafusos e anilhas do motor do suporte do tubo de escape existente (Figura 10) e retire o tubo de escape.
Note: Guarde as ferragens e abraçadeira.

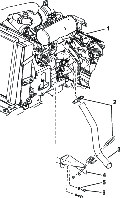
Instale o novo conjunto do suporte na lateral do motor com as anilhas e parafusos do motor previamente removidos (Figura 11).
Note: Não aperte completamente os parafusos.
Deslize a abraçadeira existente sobre o novo tubo de escape e instale o novo tubo de escape na saída da panela de escape (Figura 11).
Note: Não aperte completamente os parafusos.
Instale a nova abraçadeira em redor do novo tubo de escape e no conjunto do suporte com as ferragens da abraçadeira (Figura 11).

Alinhe a abraçadeira com a extremidade do tubo de escape e rode como se mostra na Figura 12.
Note: Certifique-se de que a superfície de aperto está paralela com as ranhuras no tubo (Figura 12).

Aperte os parafusos do motor com 54 N·m e, em seguida, aperte todas as abraçadeiras (Figura 11).