Note: Bepaal vanuit de normale bedieningspositie de linker- en rechterzijde van de machine.
Deze set is voor modellen 31900, 31901, 31902, 31903, 31907 en 31909.
Parkeer de machine op een horizontaal oppervlak.
Schakel naar de NEUTRAALSTAND.
Laat alle werktuigen neer (indien aanwezig).
Stel de parkeerrem in werking.
Zet de motor af en verwijder het sleuteltje.
Koppel de accu los; raadpleeg de Gebruikershandleiding die bij uw machine hoort.
Laat de onderdelen van de machine afkoelen voordat u deze set monteert.
Benodigde onderdelen voor deze stap:
| Uitlaatpijp | 1 |
| Klem | 1 |
| Steunconstructie | 1 |
Til de motorkap op (Figuur 1).

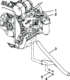
Maak de klem bij de knaldemper los (Figuur 2).
Verwijder de bouten en ringen van de motor van de bestaande steun van de uitlaatpijp (Figuur 2) en verwijder de uitlaatpijp.
Note: Bewaar het bevestigingsmateriaal en de klem.

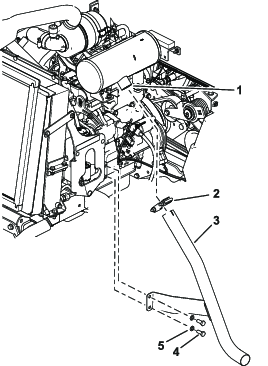
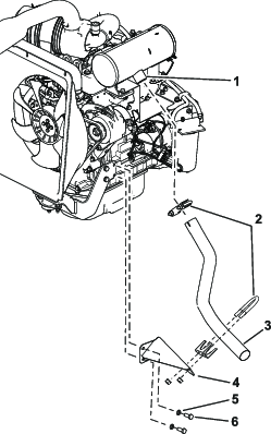
Monteer de nieuwe steunconstructie aan de kant van de motor met de eerder verwijderde ringen en bouten van de motor (Figuur 3).
Note: Draai de bouten niet helemaal vast.
Schuif de bestaande klem over de nieuwe uitlaatpijp en monteer de nieuwe uitlaatpijp op de uitlaat van het dieselpartikelfilter (Figuur 3).
Note: Draai de bouten niet helemaal vast.
Monteer de nieuwe klem rond de nieuwe uitlaatpijp en aan de steunconstructie met het bevestigingsmateriaal van de klem (Figuur 3).

Lijn de klem gelijk uit met het uiteinde van de uitlaatpijp en draai de klem zoals getoond in Figuur 4.
Note: Zorg ervoor dat het klemoppervlak parallel is met de sleuven in de pijp (Figuur 4).

Draai de bouten van de motor vast met een torsie van 54 N·m en maak dan alle klemmen vast (Figuur 3).
Benodigde onderdelen voor deze stap:
| Uitlaatpijp | 1 |
| Klem | 1 |
| Steunconstructie | 1 |
Til de motorkap op (Figuur 5).

Maak de klem bij de knaldemper los (Figuur 6).
Verwijder de bouten en ringen van de motor van de bestaande steun van de uitlaatpijp (Figuur 6) en verwijder de uitlaatpijp.
Note: Bewaar het bevestigingsmateriaal en de klem.

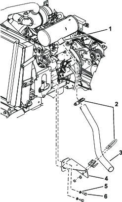
Monteer de nieuwe steunconstructie aan de kant van de motor met de eerder verwijderde ringen en bouten van de motor (Figuur 7).
Note: Draai de bouten niet helemaal vast.
Schuif de bestaande klem over de nieuwe uitlaatpijp en monteer de nieuwe uitlaatpijp op de uitlaat van de knaldemper (Figuur 7).
Note: Draai de bouten niet helemaal vast.
Monteer de nieuwe klem rond de nieuwe uitlaatpijp en aan de steunconstructie met het bevestigingsmateriaal van de klem (Figuur 7).

Lijn de klem gelijk uit met het uiteinde van de uitlaatpijp en draai de klem zoals getoond in Figuur 8.
Note: Zorg ervoor dat het klemoppervlak parallel is met de sleuven in de pijp (Figuur 8).

Draai de bouten van de motor vast met een torsie van 54 N·m en maak dan alle klemmen vast (Figuur 7).
Benodigde onderdelen voor deze stap:
| Uitlaatpijp | 1 |
| Klem | 1 |
| Steunconstructie | 1 |
Til de motorkap op (Figuur 9).

Maak de klem bij de knaldemper los (Figuur 10).
Verwijder de bouten en ringen van de motor van de bestaande steun van de uitlaatpijp (Figuur 10) en verwijder de uitlaatpijp.
Note: Bewaar het bevestigingsmateriaal en de klem.

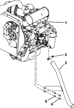
Monteer de nieuwe steunconstructie aan de kant van de motor met de eerder verwijderde ringen en bouten van de motor (Figuur 11).
Note: Draai de bouten niet helemaal vast.
Schuif de bestaande klem over de nieuwe uitlaatpijp en monteer de nieuwe uitlaatpijp op de uitlaat van de knaldemper (Figuur 11).
Note: Draai de bouten niet helemaal vast.
Monteer de nieuwe klem rond de nieuwe uitlaatpijp en aan de steunconstructie met het bevestigingsmateriaal van de klem (Figuur 11).

Lijn de klem gelijk uit met het uiteinde van de uitlaatpijp en draai de klem zoals getoond in Figuur 12.
Note: Zorg ervoor dat het klemoppervlak parallel is met de sleuven in de pijp (Figuur 12).

Draai de bouten van de motor vast met een torsie van 54 N·m en maak dan alle klemmen vast (Figuur 11).