Note: Fastslå hva som er venstre og høyre side på maskinen ut fra normal arbeidsstilling.
Dette settet er ment for modellene 31900, 31901, 31902, 31903, 31907, og 31909.
Parker maskinen på en jevn flate.
Sett giret i FRI.
Senk alt tilbehør (hvis utstyrt).
Sett på parkeringsbremsen.
Slå av motoren og ta ut nøkkelen.
Koble fra batteriet. Se brukerhåndboken for maskinen.
La maskinkomponentene kjøle seg ned før du monterer dette settet.
Deler som er nødvendige for dette trinnet:
| Eksosrør | 1 |
| Klemme | 1 |
| Støtteenhet | 1 |
Åpne panseret (Figur 1).

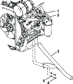
Løsne klemmen ved lyddemperen (Figur 2).
Fjern motorboltene og -skivene fra den eksisterende eksosrørstøtten (Figur 2) og fjern eksosrøret.
Note: Behold monteringsdelene og klemmen.

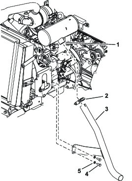
Monter den nye støtteenheten på siden av motoren med de tidligere fjernede skivene og motorboltene (Figur 3).
Note: Ikke stram boltene helt til.
Skyv den eksisterende klemmen over det nye eksosrøret, og monter det nye eksosrøret på lyddemperenden (Figur 3).
Note: Ikke stram boltene helt til.
Monter den nye klemmen rundt det nye eksosrøret og til støtteenheten med klemmemonteringsdelene (Figur 3).

Juster klemmen til den er på linje med enden av eksosrøret og roter den som vist i Figur 4.
Note: Påse at klemmeoverflaten er parallell med sporene i røret (Figur 4).

Stram motorboltene til 54 Nm, og stram deretter alle klemmene (Figur 3).
Deler som er nødvendige for dette trinnet:
| Eksosrør | 1 |
| Klemme | 1 |
| Støtteenhet | 1 |
Åpne panseret (Figur 5).

Løsne klemmen ved lyddemperen (Figur 6).
Fjern motorboltene og -skivene fra den eksisterende eksosrørstøtten (Figur 6) og fjern eksosrøret.
Note: Behold monteringsdelene og klemmen.

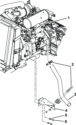
Monter den nye støtteenheten på siden av motoren med de tidligere fjernede skivene og motorboltene (Figur 7).
Note: Ikke stram boltene helt til.
Skyv den eksisterende klemmen over det nye eksosrøret, og monter det nye eksosrøret på lyddemperenden (Figur 7).
Note: Ikke stram boltene helt til.
Monter den nye klemmen rundt det nye eksosrøret og til støtteenheten med klemmemonteringsdelene (Figur 7).

Juster klemmen til den er på linje med enden av eksosrøret og roter den som vist i Figur 8.
Note: Påse at klemmeoverflaten er parallell med sporene i røret (Figur 8).

Stram motorboltene til 54 Nm, og stram deretter alle klemmene (Figur 7).
Deler som er nødvendige for dette trinnet:
| Eksosrør | 1 |
| Klemme | 1 |
| Støtteenhet | 1 |
Åpne panseret (Figur 9).

Løsne klemmen ved lyddemperen (Figur 10).
Fjern motorboltene og -skivene fra den eksisterende eksosrørstøtten (Figur 10) og fjern eksosrøret.
Note: Behold monteringsdelene og klemmen.

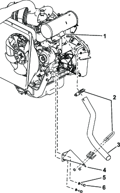
Monter den nye støtteenheten på siden av motoren med de tidligere fjernede skivene og motorboltene (Figur 11).
Note: Ikke stram boltene helt til.
Skyv den eksisterende klemmen over det nye eksosrøret, og monter det nye eksosrøret på lyddemperenden (Figur 11).
Note: Ikke stram boltene helt til.
Monter den nye klemmen rundt det nye eksosrøret og til støtteenheten med klemmemonteringsdelene (Figur 11).

Juster klemmen til den er på linje med enden av eksosrøret og roter den som vist i Figur 12.
Note: Påse at klemmeoverflaten er parallell med sporene i røret (Figur 12).

Stram motorboltene til 54 Nm, og stram deretter alle klemmene (Figur 11).