Note: Les côtés gauche et droit de la machine sont déterminés d'après la position d'utilisation normale.
Ce kit est destiné aux modèles 31900, 31901, 31902, 31903, 31907 et 31909.
Garez la machine sur une surface plane et horizontale.
Sélectionnez le POINT MORT.
Abaissez tous les accessoires (selon l'équipement).
Serrez le frein de stationnement.
Coupez le moteur et enlevez la clé.
Débranchez la batterie ; voir le Manuel de l'utilisateur de la machine.
Laissez refroidir les composants de la machine avant d'installer ce kit.
Pièces nécessaires pour cette opération:
| Tuyau d'échappement | 1 |
| Collier | 1 |
| Support | 1 |
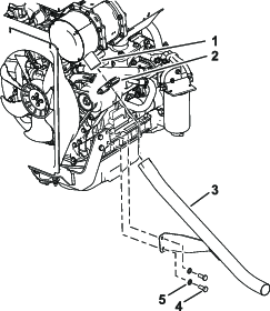
Ouvrez le capot (Figure 1).

Desserrez le collier au niveau du silencieux (Figure 2).
Retirez les boulons et les rondelles du moteur du support du tuyau d'échappement existant (Figure 2) et déposez le tuyau d'échappement.
Note: Conservez les fixations et le collier.

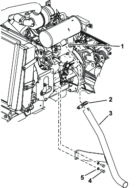
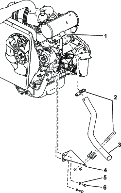
Fixez le nouveau support sur le côté du moteur à l'aide des rondelles et des boulons du moteur retirés précédemment (Figure 3).
Note: Ne serrez pas les fixations à fond.
Glissez le collier existant sur le nouveau tuyau d'échappement et montez le nouveau tuyau d'échappement sur la sortie du FAP (Figure 3).
Note: Ne serrez pas les fixations à fond.
Fixez le nouveau collier autour du nouveau tuyau d'échappement et sur le support à l'aide des fixations du collier (Figure 3).

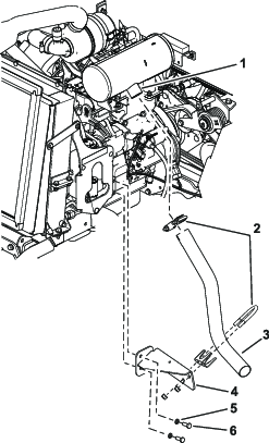
Faites affleurer le collier sur l'extrémité du tuyau d'échappement et tournez-le comme montré à la Figure 4.
Note: Vérifiez que la surface de serrage est parallèle aux fentes dans le tuyau (Figure 4).

Serrez les boulons du moteur à 54 N·m, puis serrez tous les boulons (Figure 3).
Pièces nécessaires pour cette opération:
| Tuyau d'échappement | 1 |
| Collier | 1 |
| Support | 1 |
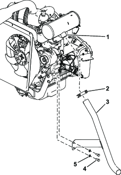
Ouvrez le capot (Figure 5).

Desserrez le collier au niveau du silencieux (Figure 6).
Retirez les boulons et les rondelles du moteur du support du tuyau d'échappement existant (Figure 6) et déposez le tuyau d'échappement.
Note: Conservez les fixations et le collier.

Fixez le nouveau support sur le côté du moteur à l'aide des rondelles et des boulons du moteur retirés précédemment (Figure 7).
Note: Ne serrez pas les fixations à fond.
Glissez le collier existant sur le nouveau tuyau d'échappement et montez le nouveau tuyau d'échappement sur la sortie du silencieux (Figure 7).
Note: Ne serrez pas les fixations à fond.
Fixez le nouveau collier autour du nouveau tuyau d'échappement et sur le support à l'aide des fixations du collier (Figure 7).

Faites affleurer le collier sur l'extrémité du tuyau d'échappement et tournez-le comme montré à la Figure 8.
Note: Vérifiez que la surface de serrage est parallèle aux fentes dans le tuyau (Figure 8).

Serrez les boulons du moteur à 54 N·m, puis serrez tous les boulons (Figure 7).
Pièces nécessaires pour cette opération:
| Tuyau d'échappement | 1 |
| Collier | 1 |
| Support | 1 |
Ouvrez le capot (Figure 9).

Desserrez le collier au niveau du silencieux (Figure 10).
Retirez les boulons et les rondelles du moteur du support du tuyau d'échappement existant (Figure 10) et déposez le tuyau d'échappement.
Note: Conservez les fixations et le collier.

Fixez le nouveau support sur le côté du moteur à l'aide des rondelles et des boulons du moteur retirés précédemment (Figure 11).
Note: Ne serrez pas les fixations à fond.
Glissez le collier existant sur le nouveau tuyau d'échappement et montez le nouveau tuyau d'échappement sur la sortie du silencieux (Figure 11).
Note: Ne serrez pas les fixations à fond.
Fixez le nouveau collier autour du nouveau tuyau d'échappement et sur le support à l'aide des fixations du collier (Figure 11).

Faites affleurer le collier sur l'extrémité du tuyau d'échappement et tournez-le comme montré à la Figure 12.
Note: Vérifiez que la surface de serrage est parallèle aux fentes dans le tuyau (Figure 12).

Serrez les boulons du moteur à 54 N·m, puis serrez tous les boulons (Figure 11).