Note: Stabilite i lati sinistro e destro della macchina dalla normale posizione di guida.
Questo kit è destinato ai modelli 31900, 31901, 31902, 31903, 31907 e 31909.
Parcheggiate la macchina su terreno pianeggiante.
Cambiate in posizione di FOLLE.
Abbassate tutti gli attrezzi (se presenti).
Inserite il freno di stazionamento.
Spegnete il motore e togliete la chiave.
Scollegate la batteria; fate riferimento al Manuale dell'operatore della vostra macchina.
Lasciate raffreddare i componenti della macchina prima di montare questo kit.
Parti necessarie per questa operazione:
| Tubo di scarico | 1 |
| Serratubo | 1 |
| Gruppo di supporto | 1 |
Sollevate il cofano (Figura 1).

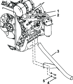
Allentate il serratubo in corrispondenza della marmitta (Figura 2).
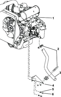
Rimuovete i bulloni del motore e le rondelle dal supporto del tubo di scarico esistente (Figura 2) e rimuovete il tubo di scarico.
Note: Conservate la ferramenta e il serratubo.

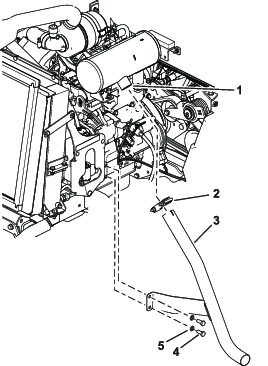
Montate il nuovo gruppo di supporto a lato del motore con le rondelle e i bulloni del motore precedentemente rimosse (Figura 3).
Note: Non serrate completamente i bulloni.
Fate scorrere il serratubo esistente sul nuovo tubo di scarico e installate il nuovo tubo di scarico sull'uscita del FAP (Figura 3).
Note: Non serrate completamente i bulloni.
Montate il nuovo serratubo attorno al nuovo tubo di scarico e al gruppo di supporto con la ferramenta del serratubo (Figura 3).

Allineate il serratubo a filo dell'estremità del tubo di scarico e ruotatelo come mostrato nella Figura 4.
Note: Accertatevi che la superficie di fissaggio sia parallela alle fessure del tubo (Figura 4).

Serrate i bulloni del motore a 54 N∙m, quindi serrate tutti i serratubi (Figura 3).
Parti necessarie per questa operazione:
| Tubo di scarico | 1 |
| Serratubo | 1 |
| Gruppo di supporto | 1 |
Sollevate il cofano (Figura 5).

Allentate il serratubo in corrispondenza della marmitta (Figura 6).
Rimuovete i bulloni del motore e le rondelle dal supporto del tubo di scarico esistente (Figura 6) e rimuovete il tubo di scarico.
Note: Conservate la ferramenta e il serratubo.

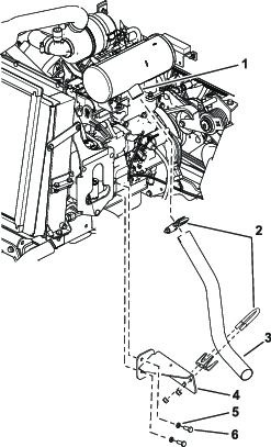
Montate il nuovo gruppo di supporto a lato del motore con le rondelle e i bulloni del motore precedentemente rimosse (Figura 7).
Note: Non serrate completamente i bulloni.
Fate scorrere il serratubo esistente sul nuovo tubo di scarico e installate il nuovo tubo di scarico sull'uscita della marmitta (Figura 7).
Note: Non serrate completamente i bulloni.
Montate il nuovo serratubo attorno al nuovo tubo di scarico e al gruppo di supporto con la ferramenta del serratubo (Figura 7).

Allineate il serratubo a filo dell'estremità del tubo di scarico e ruotatelo come mostrato nella Figura 8.
Note: Accertatevi che la superficie di fissaggio sia parallela alle fessure del tubo (Figura 8).

Serrate i bulloni del motore a 54 N∙m, quindi serrate tutti i serratubi (Figura 7).
Parti necessarie per questa operazione:
| Tubo di scarico | 1 |
| Serratubo | 1 |
| Gruppo di supporto | 1 |
Sollevate il cofano (Figura 9).

Allentate il serratubo in corrispondenza della marmitta (Figura 10).
Rimuovete i bulloni del motore e le rondelle dal supporto del tubo di scarico esistente (Figura 10) e rimuovete il tubo di scarico.
Note: Conservate la ferramenta e il serratubo.

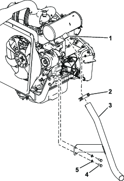
Montate il nuovo gruppo di supporto a lato del motore con le rondelle e i bulloni del motore precedentemente rimosse (Figura 11).
Note: Non serrate completamente i bulloni.
Fate scorrere il serratubo esistente sul nuovo tubo di scarico e installate il nuovo tubo di scarico sull'uscita della marmitta (Figura 11).
Note: Non serrate completamente i bulloni.
Montate il nuovo serratubo attorno al nuovo tubo di scarico e al gruppo di supporto con la ferramenta del serratubo (Figura 11).

Allineate il serratubo a filo dell'estremità del tubo di scarico e ruotatelo come mostrato nella Figura 12.
Note: Accertatevi che la superficie di fissaggio sia parallela alle fessure del tubo (Figura 12).

Serrate i bulloni del motore a 54 N∙m, quindi serrate tutti i serratubi (Figura 11).