유지보수
부착 장치 어댑터 그리스 윤활
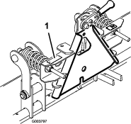
부착 장치 어댑터의 잠금 레버가 편하고 자유롭게 회전하지 않으면 그림 7에 표시된 구역에 그리스를 얇게 칠하십시오.

작동 로드 스프링 조정
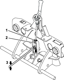
스프링과 작동 로드는 공장에서 조정된 상태로 납품됩니다. 그러나 새로운 부품을 장착하거나 어떤 이유로든 스프링을 제거했다면 그림 8과 같이 스프링 길이를 133 mm로 조정해야 합니다.

피니시 그레이더 블레이드 수평 조정
트랙션 유닛과 관련된 블레이드의 수평을 조정하려면 평지에 유닛을 주차하고 후방 타이어 압력을 필요한 만큼 약간 변경합니다.
스크레이퍼 블레이드 뒤집기
원래 모서리가 부착된 피니시 그레이더 박스의 하단 모서리 너머로 마모된 경우, 2차 마모 표면을 사용하기 위해 스크레이퍼 블레이드를 뒤집을 수 있습니다(그림 9).

장비(옵션)
| 드래그 키트 | 부품 번호 140-0274 |
| 웨이트 키트(140-0274 사용 시 필요함) | 부품 번호 100-6442 |
| 카바이드 타인 팩(타인 15개 포함) | 부품 번호 119-2152 |
| 위더 타인(장비당 타인 15개 필요) | 부품 번호 110-0260-0P |
| 위더 블레이드(장비당 블레이드 5개 필요) | 부품 번호 132-4427-0P |







