Onderhoud
De werktuigkoppeling smeren
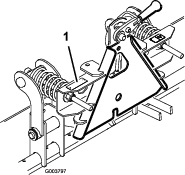
Als de sluithendel op de werktuigkoppeling niet onbelemmerd en soepel draait, moet u een dun laagje vet aanbrengen op de plaats die wordt getoond in Figuur 7.

De veren van de actuatorstang afstellen
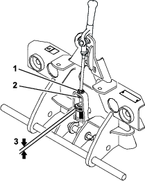
De veren en actuatorstangen worden in de fabriek afgesteld. Indien er echter nieuwe onderdelen worden gemonteerd of indien de veren om een bepaalde reden worden verwijderd, moet de veerlengte worden afgesteld op 133 mm zoals getoond in Figuur 8.

Het mes van de egalisatieschuif gelijkstellen
Om het mes gelijk te stellen ten opzichte van de tractie-eenheid, plaatst u de eenheid op een vlak oppervlak (zoals een betonnen oprit) en varieert u de bandenspanning achter lichtjes naar behoefte.
Het schrapermes omkeren
U kunt het schrapermes (Figuur 9) omkeren en zo een tweede slijtvlak verkrijgen. Dit is nuttig wanneer de eerste rand verder afgesleten is dan de onderste rand van de egalisatieschuifkast waaraan het bevestigd is.

Optionele apparatuur
| Sleepset | Onderdeelnr. 140-0274 |
| Gewichtenset (vereist wanneer u 140-0274 gebruikt) | Onderdeelnr. 100-6442 |
| Pakket met hardmetalen tanden (bevat 15 tanden) | Onderdeelnr. 119-2152 |
| Wiedertanden (15 tanden vereist per machine) | Onderdeelnr. 110-0260-0P |
| Wiedermessen (5 messen vereist per machine) | Onderdeelnr. 132-4427-0P |







