Underhåll
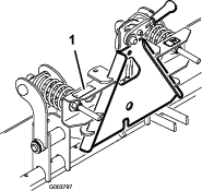
Smörja redskapshållaren
Om det inte går att vrida låsspaken på redskapshållaren fritt och lätt, ska du stryka på ett tunt lager fett i det område som visas i Figur 7.

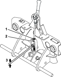
Justera fjädrarna på manöverstängerna
Fjädrarna och manöverstängerna justeras på fabriken. Om du monterar nya delar eller av någon anledning flyttar på fjädrarna ska dock fjäderlängden justeras till 13,3 cm enligt Figur 8.

Ställa in finputsningsschaktarens blad
Om du vill ställa in bladet i förhållande till traktorenheten ska du ställa enheten på en plan yta (som t.ex. en uppfart i betong) och justera det bakre däcktrycket en aning efter behov.
Vända på skrapans blad
Skrapans blad (Figur 9) kan vändas för användning av en andra slityta efter att den ursprungliga kanten har slitits ned mer än till den nedre kanten av finputsningsschaktlådan som den är monterad på.

Extra utrustning
| Dressnätsats | Artikelnr 140-0274 |
| Viktsats (krävs vid användning av 140-0274) | Artikelnr 100-6442 |
| Förpackning med luftarpinnar i hårdmetall (innehåller 15 pinnar) | Artikelnr 119-2152 |
| Luftarpinnar för ogräs (15 pinnar per maskin krävs) | Artikelnr 110-0260-0P |
| Ogräsrensarkniv (5 knivar per maskin krävs) | Artikelnr 132-4427-0P |







