保守
アタッチメントアダプタのグリスアップ
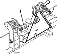
アタッチメント側のアダプタのロックレバーの動きが悪くなってきたら、図 7に示す部分に薄くグリスを塗ってください。

アクチュエータロッドのスプリングの調整
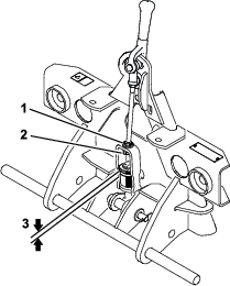
スプリングと調整ロッドは出荷時に調整ずみです。新しいパーツを取り付けたり、スプリングを外したりした場合には、図 8に示すようにスプリングの長さを 133 mm に調整してください。

仕上げグレーダのブレードを水平にするには
仕上げグレーダのブレードを水平(トラクションユニットと並行)にするには、まず、コンクリートの歩道などの平らな面に停車させ、後タイヤの空気圧をわずかに変えて調整します。
スクレーパブレードの上下を入れ替えて使用するには
スクレーパブレード(図 9)が摩耗してきたら、上下を入れ替えてもう一度使用することができます。刃先が仕上げグレーダのボックスの下エッジまで磨耗してしまったら上下を入れ替えてください。

オプション機器
| ドラッグキット | パーツ No. 140-0274 |
| ウェイトキット(140-0274 使用時に必要) | パーツ No. 100-6442 |
| カーバイドタインパック(タイン 15 本) | パーツ No. 119-2152 |
| ウイーダタイン(マシン1台につき 15 本のタインが必要) | P/N 110-0260-0P |
| ウイーダブレード(マシン1台につき 5 枚のブレードが必要) | P/N 132-4427-0P |







