Entretien
Graissage de l'adaptateur d'accessoire
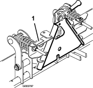
Si le levier de verrouillage sur l'adaptateur d'accessoire ne pivote pas librement, appliquez une fine couche de graisse sur la zone illustrée à la Figure 7.

Réglage des ressorts des biellettes de commande
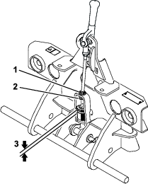
Les ressorts et les biellettes de commande sont réglés à l'usine. Toutefois, si des pièces neuves sont installées ou si les ressorts sont déposés pour une raison quelconque, la longueur des ressorts doit être ajustée à 133 mm comme montré à la Figure 8.

Mise à niveau de la lame niveleuse de finition
Pour mettre la lame de niveau par rapport au groupe de déplacement, placez ce dernier sur une surface plane et horizontale (comme une allée bétonnée), et modifiez légèrement la pression des pneus arrière selon les besoins.
Retournement de la lame racleuse
Vous pouvez retourner la lame racleuse (Figure 9) pour utiliser l'autre côté quand le premier est usé au-delà du bord inférieur de la boîte de niveleuse à laquelle la lame est fixée.

Équipements en option
| Kit tapis traînant | Réf. 140-0274 |
| Kit masse (requis quand vous utilisez l’accessoire réf. 140-0274) | Réf. 100-6442 |
| Ensemble de louchets en carbure (comprend 15 louchets) | Réf. 119-2152 |
| Louchet désherbant (15 louchets requis par machine) | Réf. 110-0260-0P |
| Lame désherbante (5 lames requises par machine) | Réf. 132-4427-0P |







