Vedligeholdelse
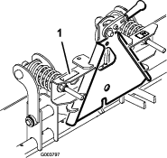
Smøring af redskabsadapteren
Hvis låsegrebet på redskabsadapteren ikke drejer frit og nemt, kan et tyndt lag fedt påføres på det område, der er vist i Figur 7.

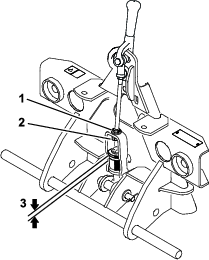
Justering af drivstangens fjedre
Fjedrene og drivstængerne justeres på fabrikken. Hvis der monteres nye dele, eller hvis fjedrene fjernes, skal fjederlængden imidlertid justeres til 133 mm som vist i Figur 8.

Afretning af finplaneringsenhedens blad
For at afrette bladet i forhold til traktionsenheden skal enheden placeres på en jævn overflade (f.eks. en indkørsel med betonbelægning), og trykket i bagdækkene skal ændres efter behov.
Vending af skraberbladet
Skraberbladet (Figur 9) kan vendes til en anden slidoverflade, efter at den oprindelige kant er slidt ned under den nederste kant på den finplaneringsboks, det er fastgjort til.

Ekstraudstyr
| Træksæt | Delnr. 140-0274 |
| Vægtudstyr (påkrævet ved brug af 140-0274) | Delnr. 100-6442 |
| Tine-pakke, karbid (15 medfølgende tines) | Delnr. 119-2152 |
| Ukrudts-tine (15 tines påkrævet pr. maskine) | Delnr. 110-0260-0P |
| Ukrudtsskærekniv (5 skæreknive påkrævet pr. maskine) | Delnr. 132-4427-0P |







