Kunnossapito
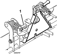
Lisälaitteen sovittimen rasvaus
Jos lisälaitteen sovittimessa oleva lukitusvipu ei käänny vapaasti ja helposti, levitä ohut kerros rasvaa (Kuva 7).

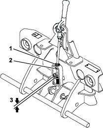
Säätötangon jousien säätö
Säätötangot ja jouset säädetään tehtaalla. Jos uusia osia asennetaan tai jouset irrotetaan mistä tahansa syystä, jousien pituus on kuitenkin säädettävä 133 mm:iin kuvan mukaisesti (Kuva 8)

Viimeistelyhöylän terän tasaus
Kun haluat tasata terän ajoyksikköön nähden, sijoita ajoyksikkö tasaiselle alustalle (esim. betonipäällysteiselle ajotielle) ja muuta takarenkaan painetta hieman tarpeen mukaan.
Kaavinterän kääntö
Kaavinterä (Kuva 9) voidaan kääntää, jotta esiin saadaan tuore kulumispinta ensimmäisen reunan kuluttua sen kiinnitykseen käytetyn viimeistelyhöylän kehyksen alareunan tasoon saakka.

Lisävarusteet
| Lanasarja | Osanro 140-0274 |
| Painosarja (vaaditaan, kun käytössä on 140-0274) | Osanro 100-6442 |
| Karbidipiikkipakkaus (sisältää 15 piikkiä) | Osanro 119-2152 |
| Kitkijäpiikki (vaaditaan 15 piikkiä konetta kohti) | Osanro 110-0260-0P |
| Kitkijäterä (vaaditaan 5 terää konetta kohti) | Osanro 132-4427-0P |







