Viðhald
Smurning á millistykki tengitækisins
Ef lásstöngin á millistykki tengitækisins snýst ekki hindrunarlaust skal smyrja þunnu lagi af smurfeiti á svæðið sem sýnt er á Mynd 15.

Lesið þessar upplýsingar vandlega til að læra að stjórna og sinna réttu viðhaldi á vörunni og til að koma í veg fyrir meiðsl og skemmdir á vörunni. Eigandi ber ábyrgð á réttri og öruggri notkun vörunnar.
Hægt er að hafa samband við Toro í gegnum www.Toro.com til að nálgast upplýsingar um aukabúnað, upplýsingar um staðsetningu söluaðila og vöruskráningu.
Þegar þörf er á þjónustu, varahlutum frá Toro eða frekari upplýsingum skal hafa samband við viðurkenndan þjónustu- og söluaðila eða þjónustuver Toro og hafa tegundar- og raðnúmer vörunnar við höndina. Mynd 1 sýnir hvar tegundar- og raðnúmerin eru á vörunni. Skrifið númerin í kassann hér á síðunni.

Þessi handbók auðkennir mögulega hættu og í henni eru öryggismerkingar auðkenndar með öryggistáknum (Mynd 2), sem sýna hættu sem kann að valda alvarlegum meiðslum eða dauða ef ráðlögðum varúðarráðstöfunum er ekki fylgt.

Þessi handbók notar 2 orð til að auðkenna upplýsingar. Mikilvægt“ vekur athygli á sérstökum vélrænum upplýsingum og Athugið“ undirstrikar almennar upplýsingar sem vert er að lesa vandlega.
![]() |
Öryggismerkingar og leiðbeiningar sjást greinilega og eru hjá öllum svæðum þar sem möguleg hætta er til staðar. Skiptið um skemmdar eða týndar merkingar. |

Hlutar sem þarf fyrir þetta verk:
| Hrífa | 1 |
| Dráttarbiti | 1 |
| Bolti (½ x 1¾ to.) | 1 |
| Sjálflæsandi ró (½ to.) | 1 |
| Sexkantsró (½ to.) | 1 |
| Kragabolti (⅜ x 1 to.) | 1 |
| Sjálflæsandi ró (⅜ to.) | 1 |
| Millistykki fyrir tengitæki | 1 |
| Klofsplitti | 2 |
| Lyftiarmur | 1 |
| Snúningspinni | 1 |
| Bolti (⅜ x 1¼ to.) | 1 |
| Lásró (⅜ to.) | 1 |
Festið dráttarbitann lauslega við fremra opið á henginu (Mynd 3) með bolta (½ x 1¾ to.), sjálflæsandi ró (½ to.) og sexkantsró (½ to.).

Festið krókhólkinn lauslega við aftara opið á henginu með kragabolta (⅜ x 1 to.) og sjálflæsandi ró (⅜ to.).
Herðið rærnar með eftirfarandi hersluátaki:
Sjálflæsandi ró (½ to.): 104 til 126 N∙m
Sexkantsró (½ to.): 91 til 113 N∙m
Sjálflæsandi ró (⅜ to.): 22 til 27 N∙m
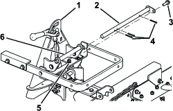
Látið lyftiarminn flútta við festinguna á millistykki tengitækisins (Mynd 4) og tengið saman með snúningspinnanum eins og sýnt er á Mynd 5.
Note: Notið handfangið aftan á millistykki tengitækisins til að hreyfa millistykkið til (Mynd 4).


Festið snúningspinnann (Mynd 5) með þremur klofsplittum og bolta (⅜ x 1¼ to.) og lásró (⅜ to.).
Hlutar sem þarf fyrir þetta verk:
| Bolti (⅜ x 2½ to.) | 2 |
| Skinna (⅜ x ⅞ to.) | 4 |
| Stöðuhólkur | 2 |
| Lásró (⅜ to.) | 2 |
Fjarlægið öll tengitæki sem eru aftan á vinnuvélinni.
Lækkið millistykki dráttarvélarinnar og bakkið henni í stöðu fyrir framan millistykki tengitækisins.
Note: Gangið úr skugga um að lásstönginni sé snúið til vinstri (í ólæsta stöðu) séð frá vinnuvélinni að aftan.
Rennið millistykki tengitækisins á dráttarmillistykkið.
Important: Lengri armur lyftiarmsins verður að vera undir afturgrind dráttarvélarinnar (Mynd 6).
Hætta er á að klemma fingurna á milli millistykkja tengitækisins og dráttarvélarinnar.
Ávallt verður að nota handfangið aftan á millistykki tengitækisins til að lyfta upp og færa tengitækið til (Mynd 6).
Snúið lásstönginni til hægri til að læsa millistykkjunum saman.
Festið efsta hlekk hverrar keðju á utanverðan lyftiarminn (Mynd 6) með bolta (⅜ x 2½ to.), tveimur skinnum (⅜ x ⅞ to.), stöðuhólki og lásró (⅜ to.).

Note: Slaki verður að vera á keðjunum þegar hrífan er látin síga (við notkun) til að tryggja rétta notkun.
Note: Gangið úr skugga um að hrífurnar skarist á réttan hátt, liggi slétt og keðjurnar séu ekki flæktar saman eða undnar.
Lyftið tengitækinu þegar lokið er við að festa hrífuna á dráttarvélina.
Mælið bilið á milli þungu skinnunnar og axlar lyftiklafans á millistykki tengitækisins eins og sýnt er á Mynd 7.
Note: Hlekkurinn er rétt stilltur ef bilið á milli þungu skinnunnar og axlar lyftiklafans er á milli 1,5 og 2 mm (Mynd 7).

Ef bilið er ekki rétt skal losa um festiróna eða herða eða losa um stilliróna á tengibúnaðinum og stilla bilið eftir þörfum (Mynd 7).

Lesið þennan hluta um sléttun áður en byrjað er að slétta gryfju. Margir þættir ráða því hvernig tengitæki hrífunnar er stillt. Áferð og dýpt sands, rakastig, gróður og þéttni eru allt þættir sem eru ólíkir á milli golfvalla og jafnvel á milli gryfja innan sama vallar. Stillið hrífuna til að tryggja besta mögulega árangur á viðkomandi svæði.
Æfa skal sléttun í stórri og sléttri sandgryfju á golfvelli. Æfið að taka af stað, stöðva, beygja, hífa hrífuna og láta hana síga, akstur inn í og út úr gryfju o.s.frv. Æfið með vélina á hæfilegum snúningshraða og á hægum aksturshraða. Slíkur þjálfunartími hjálpar stjórnanda að öðlast sjálfstraust við notkun vinnuvélarinnar.
Note: Ekki aka dráttarvélinni aftur á bak þegar tengitækið er niðri. Slíkt veldur skemmdum á tengitækinu.
Ef sandurinn er nógu djúpur er hægt að slétta alveg upp að brún sandgryfjunnar þar sem hún er slétt.
Ef sandurinn liggur út á grassvörðinn þarf að halda góðri fjarlægð frá brúninni til að rífa ekki upp jarðveginn.
Ekki slétta of nálægt stuttum, bröttum bökkum. Við það rennur sandurinn einfaldlega niður að botni gryfjunnar.
Stundum þarf að slétta í höndunum við bratta bakka, í litlum dældum o.s.frv.
Sléttið gryfjuna í sama mynstri og sýnt er á Mynd 9 Þetta mynstur kemur í veg fyrir óþarfa skörun, heldur þjöppun í lágmarki og skilar áferðarfallegu mynstri í sandinn.
Akið á langveginn inn í beina gryfju, þar sem bakkinn er lægstur. Akið í gegnum miðju gryfjunnar, næstum út að hinum enda hennar, og takið svo eins skarpa beygju og hægt er í aðra hvora áttina og akið næstu yfirferð til baka. Akið í spíral út á við eins og sýnt er á teikningunni og akið út úr gryfjunni á sléttu svæði hægra megin.
Skiljið eftir bratta og stutta bakka og dældir og sléttið þau svæði í höndunum.

Þegar ekið er inn í gryfju skal ekki láta hrífuna síga fyrr en hún er öll fyrir ofan sand. Þannig er komið í veg fyrir að grassvörðurinn skemmist eða gras eða önnur óhreinindi berist í gryfjuna. Látið hrífuna síga á meðan vinnuvélinni er ekið áfram.
Þegar ekið er út úr gryfjunni skal byrja að hífa hrífuna um leið framdekkin eru komin úr gryfjunni. Þannig lyftist hrífan þegar vinnuvélin ekur út úr gryfjunni og enginn sandur berst yfir á grasið.
Stjórnandi vinnuvélarinnar lærir með tímanum rétta tímasetningu við akstur inn í og út úr gryfjunni.
Hægt er að breyta stöðu hrífunnar til að auka eða draga úr dýpt hennar í sandinum. Festið dráttarbitann og hrífuna eins og sýnt er á skýringarmyndunum hér á eftir til að stilla á réttan halla.
Hægt er að stilla lengd armanna til að auka eða minnka dýpt tindanna.
Losið um skrúfurnar á arminum, færið arminn upp eða niður í stöðuna sem óskað er eftir og herðið því næst skrúfurnar (Mynd 12).

Losið um festirærnar og skrúfið stoppbolta hrífunnar (Mynd 13) út til að takmarka hliðarhreyfingar hennar. Herðið festirærnar til að læsa stillingunni.

Hægt er að koma fyrir lóðum á hrífunum ef sandurinn er rakur eða grófgerður eða ef djúp fótspor eru í gryfjunum. Pantið hlutarnr. 18-7570 frá viðurkenndum dreifingaraðila Toro.
Ljúkið eftirfarandi ferli til að auka hæð hrífunnar við flutning:
Látið hrífuna og lyftibúnaðinn síga eins langt niður og hægt er.
Aftengið keðjurnar af lyftiörmunum og festið þær ofar.
Note: Látið keðjurnar vera í upprunalegum slaka áður en hrífan er notuð til að tryggja rétta notkun hennar.
Þrífið vinnuvélina vandlega eftir notkun. Þessi vinnuvél er aðallega notuð í sandi. Sandur er mjög sverfandi efni og þar af leiðandi verður að þrífa vinnuvélina eftir hverja notkun. Ef vinnuvélin er þrifin reglulega (áður en sandurinn nær að harðna) skal ávallt þrífa hana með vatnsbunu úr slöngu án stúts. Háþrýstiþvottur getur þrýst sandi inn í slitsvæði og valdið svörfun.
Note: Ef millistykki tengitækisins festist við millistykki dráttarvélarinnar skal stinga kúbeini eða skrúfjárni í raufina til að losa um íhlutina (Mynd 14).

Ef lásstöngin á millistykki tengitækisins snýst ekki hindrunarlaust skal smyrja þunnu lagi af smurfeiti á svæðið sem sýnt er á Mynd 15.
