Important: Avant d'installer le système de barre porte-outil central, procurez-vous unes des barres porte-outil disponibles pour le système. Pour plus d'information, contactez votre distributeur Toro agréé.
Note: Si vous installez la barre porte-outil modèle 08733 ou 08736, installez les supports de tube de pivot spécifiquement fournis avec ces modèles à la place de ceux fournis avec cet outil. Voir les instructions d'installation des modèles 08733 et 08736 pour plus d'information.
Note: Lors de l'installation d'une lame frontale manuelle conjointement avec un système de barre porte-outil central, commencez toujours par installer la barre-porte outil.
Garez le groupe de déplacement sur une surface plane et horizontale, et serrez le frein de stationnement.
Placez la commande d'accélérateur en position de ralenti, abaissez l'outil et vérifiez que la commande de déplacement est au point mort.
Coupez le moteur, enlevez la clé, attendez l'arrêt complet de toutes les pièces mobiles et laissez refroidir les composants.
Pièces nécessaires pour cette opération:
| Boulon (5/16 x 2¼ po) | 2 |
| Écrou (5/16 po) | 2 |
| Levier de levage du scarificateur | 1 |
| Boulon (½ x 3¼ po) | 2 |
| Contre-écrou mince (½ po) | 2 |
| Plaque de verrouillage | 1 |
| Bouton | 1 |
Soulevez l'arrière de la machine sur des chandelles et déposez les roues arrière; voir le Manuel de l'utilisateur de la machine.
Note: Placez des chandelles sous les supports de moteur des roues arrière; voir le Manuel de l'utilisateur de la machine.
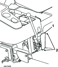
Retirez les 4 boulons à embase qui fixent le carénage de la roue droite au cadre (Figure 1).

Déposez le carénage et conservez-le.
Note: Si une lame manuelle (modèle 08714) est montée sur la machine, déposez le support de montage droit de la lame avant de monter le bras de levage.
Retirez les 2 vis, les 2 boulons, les 2 rondelles et les 2 écrous qui fixent le panneau de protection au cadre, et conservez les rondelles pour la pose ultérieurement (Figure 1).
Note: Vous pouvez vous débarrasser du panneau de protection, des boulons, des vis et des écrous.
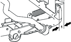
Fixez le support de montage du levier de levage du scarificateur sur les tubes du repose-pied droit à l'aide de 2 boulons (½ x 3¼ po) et de contre-écrous minces (½ po), comme montré à la Figure 2.

Note: Veillez à placer les têtes des boulons à l'extérieur et à utiliser les contre-écrous minces.
Important: Les pièces détachées comprennent des contre-écrous minces et épais. Utilisez les contre-écrous minces pour cette opération. Les contre-écrous épais ne peuvent pas se bloquer en ce point et finiront par tomber.
Note: Le levier se monte par le bas du groupe de déplacement, en passant par l'ouverture créée par la dépose du panneau de protection.
Note: Ne démontez pas le levier pour le fixer sur le groupe de déplacement.
Insérez la plaque de verrouillage sur le levier de levage du scarificateur.
Note: Le levier doit passer entre la plaque de verrouillage et le guide (Figure 3).

Fixez la plaque de verrouillage à l'arrière du tube de cadre vertical arrière droit à l'aide de 2 boulons (5/16 x 2¼ po), des 2 rondelles retirées à l'opération 4 et de 2 contre-écrous (5/16 po). Positionnez les pièces comme montré à la Figure 3.
Vissez le pommeau sur le levier de levage (Figure 3).
Vérifiez que le levier de levage peut effectuer toute sa gamme de mouvement dans la plaque de verrouillage et qu'il se bloque en place dans chaque cran de verrouillage.
Note: Si le levier n'est pas assez ou trop serré, resserrez ou desserrez les contre-écrous sur le pivot du levier de levage (Figure 4).

Vérifiez le jeu entre le levier de levage et les conduites hydrauliques.
Note: Il doit exister un espace minimum de 3 mm (⅛ po) entre la conduite hydraulique et le levier de levage. Positionnez la conduite hydraulique délicatement selon les besoins (Figure 2).
Pièces nécessaires pour cette opération:
| Tube de pivot | 1 |
| Ressort d'extension | 1 |
| Tige de ressort | 1 |
| Support de tube de pivot | 2 |
| Boulon (⅜ x 3 po) | 4 |
| Contre-écrou (⅜ po) | 6 |
| Support de ressort | 1 |
| Boulon (⅜ x 2¾ po) | 1 |
Note: Si vous installez la barre porte-outil modèle 08733 ou 08736, installez les supports de tube de pivot spécifiquement fournis avec ces modèles à la place de ceux fournis avec cet outil. Voir les instructions d'installation des modèles 08733 et 08736 pour plus d'information.
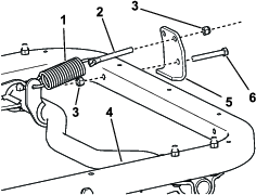
Accrochez le ressort d'extension au levier de ressort sur le tube de pivot et la tige de ressort (Figure 5).

Fixez légèrement le support de tube de pivot sur le côté droit (Figure 5).
Glissez le côté droit du tube de pivot dans le support de tube de pivot droit (Figure 5).
Insérez la tige de ressort dans le trou du support de ressort et fixez-la avec un contre-écrou (⅜ po) légèrement serré.
Note: Positionnez la tige de ressort comme montré à la Figure 6.

Levez le côté gauche du tube de pivot jusqu'au cadre et fixez-le en place à l'aide d'un support, de 2 boulons (⅜ x 3 po) et 2 contre-écrous (⅜ po) (Figure 5).
Montez le support de ressort sur le tube de cadre avant à l'aide d'un boulon (⅜ x 2¾ po) et d'un contre-écrou (⅜ po).
Note: Positionnez le support de ressort comme montré à la Figure 6.
Serrez toutes les fixations, mais ne serrez pas le contre-écrou de fixation de la tige de ressort à ce stade.
Pièces nécessaires pour cette opération:
| Tige réglable | 1 |
| Boulon (½ x 1½ po) | 1 |
| Contre-écrou (½ po) | 2 |
Positionnez la rotule du côté court de la tige réglable à droite du levier de tige réglable sur le tube de pivot (Figure 7)

Placez le levier de levage dans le deuxième cran de verrouillage en partant du haut.
Placez la rotule du côté long de la tige réglable sur le goujon au bas du levier de levage et fixez-la en place avec un contre-écrou (½ po) légèrement serré (Figure 7).
Note: Vous pouvez déplacer le tube de pivot de haut en bas dans les supports pour faciliter le montage de la tige réglable.
Abaissez complètement le levier de levage jusqu'au dernier cran de verrouillage.
Déplacez la rotule du côté court de la tige réglable autour du levier de la tige réglable sur le tube de pivot jusqu'à ce qu'elle se trouve sur le côté gauche du levier de la tige.
Note: Vous pouvez déplacer le tube de pivot de haut en bas dans les supports pour faciliter le montage de la tige réglable.
Déplacez le levier de levage jusqu'à ce que le trou dans la rotule soit aligné sur le trou du côté droit du levier de tige réglable sur le tube de pivot, et fixez la tige au levier à l'aide d'un boulon (½ x 1½ po) et d'un contre-écrou (½ po), comme montré à la Figure 8.

Serrez toutes les fixations.
Pièces nécessaires pour cette opération:
| Panneau de protection | 1 |
| Vis à embase à tête hexagonale (nº 10 x ½ po) | 2 |
| Étrier droit | 1 |
| Étrier gauche | 1 |
| Boulon (5/16 x 1 po) | 4 |
| Contre-écrou (5/16 po) | 4 |
Note: Si vous avez déposé la lame manuelle, reposez-la à ce stade.
Fixez le panneau de protection neuf à l'arrière de l'ouverture du cadre à l'aide de 2 vis à embase à tête hexagonale (nº 10 x ½ po) (Figure 9).

Fixez légèrement l'arrière d'un étrier à chaque bras de levage à l'aide d'un boulon (5/16 x 1 po) et d'un contre-écrou (5/16 po).
Note: Le goujon d'étrier doit être dirigé vers l'intérieur (Figure 10).
Note: Positionnez les étriers comme montré à la Figure 10.

Pièces nécessaires pour cette opération:
| Barre porte-outil (vendue séparément) | 1 |
Important: Si vous installez une barre porte-outil modèle 08733 ou 08736, ignorez cette procédure et suivez les instructions fournies avec la barre porte-outil. Une fois la barre installée, passez à la section Installation de la pédale de levage de la barre d'outil dans les présentes instructions.
Note: Si la barre porte-outil n'est pas déjà équipée du support de pivot, montez celui-ci sur la quatrième dent en partant que la gauche, comme montré à la Figure 11, et serrez le boulon et l'écrou pour fixer le support avant de continuer.

Placez chaque extrémité du tube sur les étriers.
Note: Le côté tranchant des dents doit être dirigé vers l'avant.
Placez le levier de levage au centre.
Fixez l'avant de chaque étrier au tube à l'aide d'un boulon (5/16 x 1 po) et d'un contre-écrou (5/16 po) (Figure 12).

Pièces nécessaires pour cette opération:
| Levier | 1 |
| Boulon (5/16 x 2 po) | 1 |
| Contre-écrou (5/16 po) | 3 |
| Patte de pivot | 1 |
| Biellette de barre porte-outil | 1 |
| Boulon de carrosserie (⅜ x 1¼ po) | 1 |
| Entretoise | 1 |
| Rondelle (1 po) | 1 |
| Contre-écrou (⅜ po) | 1 |
| Levier de pédale | 1 |
| Circlip | 2 |
| Rondelle (⅞ po) | 1 |
| Boulon (5/16 x 1 po) | 1 |
| Boulon excentrique | 1 |
Insérez le tenon du levier dans l'extrémité gauche du tube de pivot et fixez-le en place en insérant un boulon (5/16 x 2 po) et un contre-écrou (5/16 po) dans le tube de pivot (Figure 13).
Note: Vous devrez éventuellement visser le boulon à travers le tube de pivot et le levier.

Fixez légèrement le trou central de la patte de pivot sur le support de pivot de la barre porte-outil à l'aide d'un boulon (5/16 x 1 po) et d'un contre-écrou (5/16 po) (Figure 14).

Glissez l'extrémité de la biellette de la barre porte-outil sur le tenon court du levier de la pédale, et fixez-la en place avec une bague de retenue (Figure 15).

Insérez le tenon à l'autre extrémité du levier de la pédale dans le haut du levier et fixez-le en place avec une rondelle (⅞ po) et une bague de retenue (Figure 15).
Le coude de la pédale de levage étant orienté vers le haut, fixez le trou carré de la patte de pivot sur l'extrémité de la biellette à l'aide d'un boulon de carrosserie (⅜ x 1¼ po), d'une entretoise, d'une rondelle (1 po), d'une rondelle (13/16 po) et d'un contre-écrou (⅜ po), comme montré à la Figure 16.

Insérez un boulon excentrique au bas de la patte de pivot et du support de pivot, et fixez-le en place avec un contre-écrou (5/16 po), comme montré à la Figure 17.

Placez le levier de levage dans le cran de verrouillage supérieur.
Mesurez la distance entre le cadre du groupe de déplacement et le tube de pivot, comme montré à la Figure 18.

Si la distance n'est pas comprise entre 1,5 et 4,5 mm (0,06 et 0,18 po), ajustez la tige réglable comme suit :
Retirez le boulon et l'écrou qui fixent la tige au tube de pivot (Figure 19).

Tournez la rotule montrée sur la Figure 19 pour changer la longueur de la tige comme suit :
Pour augmenter l'écartement, raccourcissez la tige.
Pour réduire l'écartement, allongez la tige.
Installez la tige avec le boulon et le contre-écrou, et vérifiez à nouveau l'écartement.
Répétez cette procédure jusqu'à ce que l'écartement soit correct.
Serrez les contre-écrous de fixation de la tige de ressort jusqu'à ce que le filetage dépasse de 6 à 13 mm (¼ à ½ po) pour appliquer la tension au ressort (Figure 20).

Note: Le réglage de la tige de ressort modifie l'effort de levage du système; plus les extrémités des boulons sont longues, plus il est facile de lever la barre porte-outil. Ajustez les ressorts pour faciliter la force de levage. Plus la tension est importante sur le ressort compensateur, moins la barre porte-outil subira la pression du sol.
Posez le carénage de la roue droite.
Montez les roues arrière puis retirez les chandelles sous l'arrière de la machine; voir le Manuel de l'utilisateur de la machine.
Placez le levier de levage à la position de transport (cran le plus élevé).
Tournez le boulon excentrique dans un sens ou dans l'autre jusqu'à ce que les dents soient parallèles au cran dans le bras de levage (Figure 17 et Figure 21).
Important: Le boulon excentrique ne peut pas tourner à 360 degrés. Lorsqu'il s'arrête, n'essayez pas de forcer pour le tourner davantage ou vous l'endommagerez. Tournez-le plutôt dans le sens inverse.

Serrez le boulon de pivot central (repère 4 sur Figure 13) à un couple de 20 et 25 N·m (175 et 225 po-lb).
Serrez l'écrou de fixation du boulon excentrique afin de le bloquer, mais ne serrez pas excessivement.
Contrôlez le fonctionnement de l'outil.
Pièces nécessaires pour cette opération:
| Cale (réf. 110-7379) | 1 |
| Cale (réf. 110-7380) | 1 |
| Cale (réf. 110-7381) | 1 |
Lorsque la barre porte-outil est en place et que les fixations sont serrées, procédez comme suit pour vérifier que les dents de la barre sont de niveau :
Garez la machine sur une surface plane et horizontale.
Vérifiez que tous les pneus sont gonflés à la même pression. Pour plus de détail sur le contrôle de la pression de gonflage des pneus, voir le Manuel de l'utilisateur.
Abaissez la barre porte-outil jusqu'à ce que les dents touchent le sol.
Si toutes les dents touchent le sol de la même manière, la barre est de niveau.
Note: Si les dents d'un côté de la barre porte-outil touchent le sol avant l'autre côté, vous devez mettre la barre de niveau. Continuez la mise à niveau en suivant le reste de cette procédure.
Mesurez l'espace entre les dents de la barre porte-outil et le sol du côté qui doit être mis à niveau. Consultez ensuite le tableau ci-après pour déterminer quelle cale utiliser en fonction de l'espace mesuré :
| Jeu de cales (épaisseur en pouces) | Modification de la hauteur des dents (pouces) à l'extérieur |
| 110-7379 (0,0747 po) | ⅛ po |
| 110-7381 (0,1345 po) | ¼ po |
| 110-7379 et 110-7381 (0,2094 po) | ⅜ po |
| 110-7380 (0,25 po) | 7/16 po |
| 110-7379 et 110-7380 (0,3247 po) | 9/16 po |
Desserrez les boulons de fixation du support du tube de pivot pour créer une ouverture entre le cadre et le support (Figure 22).

Note: La mise en place de la cale peut nécessiter de déposer la pédale de levage pour accéder au support du tube de pivot. Voir Installation de la pédale de levage de la barre porte-outil.
Installez la ou les cale(s) et serrez toutes les fixations.
Vérifiez que la barre porte-outil est maintenant de niveau. Si ce n'est pas le cas, effectuez les réglages nécessaires.
Lisez la documentation.
Rangez la documentation en lieu sûr.
Pour abaisser la barre porte-outil, déplacez le levier de levage vers la gauche, abaissez-le, puis poussez-le vers la droite dans le cran de verrouillage voulu.
Pour élever la barre porte-outil, déplacez le levier de levage vers la gauche, relevez-le, puis poussez-le vers la droite dans le cran de verrouillage voulu.
Pour élever et bloquer la barre porte-outil en position de transport, placez le levier de levage dans le cran le plus élevé et appuyez sur la pédale de levage de la barre porte-outil.
Pour débloquer la barre porte-outil de la position de transport, abaissez le levier de levage à une position inférieure.
Note: Si vous utilisez la barre porte-scarificateur, vous pouvez faire pivoter les dents pour prolonger leur vie utile.
Note: Pour obtenir la position de fonctionnement voulue, commencez par abaisser la barre porte-outil au-delà de la position voulue, puis relevez-la.
Pendant l'utilisation, vous pouvez abaisser la barre porte-outil en position en faisant reculer lentement la machine tout en réglant la barre à la profondeur voulue. Lorsque la barre porte-outil est à la position voulue, faites avancer la machine. Les dents vont alors toucher le sol et tirer la barre porte-outil en position engagée.
Pour régler la pression vers le bas exercée par l'outil sur le sol, ajustez la tension du ressort de la tige réglable. À l'aide d'une clé de ¾ pouce, tournez le manchon moulé du ressort sur la tige réglable vers la droite pour augmenter la pression vers le bas ou vers la gauche pour diminuer la pression (Figure 23)
Note: Cela ne change pas le réglage de la tige réglable effectué lors de la procédure de Réglage de la tension du ressort de pivot et de la tige réglable.

Reportez-vous au tableau suivant et à la figure pour régler correctement la pression vers le bas de la barre porte-outil (Figure 24).
| Tableau de force du ressort | |
| Dimension (pouces) | Force (livres) |
| 3 | 238 |
| 2,88 | 335 |
| 2,75 | 430 |
| 2,62 | 526 |
| 2,50 | 623 |

| Problem | Possible Cause | Corrective Action |
|---|---|---|
| Une force excessive est nécessaire pour lever l'outil. |
|
|
| Le levier ne se bloque pas dans les crans de verrouillage sur la plaque de verrouillage |
|
|
| La barre porte-outil ne tourne pas assez haut. |
|
|
| La pression vers le bas de l'outil est insuffisante. |
|
|
| Le contact avec le sol n'est pas uniforme lorsque la machine tourne |
|
|
| La machine s'arrête lorsqu'elle heurte un obstacle. |
|
|
| Les dents de la barre porte-outil ne sont pas de niveau. |
|
|