Important: Antes de instalar el sistema de barras de herramientas de montaje intermedio, debe obtener una de las barras de herramientas disponibles para este sistema. Para obtener más información, póngase en contacto con un distribuidor autorizado Toro.
Note: Si va a instalar la barra de herramientas 08733 o 08736, instale los soportes de tubo de pivote suministrados con esas barras de herramientas, en lugar de los que vienen con este accesorio. Consulte las instrucciones de instalación para la barra 08733 o 08736 para obtener más información.
Note: Para instalar una pala manual delantera conjuntamente con un sistema de barras de herramientas de montaje intermedio, instale primero el sistema de barras de herramientas de montaje intermedio.
Aparque la unidad de tracción en una superficie nivelada y ponga el freno de estacionamiento.
Mueva el interruptor del acelerador a la posición de ralentí bajo, baje el accesorio y asegúrese de que la tracción está en punto muerto.
Apague el motor, retire la llave, espere a que se detengan todas las piezas en movimiento y deje que todos los componentes se enfríen.
Piezas necesarias en este paso:
| Perno (5/16" x 2¼") | 2 |
| Tuerca (5/16") | 2 |
| Palanca de elevación del escarificador | 1 |
| Perno (½" x 3¼") | 2 |
| Contratuerca fina (½") | 2 |
| Placa de retención | 1 |
| Pomo | 1 |
Eleve la parte trasera de la máquina sobre soportes fijos y retire las ruedas traseras; consulte el Manual del operador de la máquina.
Note: Coloque los soportes fijos debajo de los soportes de montaje de los motores de las ruedas traseras; consulte el Manual del operador de la máquina.
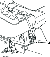
Retire los 4 tornillos con arandela prensada que sujetan la cubierta de la rueda derecha al bastidor (Figura 1).

Retire y guarde la cubierta.
Note: Si está instalada una Pala Manual (Modelo 08714) en la máquina, retire el soporte de montaje derecho de la pala antes de instalar el conjunto del brazo de elevación.
Retire los 2 tornillos, 2 pernos, 2 arandelas y 2 tuercas que sujetan la rejilla al bastidor, y guarde las arandelas para su instalación posterior (Figura 1).
Note: Puede desechar la rejilla, los pernos, los tornillos y las tuercas.
Instale el soporte de montaje de la palanca de elevación del escarificador en los tubos del reposapiés derecho con 2 pernos (½" x 3¼") y contratuercas finas (½"), como se muestra en la Figura 2.

Note: Asegúrese de colocar las cabezas de los pernos en el exterior, y de utilizar las contratuercas finas.
Important: Las piezas sueltas incluyen contratuercas finas y gruesas. Utilice las contratuercas finas en este paso. Las contratuercas gruesas no pueden bloquearse aquí, y terminarán por caerse.
Note: El conjunto de la palanca se instala desde la parte inferior de la unidad de tracción, pasándolo por el hueco que queda después de retirar la rejilla.
Note: No desmonte el conjunto de la palanca para instalarlo en la unidad de tracción.
Coloque la placa de retención sobre la palanca de elevación del escarificador.
Note: La palanca debe pasar entre la placa de retención y la guía de la palanca (Figura 3).

Instale la placa de retención en la parte trasera del tubo vertical derecho del bastidor trasero con 2 pernos (5/16" x 2¼"), las 2 arandelas que retiró en el paso 4, y las 2 contratuercas (5/16"). Posicione las piezas como se muestra en la Figura 3.
Enrosque el pomo en la palanca de elevación (Figura 3).
Asegúrese de que la palanca de elevación se desplaza de un extremo a otro de la placa de retención y que queda bloqueada en cada punto de retención.
Note: Si la palanca de elevación está demasiado apretada o tiene demasiado holgura, apriete o afloje las contratuercas del pivote de la palanca de elevación (Figura 4).

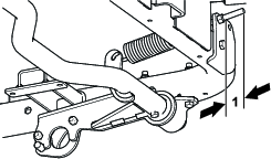
Compruebe el espacio que queda entre el conjunto de la palanca de elevación y los tubos hidráulicos.
Note: Debe haber un espacio mínimo de 3 mm (⅛") entre el tubo hidráulico y el conjunto de la palanca de elevación. Coloque el tubo hidráulico con cuidado en la posición correcta (Figura 2).
Piezas necesarias en este paso:
| Tubo de pivote | 1 |
| Muelle de extensión | 1 |
| Varilla del muelle | 1 |
| Soporte del tubo de pivote | 2 |
| Perno (⅜" x 3") | 4 |
| Contratuerca (⅜") | 6 |
| Soporte del muelle | 1 |
| Perno (⅜" x 2¾") | 1 |
Note: Si va a instalar la barra de herramientas 08733 o 08736, instale los soportes de tubo de pivote suministrados con esas barras de herramientas, en lugar de los que vienen con este accesorio. Consulte las instrucciones de instalación para la barra 08733 o 08736 para obtener más información.
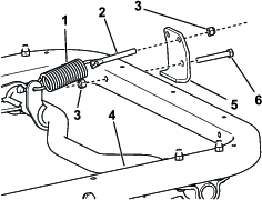
Conecte el muelle de extensión a la palanca del tubo de pivote y a la varilla del muelle (Figura 5).

Instale provisionalmente el soporte del tubo de pivote en el lado derecho (Figura 5).
Introduzca el extremo derecho del tubo de pivote en el soporte del tubo de pivote del lado derecho (Figura 5).
Introduzca la varilla del muelle en el orificio del soporte del muelle y sujétela provisionalmente con una contratuerca (⅜").
Note: Oriente la varilla del muelle como se muestra en la Figura 6.

Levante el extremo izquierdo del tubo de pivote hasta el bastidor e instálelo con un soporte de tubo de pivote, 2 pernos (⅜" x 3") y 2 contratuercas (⅜") (Figura 5).
Monte el soporte del muelle en el tubo del bastidor delantero con un perno (⅜" x 2¾") y una contratuerca (⅜").
Note: Oriente el soporte del muelle como se muestra en la Figura 6.
Apriete todas las fijaciones, pero no apriete todavía la contratuerca que sujeta la varilla del muelle.
Piezas necesarias en este paso:
| Conjunto de varilla ajustable | 1 |
| Perno (½" x 1½") | 1 |
| Contratuerca (½") | 2 |
Posicione la articulación esférica del extremo corto del conjunto de varilla ajustable a la derecha de la palanca de la varilla ajustable del tubo de pivote (Figura 7)

Mueva la palanca de elevación a la segunda posición de retención desde arriba.
Coloque la articulación esférica del extremo largo de la varilla ajustable sobre el espárrago de la parte inferior del conjunto de la palanca de elevación, y sujételo provisionalmente con una contratuerca (½") (Figura 7).
Note: Puede mover el tubo de pivote hacia arriba o hacia abajo en los soportes para facilitar el montaje de la varilla ajustable.
Mueva la palanca de elevación hasta la posición de retención más baja.
Mueva la articulación esférica del extremo corto de la varilla ajustable alrededor de la palanca de la varilla ajustable del tubo de pivote, hasta que esté situada en el lado izquierdo de la palanca de la varilla.
Note: Puede mover el tubo de pivote hacia arriba o hacia abajo en los soportes para facilitar el montaje de la varilla ajustable.
Mueva la palanca de elevación hasta que el orificio de la articulación esférica esté alineado con el orificio del lado derecho de la palanca de la varilla ajustable del tubo de pivote, y sujete la varilla a la palanca con un perno (½" x 1½") y una contratuerca (½"), como se muestra en la Figura 8.

Apriete las fijaciones.
Piezas necesarias en este paso:
| Rejilla | 1 |
| Tornillo de cabeza hexagonal con arandela prensada (N° 10 x ½") | 2 |
| Abrazadera derecha | 1 |
| Abrazadera izquierda | 1 |
| Perno (5/16" x 1") | 4 |
| Contratuerca (5/16") | 4 |
Note: Si retiró la pala manual, vuelva a instalarla ahora.
Instale la rejilla nueva en el lado trasero del hueco del bastidor con 2 tornillos de cabeza hexagonal con arandela prensada (Nº 10 x ½") (Figura 9).

Sujete provisionalmente la parte trasera de una abrazadera a cada brazo de elevación con un perno (5/16" x 1") y una contratuerca (5/16").
Note: El espárrago del gancho debe estar orientado hacia dentro (Figura 10).
Note: Oriente las abrazaderas como se muestra en la Figura 10.

Piezas necesarias en este paso:
| Barra de herramientas (se venden por separado) | 1 |
Important: Si va a instalar una barra de herramientas 08733 o 08736, salte este procedimiento e siga las instrucciones de instalación suministradas con esa barra de herramientas. Cuando termine de instalarla, consulte Instalación del pedal de elevación de la barra de herramientas en estas instrucciones.
Note: Si su barra de herramientas viene con el soporte del pivote sin instalar, instálelo en el cuarto diente contando desde la izquierda, como se muestra en la Figura 11, y apriete el perno y la tuerca de manera que el soporte y los dientes estén bien sujetos antes de continuar.

Coloque cada extremo del tubo del accesorio en las abrazaderas.
Note: Los filos de corte de los dientes deben estar orientados hacia adelante.
Mueva la palanca de elevación a la posición central.
Sujete la parte delantera de cada abrazadera al tubo con un perno (5/16" x 1") y una contratuerca (5/16") (Figura 12).

Piezas necesarias en este paso:
| Conjunto de la palanca | 1 |
| Perno (5/16" x 2") | 1 |
| Contratuerca (5/16") | 3 |
| Pestaña de pivote | 1 |
| Pletina de unión | 1 |
| Perno de cuello cuadrado (⅜" x 1¼") | 1 |
| Espaciador | 1 |
| Arandela (1") | 1 |
| Contratuerca (⅜") | 1 |
| Conjunto de palanca del pedal | 1 |
| Anillo de retención | 2 |
| Arandela (⅞") | 1 |
| Perno (5/16" x 1") | 1 |
| Perno excéntrico | 1 |
Introduzca la barra de la palanca en el extremo izquierdo del tubo de pivote, y sujételo pasando un perno (5/16" x 2") y una contratuerca (5/16") por el tubo de pivote (Figura 13).
Note: Puede ser necesario enroscar el perno en el tubo de giro y el conjunto de la palanca.

Instale provisionalmente la pestaña de pivote (usando el orificio central de ésta) en el soporte de pivote de la barra de herramientas usando un perno (5/16" x 1") y una contratuerca (5/16") (Figura 14).

Coloque el extremo de la pletina de unión sobre la clavija corta de la palanca del pedal, y sujételo con un anillo de retención (Figura 15).

Introduzca la clavija del otro extremo de la palanca del pedal en el extremo superior de la palanca y sujétela usando una arandela (⅞") y un anillo de retención (Figura 15).
Con la curva del conjunto de pedal de elevación hacia arriba, conecte el extremo de la pletina de unión a la pestaña de pivote (orificio cuadrado) usando un perno de cuello cuadrado (⅜" x 1¼"), un espaciador, una arandela de 1", una arandela de 13/16", y una contratuerca (⅜"), como se muestra en la Figura 16.

Introduzca el perno excéntrico por la parte inferior de la pestaña de pivote y el soporte del pivote y sujételo usando una contratuerca (5/16"), como se muestra en la Figura 17.

Ponga la palanca de elevación en la posición de retención más alta.
Mida la distancia entre el bastidor de la unidad de tracción y el tubo de pivote, como se muestra en la Figura 18.

Si la distancia no es de 0.15-0.45 cm (0.06"-0.18"), ajuste la varilla como se indica a continuación:
Retire el perno y la tuerca que sujetan la varilla al tubo de pivote (Figura 19).

Gire la articulación esférica indicada en Figura 19 para cambiar la longitud de la varilla, como se indica a continuación:
Para aumentar el espacio, acorte la varilla.
Para reducir el espacio, alargue la varilla.
Instale la varilla con el perno y la contratuerca y mida la distancia de nuevo.
Repita este procedimiento hasta que el espacio sea correcto.
Apriete las contratuercas que sujetan la varilla del muelle hasta que se vea 6-13 mm (¼"-½") de rosca para tensar el muelle (Figura 20).

Note: Al ajustar la varilla del muelle se varía el esfuerzo necesario para elevar el sistema; cuanto más largos sean los extremos de los pernos, más fácil será elevar la barra de herramientas. Ajuste los muelles hasta obtener una fuerza de elevación cómoda. Cuanto más tensado esté el muelle, menos presión ejercerá la barra de herramientas sobre el suelo.
Instale la cubierta de la rueda derecha.
Instale las ruedas traseras y retire los soportes fijos de debajo de la parte trasera de la máquina; consulte el Manual del operador de la máquina.
Mueva la palanca de elevación a la posición de transporte (muesca superior).
Gire el perno excéntrico en cualquier sentido hasta que los dientes de la barra de herramientas estén paralelos a la muesca del brazo de elevación (Figura 17 y Figura 21).
Important: El perno excéntrico no gira 360 grados. Cuando llegue a su tope, no intente obligarlo a girar más o se dañará. Gírelo en el otro sentido.

Apriete el perno de pivote central (Figura 13, 4) a 20-25 N·m (175-225 pulgadas-libra).
Apriete la tuerca que sujeta el perno excéntrico hasta que esté firme, pero no lo apriete demasiado.
Compruebe el funcionamiento del accesorio.
Piezas necesarias en este paso:
| Suplemento (Pieza Nº 110-7379) | 1 |
| Suplemento (Pieza Nº 110-7380) | 1 |
| Suplemento (Pieza Nº 110-7381) | 1 |
Después de instalar la barra de herramientas y apretar las fijaciones, utilice el procedimiento siguiente para verificar que los dientes de la barra de herramientas están nivelados.
Estacione la máquina en una superficie nivelada.
Compruebe que todos los neumáticos tienen la misma presión. Consulte el Manual del operador para obtener más información sobre la comprobación de la presión de los neumáticos.
Baje la barra de herramientas hasta que los dientes apenas toquen el suelo.
Si los dientes de la barra de herramientas tocan el suelo uniformemente, la barra de herramientas está nivelada.
Note: Si los dientes de un lado de la barra de herramientas entran en contacto con el suelo antes que los del otro lado, nivele la barra de herramientas. Siga el resto del procedimiento para nivelarla.
Mida el espacio entre los dientes de la barra de herramientas y el suelo en el lado que debe ser nivelado, luego utilice la tabla siguiente para determinar el suplemento a instalar, en función del espacio medido.
| Suplementos (grosor en mm/pulgadas) | Cambio de altura de los dientes (mm/pulgadas) en el borde exterior |
| 110-7380 (1.8973 mm (0.0747")) | 3.175 mm (⅛") |
| 110-7381 (1345") | 6.35 mm (¼") |
| 110-7379 y 110-7381 (5.3187 mm (0.2094")) | 9.525 mm (⅜") |
| 110-7380 (12.7 mm (0.25")) | 11.1125 mm (7/16") |
| 110-7379 y 110-7380 (8.2473 mm (0.3247")) | 14.2875 mm (9/16") |
Afloje los pernos que sujetan el soporte del tubo de pivote para crear un espacio entre el bastidor y el soporte del tubo de pivote (Figura 22).

Note: Para instalar el suplemento, puede ser necesario retirar el pedal de elevación para tener acceso al soporte del tubo de pivote. Consulte Instalación del pedal de elevación de la barra de herramientas.
Instale los suplementos y apriete todas las fijaciones.
Compruebe que la barra de herramientas ha quedado nivelada. Si no, haga los ajustes necesarios.
Lea la documentación.
Guarde la documentación en un lugar seguro.
Para bajar la barra de herramientas, mueva la palanca de elevación a la izquierda, bájela, y muévala a la derecha, a la posición de retención deseada.
Para elevar la barra de herramientas, mueva la palanca de elevación a la izquierda, súbala, y muévala a la derecha, a la posición de retención deseada.
Para elevar la barra de herramientas y bloquearla en la posición de transporte, mueva la palanca de elevación a la posición más alta y pise el pedal de elevación de la barra de herramientas.
Para liberar la barra de herramientas de la posición de transporte, mueva la palanca de elevación a una posición inferior.
Note: Si utiliza la barra de herramientas escarificadora, rote los dientes para aumentar su vida útil.
Note: Para obtener la posición de funcionamiento deseada, puede ser necesario bajar la barra de herramientas más allá de la posición deseada y elevarla de nuevo.
Durante el uso, puede bajar la barra de herramientas a su posición de funcionamiento conduciendo la máquina lentamente en marcha atrás mientras ajusta la barra de herramientas a la profundidad deseada. Una vez que la barra esté en la posición deseada, conduzca hacia adelante. Los dientes entrarán en contacto con el suelo, arrastrando la barra de herramientas a su posición de trabajo.
Para ajustar la presión descendente de la herramienta sobre el suelo, ajuste la tensión del muelle de la varilla ajustable. Usando una llave inglesa de ¾", enrosque el manguito del muelle de la varilla ajustable a la derecha para aumentar la presión descendente o en el sentido opuesto para reducirla (Figura 23).
Note: Esto no cambia el ajuste de la varilla ajustable realizado en la sección Ajuste de la tensión del muelle del pivote y el conjunto de la varilla ajustable.

Utilice la tabla siguiente y la figura como guía para ajustar la presión descendente de la barra de herramientas (Figura 24).
| Tabla de fuerzas del muelle | |
| Dimensión (cm/pulgadas) | Fuerza (kg/libras) |
| 7.62 (3.00) | 108 (238) |
| 7.31 (2.88) | 152 (335) |
| 6.98 (2.75) | 195 (430) |
| 6.65 (2.62) | 239 (526) |
| 6.35 (2.50) | 283 (623) |

| Problem | Possible Cause | Corrective Action |
|---|---|---|
| Se necesita una fuerza excesiva para elevar el accesorio. |
|
|
| La palanca no queda bloqueada en las ranuras de la placa de retención. |
|
|
| La barra de herramientas no pivota hasta la altura deseada. |
|
|
| La presión descendente del accesorio es demasiado ligera. |
|
|
| Hay contacto irregular con el suelo durante los giros. |
|
|
| La máquina se detiene si choca con un obstáculo. |
|
|
| Los dientes de la barra de herramientas no están nivelados. |
|
|