Údržba
Mazání adaptéru přídavného zařízení
Jestliže se pojistná páka adaptéru přídavného zařízení neotáčí volně a zlehka, aplikujte malé množství maziva do místa vyobrazeného na Obrázek 15.

Přečtěte si pečlivě následující informace. Dozvíte se, jak správně výrobek používat a jak jej udržovat. Dále získáte informace, jak zabránit poškození výrobku a úrazu při práci s ním. Za správný a bezpečný provoz výrobku nese odpovědnost majitel.
Společnost Toro můžete kontaktovat přímo na adrese www.Toro.com. Zde najdete informace o výrobcích a příslušenství, můžete zde vyhledat prodejce nebo zaregistrovat svůj výrobek.
Kdykoli budete potřebovat servis, originální náhradní díly Toro nebo další informace, kontaktujte autorizované servisní středisko nebo centrum zákaznických služeb Toro. Připravte si informace o názvu modelu a sériové číslo. Obrázek 1 znázorňuje umístění čísla modelu a sériového čísla na produktu. Tyto údaje zapište do následujícího pole.

Tato příručka identifikuje potenciální rizika a uvádí bezpečnostní sdělení označená varovným bezpečnostním symbolem (Obrázek 2) signalizujícím riziko, které může vést k vážnému úrazu nebo usmrcení, nebudete-li doporučená opatření dodržovat.

Ke zdůraznění informací se v této příručce používají dva výrazy. Důležité upozorňuje na speciální technické informace a Poznámka zdůrazňuje obecné informace, kterým je třeba věnovat zvláštní pozornost.
![]() |
Bezpečnostní štítky a pokyny jsou umístěny na viditelném místě v blízkosti každého prostoru představujícího potenciální nebezpečí. V případě ztráty nebo poškození původní nálepky nahraďte nálepku novou. |

Díly potřebné k provedení tohoto kroku:
| Montážní celek hřebové brány | 1 |
| Tažná tyč | 1 |
| Šroub (½ x 1 ¾ in) | 1 |
| Přírubová matice (½ in) | 1 |
| Šestihranná matice (½ in) | 1 |
| Šroub s přírubovou hlavou (⅜ x 1 in) | 1 |
| Přírubová matice (⅜ in) | 1 |
| Montážní celek adaptéru přídavného zařízení | 1 |
| Závlačka | 2 |
| Montážní celek zvedacího ramene | 1 |
| Otočná tyč | 1 |
| Šroub (⅜ x 1 ¼ in) | 1 |
| Pojistná matice (⅜ in) | 1 |
Tažnou tyč volně upevněte k přednímu otvoru v sestavě závěsu (Obrázek 3) pomocí šroubu (½ x 1 ¾ in), přírubové matice (½ in) a šestihranné matice (½ in).

Trubku oje volně namontujte do zadního otvoru v sestavě závěsu pomocí šroubu s přírubovou hlavou (⅜ x 1 in) a přírubové matice (⅜ in).
Utáhněte matice následujícím momentem:
Přírubová matice (½ in) – 104 až 126 Nm
Šestihranná matice (½ in) – 91 až 113 Nm
Přírubová matice (⅜ in) – 22 až 27 Nm
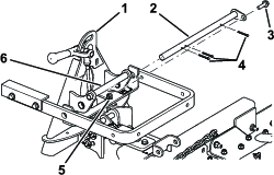
Vyrovnejte zvedací rameno s držákem na adaptéru přídavného zařízení (Obrázek 4) a připojte je pomocí otočné tyče, viz Obrázek 5.
Note: Při přemisťování adaptéru přídavného zařízení používejte rukojeť na jeho zadní straně (Obrázek 4).


Zajistěte otočnou tyč (Obrázek 5) pomocí 3 závlaček, šroubu (⅜ x 1 ¼ in) a pojistné matice (⅜ in).
Díly potřebné k provedení tohoto kroku:
| Šroub (⅜ x 2 ½ in) | 2 |
| Podložka (⅜ x ⅞ in) | 4 |
| Rozpěrný kroužek | 2 |
| Pojistná matice (⅜ in) | 2 |
Ze zadní části stroje demontujte veškerá přídavná zařízení.
Spusťte adaptér hnací jednotky dolů a najeďte hnací jednotkou před adaptér přídavného zařízení.
Note: Přesvědčte se, zda je pojistná páka otočena doleva (odjištěná poloha) při pohledu ze zadní strany stroje.
Nasuňte adaptér přídavného zařízení na adaptér hnací jednotky.
Important: Dlouhé rameno montážního celku zvedacího ramene musí být pod sestavou zadního rámu hnací jednotky (Obrázek 6).
Mezi adaptéry přídavného zařízení a hnací jednotky hrozí nebezpečí skřípnutí prstů.
Přídavné zařízení vždy zvedejte a posunujte pomocí rukojeti v zadní části adaptéru přídavného zařízení (Obrázek 6).
Otočením pojistné páky doprava adaptéry připojte jeden k druhému.
Horní článek každého řetězu připevněte k vnější straně zvedacího ramene (Obrázek 6) pomocí šroubu (⅜ x 2 ½ in), 2 podložek (⅜ x ⅞ in), rozpěrného kroužku a pojistné matice (⅜ in).

Note: V zájmu zajištění správné funkce brány musí být řetězy volné, když je brána ve snížené (provozní) poloze.
Note: Ujistěte se, že se všechny dokončovací brány správně překrývají, že leží naplocho a žádný z řetězů není zamotaný nebo zkroucený.
S bránou namontovanou na hnací jednotce a řádně zabezpečenou zvedněte přídavné zařízení.
Změřte vzdálenost mezi tlustostěnnou podložkou a ramenem zvedacího třmenu na adaptéru přídavného zařízení, viz Obrázek 7.
Note: Táhlo je správně seřízeno, pokud mezi tlustostěnnou podložkou a ramenem zvedacího třmenu naměříte mezeru 1,5 až 2 mm (Obrázek 7).

Pokud mezera nemá správný rozměr, povolte pojistnou matici a mezeru utažením nebo povolením stavěcí matice na montážním celku táhla podle potřeby upravte (Obrázek 7).

Před uhrabáváním bunkru si přečtěte tuto kapitolu. Nastavení přídavného zařízení na hřebové bráně ovlivňuje mnoho podmínek. Struktura a hloubka písku, vlhkost, zaplevelení a míra zhutnění se mohou na různých hřištích, nebo dokonce na různých bunkrech na stejném hřišti lišit. Pružinové hrábě nastavujte tak, abyste zajistili optimální výsledky v prostoru, kde budete pracovat.
Uhrabávání si nacvičte na velkém a rovném bunkru na hřišti. Nacvičte si rozjíždění a zastavování, otáčení, zvedání a spouštění brány, vjíždění do bunkru a jeho opouštění a podobné techniky. Nacvičujte při středních otáčkách motoru a nízké pojezdové rychlosti. Období nácviku vám pomůže získat jistotu při ovládání stroje.
Note: Pokud je přídavné zařízení spuštěno dolů, s žací jednotkou necouvejte. Mohlo by dojít k poškození přídavného zařízení.
Pokud je písek dostatečně hluboký, na rovných místech můžete uhrabávat až k okraji bunkru.
Pokud písek přesahuje na trávník, zůstaňte dostatečně daleko od okraje, aby nedošlo k narušení podkladové půdy.
Neuhrabávejte příliš blízko u krátkého a strmého břehu. Písek se bude sesunovat na dno bunkru.
Na strmých březích, v malých kapsách atd. může být potřebné provést dodatečné úpravy ručními hráběmi.
Bunkr uhrabávejte podle schématu, viz Obrázek 9. Díky němu předejdete nepotřebnému překrývání, zajistíte minimální zhutňování povrchu a na písku vytvoříte zajímavý a vzhledný vzor.
Do bunkru vjíždějte v přímém podélném směru v místě, kde je jeho okraj nejméně strmý. Projeďte středem bunkru téměř až na jeho konec a co možná nejostřeji zatočte jedním směrem tak, abyste se vraceli zpět těsně podél prvního průjezdu. Vytvořte spirálu směřující ven, viz nákres, a opusťte bunkr v pravém úhlu na rovném místě.
Vynechejte prudké, krátké okraje a malé kapsy, jež následně upravte pomocí ruční brány.

Při vjíždění do bunkru bránu nespouštějte, dokud nebude umístěna nad pískem. Tím předejdete poškození trávníku nebo vtažení posekané trávy nebo jiných nečistot do bunkru. Bránu spouštějte za jízdy se strojem.
Při opouštění bunkru zahajte zvedání brány v okamžiku, kdy přední kola opustí bunkr. Při vyjíždění stroje se bude brána zvedat a nedojde tedy k zanesení písku do trávníku.
Zkušenostmi a praxí brzy zjistíte, jak úkon vjíždění do bunkru a jeho opouštění správně načasovat.
Změnou polohy brány zvýšíte nebo snížíte její razanci v písku. Abyste získali požadovaný stupeň razance, upevněte tažnou tyč a bránu dle následujících obrázků.
Délku stíracích lišt můžete nastavit podle toho, chcete-li zvýšit nebo snížit míru průniku hřebu.
Povolte montážní šrouby stírací lišty, přesuňte lištu nahoru nebo dolů do požadované polohy a šrouby utáhněte (Obrázek 12).

Povolte pojistné matice a otočením dorazových šroubů brány (Obrázek 13) ven omezte otáčení brány do stran. Nastavení zajistěte utažením pojistných matic.

Na dokončovací brány můžete připevnit volitelná závaží, pokud je písek vlhký nebo hrubý nebo pokud jsou v bunkrech hluboké stopy. Od autorizovaného prodejce Toro si opatřete díl s objednacím číslem 18-7570.
Pomocí následujícího postupu zvýšíte polohu brány pro přepravu.
Montážní celek brány a zvedacího závěsu spusťte co nejvíce dolů.
Odpojte řetězy od zvedacích ramen a upevněte je výše.
Note: Abyste zajistili správnou funkci brány, před jejím použitím řetězy vraťte do původní prověšené polohy.
Po dokončení hrabání stroj pečlivě vyčistěte. Vzhledem k tomu, že stroj používáte především v písku, který má značné abrazivní účinky, po každém použití jej ze stroje smyjte. Pokud stroj čistíte často (před tím, než může písek zatvrdnout), čistěte jej proudem vody z hadice s odstraněnou tryskou. Vysokotlaký proud by totiž mohl zanést písek do míst podléhajících opotřebení a působit tam jako brusné médium.
Note: Pokud adaptér příslušenství uvízne v adaptéru hnací jednotky, zasuňte páčidlo nebo šroubovák do uvolňovacího otvoru a díly uvolněte (Obrázek 14).

Jestliže se pojistná páka adaptéru přídavného zařízení neotáčí volně a zlehka, aplikujte malé množství maziva do místa vyobrazeného na Obrázek 15.
