Mantenimiento
-
Asegúrese de que el cepillo está paralelo al rodillo con una holgura de 1,5 mm, o con un contacto ligero.
-
Lubrique los engrasadores cada 50 horas o después de cada lavado.
-
Al cambiar el cepillo del rodillo, apriete los pernos en J a 2–3 N·m.
-
Al cambiar la polea arrastrada del eje del cepillo, apriete la tuerca a 36–45 N·m.
-
Al cambiar la polea motriz del cepillo, apriete el perno a 47–54 N·m.
Important: El autoafilado con una velocidad del molinete incorrecta puede aflojar y dañar las roscas de la polea motriz. Consulte el procedimiento de autoafilado en el Manual del operador de la unidad de corte.
-
El cepillo del rodillo, la polea tensora y la correa se consideran como componentes consumibles.
Alineación de la polea
-
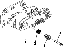
La polea arrastrada (en el eje del groomer) puede desplazarse hacia dentro y hacia fuera (Figura 39). Anote la dirección en que la polea debe desplazarse.

-
Mientras gira del molinete, que hará girar a su vez la polea motriz, haga palanca para retirar la correa de la polea motriz (Figura 39).
Note: Lleve un guante acolchado o utilice un trapo grueso para mover el moliente.
-
Retire la contratuerca que sujeta la polea arrastrada al eje del cepillo (Figura 39 o Figura 40). Sujete el eje del cepillo del rodillo para que no gire colocando una llave de ½" en las zonas planas del eje.
-
Retire la polea arrastrada del eje (Figura 40).
-
Para desplazar la polea hacia fuera, añada un espaciador de 0,8 mm de grosor (Figura 40).
Note: Para desplazar la polea hacia dentro, retire el espaciador existente de 0,8 mm de grosor.
-
Instale la polea.

-
Sujetando las zonas planas del eje del cepillo del rodillo, sujete la polea en el eje con la tuerca con arandela prensada de 3/8–16 que retiró anteriormente. Asiente la contratuerca y apriétela a 36–45 N·m.
-
Instale la correa sobre las poleas:
-
Coloque la correa alrededor de la polea arrastrada y luego por encima de la polea tensora (Figura 16).

-
Empiece a colocar la correa en la polea motriz (Figura 16).
-
Mientras guía la correa sobre la polea motriz, gire el molinete hacia adelante para que arrastre la correa por la polea motriz.
Note: Lleve un guante acolchado o utilice un trapo grueso para girar el molinete.
Important: Asegúrese de que los nervios de la correa están correctamente asentados en las ranuras de cada polea. Asegúrese también de que la correa está en el centro de la polea tensora.
-
-
Compruebe la alineación de la polea. Ajústela si es necesario.
Inmovilización del molinete
Advertencia
Las cuchillas del molinete están afiladas y pueden amputar las manos y los pies.
-
Mantenga las manos y los pies fuera del molinete.
-
Asegúrese de que el molinete esté inmovilizado antes de realizar tareas de mantenimiento.
Inmovilización del molinete para retirar insertos roscados
-
Afloje el perno del deflector a la izquierda de la unidad de corte y eleve el deflector trasero (Figura 42).
-
Introduzca una palanca de mango largo (se recomienda una palanca de ⅜" x 12" con mango de destornillador) a través de la parte trasera del molinete de corte, junto al lado de la unidad de corte que se va a apretar (Figura 42).
-
Coloque la palanca contra la parte soldada de la placa de soporte del molinete (Figura 42).
Note: Inserte la palanca entre la parte superior del eje del molinete y las partes traseras de las 2 cuchillas del molinete, para que el molinete no se mueva.
Important: No toque con el borde de corte de las cuchillas la palanca, ya que puede dañar el borde de corte y/o causar una cuchilla alta.
Important: El inserto del lado izquierdo de la unidad de corte tiene roscas a izquierdas. El inserto del lado derecho de la unidad de corte tiene roscas a derechas.

-
Apoye el mango de la palanca contra el rodillo trasero.
-
Retire el inserto roscado al mismo tiempo que se asegura de que la palanca se mantiene en su sitio y, a continuación, retire la palanca.
-
Baje el deflector trasero y apriete el perno del deflector.
Inmovilización del molinete para instalar insertos roscados
-
Introduzca una palanca de mango largo (se recomienda una palanca de ⅜" x 12" con mango de destornillador) a través de la parte delantera del molinete de corte, junto al lado de la unidad de corte a apretar (Figura 43).
-
Coloque la palanca contra la parte soldada del refuerzo del molinete de corte interno (Figura 43).
Note: La palanca debe tocar una cuchilla en la parte delantera, el eje del molinete y una cuchilla en la parte trasera del molinete, para bloquearlo en su lugar.
Important: No toque con el borde de corte de las cuchillas la palanca, ya que puede dañar el borde de corte y/o causar una cuchilla alta.
Important: El inserto del lado izquierdo de la unidad de corte tiene roscas a izquierdas. El inserto del lado derecho de la unidad de corte tiene roscas a derechas.

-
Apoye el mango de la palanca contra el rodillo
-
Según las instrucciones de instalación del inserto y los requisitos de apriete, complete la instalación del inserto con roscas, al mismo tiempo que se asegura de que la palanca se mantiene en su lugar y, a continuación, retire la palanca.





























