Onderhoud
-
Controleer of de borstel evenwijdig is aan de rol en licht contact maakt of een speling heeft van maximaal 1,5 mm.
-
Smeer de nippels elke 50 uur of na elke wasbeurt.
-
Draai na het vervangen van de rolborstel de J-bouten vast met een torsie van 2-3 N·m.
-
Draai bij het vervangen van de aangedreven poelie van de borstelschacht de moer vast met een torsie van 36-45 N·m.
-
Draai bij het vervangen van de aandrijfpoelie van de borstel de moer vast met een torsie van 47-54 N·m.
Important: Als de messen worden gewet bij het verkeerde toerental van de messenkooi, kan de schroefdraad van de aandrijfpoelies losraken en wegslijten. Raadpleeg de gebruikershandleiding voor de maaidekken voor de wetprocedure.
-
De rolborstel, het lager van de spanpoelie en de riem moeten na verloop van tijd vervangen worden.
Poelies uitlijnen
-
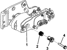
De aangedreven poelie (bij de schacht van de rolborstel) kan naar binnen of naar buiten bewegen (Figuur 39). Stel vast in welke richting de poelie moet bewegen.

-
Draai de messenkooi die de aandrijfpoelie laat draaien en verwijder de riem van de poelie (Figuur 39).
Note: Draag een dikke handschoen of gebruik een stevige doek om de messenkooi te draaien.
-
Verwijder de borgmoer waarmee de aangedreven poelie op de borstelas is bevestigd (Figuur 39 of Figuur 40). Plaats een momentsleutel van ½" op de schacht van de rolborstel zodat deze niet meedraait.
-
Verwijder de aangedreven poelie van de as (Figuur 40).
-
Als de poelie naar buiten moet bewegen, voegt u een afstandsstuk van 0,8 mm dik toe (Figuur 40).
Note: Als de poelie naar binnen moet bewegen, verwijdert u het bestaande afstandsstuk van 0,8 mm dik.
-
Monteer de poelie.

-
Bevestig de poelie op de as met de eerder verwijderde flensmoer terwijl u de as van de rolborstel tegenhoudt. Plaats de borgmoer en draai deze vast met een torsie van 36-45 N·m.
-
Plaats de riem als volgt op de poelies:
-
Leg de riem rond de aangedreven poelie en vervolgens over de bovenzijde van de spanpoelie (Figuur 16).

-
Begin de riem aan te brengen op de aandrijfpoelie (Figuur 16).
-
Terwijl u de riem op de aandrijfpoelie legt, moet u de messenkooi vooruit draaien om de riem op de aandrijfpoelie te trekken.
Note: Draag een dikke handschoen of gebruik een stevige doek om de messenkooi te draaien.
Important: Zorg ervoor dat de ribbels op de riem zich goed in de groeven van de poelies bevinden. Zorg er ook voor dat de riem zich in het midden van de spanpoelie bevindt.
-
-
Controleer de uitlijning van de poelies. Pas aan indien nodig.
De messenkooi tegenhouden
Waarschuwing
De messen van de messenkooi zijn scherp en kunnen handen of voeten afsnijden.
-
Houd uw handen en voeten uit de messenkooi.
-
Zorg ervoor dat de messenkooi wordt tegengehouden voordat u er servicewerkzaamheden aan verricht.
De messenkooi tegenhouden om inzetstukken met schroefdraad te verwijderen
-
Maak de bout van het scherm aan de linkerzijde van de maai-eenheid los en breng het achterscherm omhoog (Figuur 42).
-
Steek een rolkoevoet met lange steel (⅜" x 12" met schroevendraaierhandgreep wordt aanbevolen) door de achterkant van de messenkooi, het dichtst bij de zijde van de maai-eenheid die u gaat vastdraaien (Figuur 42).
-
Plaats het breekijzer tegen de gelaste zijde van de steunplaat van de messenkooi (Figuur 42).
Note: Steek het breekijzer tussen de bovenkant van de as van de messenkooi en de achterkant van 2 messenkooimessen zodat de messenkooi niet kan bewegen.
Important: Raak de snijrand van de messen niet aan met het breekijzer; dit kan de snijrand beschadigen en/of ervoor zorgen dat het mes te hoog komt te zitten.
Important: Het inzetstuk aan de linkerkant van de maai-eenheid heeft een linkse schroefdraad. Het inzetstuk aan de rechterkant van de maai-eenheid heeft een rechtse schroefdraad.

-
Laat de handgreep van get breekijzer rusten tegen de achterol.
-
Voltooi de verwijdering van het inzetstuk met schroefdraad terwijl u ervoor zorgt dat de rolkoevoet op zijn plaats blijft zitten. Verwijder daarna het breekijzer.
-
Laat het achterscherm naar beneden en maak de bout van het scherm vast.
De messenkooi tegenhouden om inzetstukken met schroefdraad te monteren
-
Steek een rolkoevoet met lange steel (⅜" x 12" met schroevendraaierhandgreep wordt aanbevolen) door de voorkant van de messenkooi, het dichtst bij de zijde van de maai-eenheid die u gaat vastdraaien (Figuur 43).
-
Plaats het breekijzer tegen de gelaste zijde van de interne versterking van de messenkooi (Figuur 43).
Note: Het breekijzer moet contact maken met een mes aan de voorkant, de as van de messenkooi en een mes aan de achterzijde van de messenkooi, waardoor deze op zijn plaats gehouden wordt.
Important: Raak de snijrand van de messen niet aan met het breekijzer; dit kan de snijrand beschadigen en/of ervoor zorgen dat het mes te hoog komt te zitten.
Important: Het inzetstuk aan de linkerkant van de maai-eenheid heeft een linkse schroefdraad. Het inzetstuk aan de rechterkant van de maai-eenheid heeft een rechtse schroefdraad.

-
Laat de handgreep van het breekijzer rusten tegen de rol
-
Voltooi de montage van het inzetstuk met schroefdraad volgens de montage-instructies van het inzetstuk en de vereiste torsie. Zorg er hierbij voor dat het breekijzer op zijn plaats blijft zitten. Verwijder daarna de rolkoevoet.





























