Техническое обслуживание
-
Убедитесь, что щетка параллельна катку и неплотно прилегает к нему с зазором не более 1,5 мм.
-
Заправляйте масленки консистентной смазкой через каждые 50 часов работы или после каждой мойки.
-
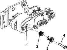
При замене щетки катка затяните J-образные болты с моментом 2–3 Н•м.
-
При замене ведомого шкива вала щетки затяните гайку с моментом от 36 до 45 Н•м.
-
При замене ведущего шкива щетки затяните болт с моментом от 47 до 54 Н•м.
Important: Неправильная скорость вращения барабана при заточке обратным вращением может привести к ослаблению и выходу наружу витков резьбы ведущего шкива. Порядок заточки обратным вращением см. в Руководстве оператора.
-
Щетка катка, подшипник натяжного шкива и ремень считаются расходными материалами.
Выравнивание шкива
-
Ведомый шкив (на валу щетки катка) можно переместить внутрь или наружу (Рисунок 39). Отметьте, в какую сторону необходимо сместить шкив.

-
Вращая барабан, который будет вращать ведущий шкив, снимите с помощью рычага ремень с ведущего шкива (Рисунок 39
Note: Используйте стеганые перчатки или плотную ткань, чтобы повернуть барабан.
-
Отверните контргайку крепления ведомого шкива к валу щетки (Рисунок 39 или Рисунок 40). Установите ключ 1/2 дюйма на плоские грани вала, чтобы предотвратить его вращение.
-
Снимите ведомый шкив с вала (Рисунок 40).
-
Если необходимо сместить шкив наружу, добавьте одну проставку толщиной 0,8 мм (Рисунок 40).
Note: Если необходимо сместить шкив внутрь, удалите одну установленную ранее проставку толщиной 0,8 мм.
-
Установите шкив.

-
Удерживая плоские грани вала щетки катка, закрепите шкив на валу с помощью ранее снятой фланцевой гайки 3/8–16. Посадите на место контргайку, затем затяните ее с моментом от 36 до 45 Н•м.
-
Установите ремень на шкивы следующим образом:
-
Обведите ремень вокруг ведомого шкива, а затем проложите по верхней части натяжного шкива (Рисунок 16).

-
Начните надевать ремень на ведущий шкив (Рисунок 16).
-
Направляя ремень на ведущий шкив, вращайте барабан вперед, чтобы надеть ремень на ведущий шкив.
Note: Для поворота барабана используйте стеганые перчатки или плотную ткань.
Important: Убедитесь в том, что ребра ремня правильно установлены в канавки каждого шкива. Убедитесь также, что ремень находится по центру натяжного шкива.
-
-
Проверьте выравнивание шкивов. При необходимости произведите регулировку.
Фиксация барабана
Предупреждение
Ножи барабанного режущего блока острые и могут привести к травматической ампутации рук и ног.
-
Держите руки и ноги на достаточном расстоянии от барабана.
-
Убедитесь в том, что барабан зафиксирован, прежде чем производить его техническое обслуживание.
Фиксация барабана для снятия резьбовых вставок
-
Ослабьте затяжку болта щитка на левой стороне режущего блока и поднимите задний щиток (Рисунок 42).
-
Вставьте монтировку с длинной ручкой (рекомендуется использовать монтировку размером 0,95 x 30 см [⅜ x 12 дюймов] с рукояткой как у отвертки) через заднюю часть режущего барабана, максимально близко к боковой части режущего блока, к которому вы будете прилагать крутящий момент (Рисунок 42).
-
Установите монтировку так, чтобы она была прижата к сварной стороне опорной пластины барабана (Рисунок 42).
Note: Вставьте монтировку между верхней частью вала барабана и задними частями 2 ножей барабана так, чтобы барабан не двигался.
Important: Не допускается контакт монтировки с режущей кромкой ножей; это может привести к повреждению режущей кромки и/или к смещению ножа в верхнее положение.
Important: Вставка с левой стороны режущего блока имеет левостороннюю резьбу. Вставка с правой стороны режущего блока имеет правостороннюю резьбу.

-
Прижмите рукоятку монтировки к заднему валику.
-
Снимите резьбовую вставку, при этом убедитесь в том, что монтировка остается на месте, затем извлеките монтировку.
-
Опустите задний щиток и затяните болт щитка.
Фиксация барабана при установке резьбовых вставок
-
Вставьте монтировку с длинной ручкой (рекомендуется использовать монтировку размером 0,95 x 30 см [⅜ x 12 дюймов] с рукояткой как у отвертки) через переднюю часть режущего барабана, максимально близко к боковой части режущего блока, к которому вы будете прилагать крутящий момент (Рисунок 43).
-
Установите монтировку так, чтобы она была прижата к сварной стороне внутреннего усиливающего компонента барабанного режущего блока (Рисунок 43).
Note: Монтировка должна касаться передней части ножа, вала барабана и задней части ножа в задней части барабана, фиксируя его на месте.
Important: Не допускается контакт монтировки с режущей кромкой ножей; это может привести к повреждению режущей кромки и/или к смещению ножа в верхнее положение.
Important: Вставка с левой стороны режущего блока имеет левостороннюю резьбу. Вставка с правой стороны режущего блока имеет правостороннюю резьбу.

-
Прижмите рукоятку монтировки к валику.
-
Следуя инструкциям по установке вставки и соблюдая требования к моментам затяжки, установите резьбовую вставку, при этом убедитесь в том, что монтировка остается на месте, затем извлеките монтировку.





























