Kunnossapito
-
Varmista, että harja on yhdensuuntainen rullan kanssa ja että niiden välillä on 1,5 mm vapaata tilaa tai kevyt kosketus.
-
Rasvaa nipat 50 käyttötunnin välein tai jokaisen pesun jälkeen.
-
Kun vaihdat rullaharjan, kiristä J-pultit momenttiin 2–3 N·m.
-
Kun vaihdat harjan akselin käytettävän hihnapyörän, kiristä mutteri momenttiin 36–45 N·m.
-
Kun vaihdat harjan käyttöpyörän, kiristä pultti momenttiin 47–54 N·m.
Important: Läppäys väärällä kelan nopeudella voi löysentää ja kuluttaa käyttöpyörän kierteitä. Katso läppäysohjeet leikkuuyksikön käyttöoppaasta.
-
Rullaharja, kiristinpyörän laakeri ja hihnat ovat kuluvia osia.
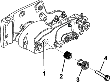
Hihnapyörien kohdistus
-
Käytettävää hihnapyörää (rullaharjan akselissa) voidaan siirtää sisään tai ulos (Kuva 39). Paina mieleesi, mihin suuntaan hihnapyörää on siirrettävä.

-
Kierrä kelaa, joka pyörittää käyttöpyörää, ja vipua hihna pois käyttöpyörältä (Kuva 39).
Note: Käytä paksua hansikasta tai liinaa, kun kierrät kelaa.
-
Irrota lukkomutteri, jolla käytettävä hihnapyörä on kiinnitetty harjan akseliin (Kuva 39 tai Kuva 40). Pidä rullaharjan akseli paikallaan 1/2 tuuman kiintoavaimen avulla.
-
Irrota käytettävä hihnapyörä akselista (Kuva 40).
-
Jos hihnapyörää on siirrettävä ulospäin, lisää yksi 0,8 mm:n välikappale (Kuva 40).
Note: Jos hihnapyörää on siirrettävä sisäänpäin, poista 0,8 mm:n välikappale.
-
Asenna hihnapyörä.

-
Pidä harjan akselia ja kiinnitä hihnapyörä akseliin aiemmin irrotetulla 3/8-16-laippamutterilla. Aseta lukkomutteri paikalleen ja kiristä se sitten momenttiin 36–45 N·m.
-
Asenna hihna hihnapyöriin seuraavasti:
-
Kierrä hihna käytettävän hihnapyörän ympärille ja sitten kiristinpyörän yläosan päälle (Kuva 16).

-
Aloita hihnan asettaminen käyttöpyörälle (Kuva 16).
-
Ohjaa hihnaa käyttöpyörälle ja kierrä kelaa samalla eteenpäin, jotta hihna menee käyttöpyörän päälle.
Note: Käytä paksua hansikasta tai liinaa, kun kierrät kelaa.
Important: Varmista, että hihnan paksunnokset asettuvat oikein kunkin pyörän uriin. Varmista myös, että hihna on kiristinpyörän keskellä.
-
-
Tarkista hihnapyörän kohdistus. Säädä tarvittaessa.
Kelan pitely
Vaara
Leikkuukelan terät ovat teräviä ja voivat katkaista käden tai jalan.
-
Pidä kädet ja jalat kelan ulkopuolella.
-
Varmista ennen kelan huoltoa, että sitä pidellään.
Kelan pitely kierreholkkien irrotusta varten
-
Löysää leikkuuyksikön vasemmalla puolella olevaa suojuksen pulttia ja nosta takasuojus (Kuva 42).
-
Aseta pitkävartinen vääntörauta (suositus ⅜ × 12 tuumaa ja ruuvimeisselikahva) leikkuukelan takaosan läpi lähinnä leikkuuyksikön kiristettävää puolta (Kuva 42).
-
Aseta vääntörauta kelan tukilevyn hitsattua puolta vasten (Kuva 42).
Note: Aseta vääntörauta kela-akselin yläosan ja kahden kelaterän takaosan väliin niin, että kela ei liiku.
Important: Älä koske terien leikkuusärmiin vääntöraudalla, sillä tämä saattaa vaurioittaa leikkuusärmää ja/tai aiheuttaa korkean terän.
Important: Leikkuuyksikön vasemmalla puolella olevassa holkissa on vasemmanpuoleiset kierteet. Leikkuuyksikön oikealla puolella olevassa holkissa on oikeanpuoleiset kierteet.

-
Aseta vääntöraudan kahva takarullaa vasten.
-
Irrota kierreholkki ja varmista, että vääntörauta pysyy paikallaan. Poista sitten vääntörauta.
-
Laske takasuojus ja kiristä suojuksen pultti.
Kelan pitely kierreholkkien asennusta varten
-
Aseta pitkävartinen vääntörauta (suositus ⅜ × 12 tuumaa ja ruuvimeisselikahva) leikkuukelan etuosan läpi lähinnä leikkuuyksikön kiristettävää puolta (Kuva 43).
-
Aseta vääntörauta sisäisen leikkuukelan vahvikkeen hitsattua puolta vasten (Kuva 43).
Note: Vääntöraudan on koskettava terää etuosassa, kela-akselia ja terää kelan takaosassa, jolloin se lukittuu paikalleen.
Important: Älä koske terien leikkuusärmiin vääntöraudalla, sillä tämä saattaa vaurioittaa leikkuusärmää ja/tai aiheuttaa korkean terän.
Important: Leikkuuyksikön vasemmalla puolella olevassa holkissa on vasemmanpuoleiset kierteet. Leikkuuyksikön oikealla puolella olevassa holkissa on oikeanpuoleiset kierteet.

-
Aseta vääntöraudan kahva rullaa vasten.
-
Ota holkin asennusohjeet ja kireysvaatimukset huomioon ja suorita kierreholkin asennus ja varmista, että vääntörauta pysyy paikallaan. Poista sitten vääntörauta.





























