Vedlikehold
-
Påse at børsten er parallell med valsen med 1,5 mm klaring for lett kontakt.
-
Smør nipler hver 50. time eller etter hver vask.
-
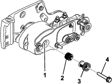
Trekk til J-boltene med et moment på 2 til 3 Nm ved utskifting av valsebørster.
-
Trekk til mutteren med et moment på 36 til 45 Nm ved utskifting av den børsteakseldrevne remskiven.
-
Trekk til bolten med et moment på 47 til 54 Nm når du setter på plass igjen børstedrivremskive.
Important: Sliping ved feil spolehastighet kan løsne og slipe vekk lederullens gjenger. Se brukerhåndboken for klippeenheten for slipeprosedyrer.
-
Valsebørste, lederullager og rem anses som forbruksgjenstander.
Remskiveinnretting
-
Den drevne remskiven (på valsebørsteakselen) kan beveges inn og ut (Figur 39). Noter hvilken vei remskiven må beveges.

-
Roter spolen, som samtidig rotere drivremskiven, og løft remmen av drivremskiven (Figur 39).
Note: Bruk en polstret hanske eller en tykk fille til å rotere spolen.
-
Fjern låsemutteren som fester den drevne remskiven til børsteakselen (Figur 39 eller Figur 40). Plasser en ½ tommes pipenøkkel på valsebørsteakselens flate område for å hindre den i å rotere.
-
Fjern den drevne remskiven fra akselen (Figur 40).
-
Hvis remskiven må flyttes utover, legg til et 0,8 mm tykt avstandsstykke (Figur 40).
Note: Hvis remskiven må flyttes innover, fjern det innsatte 0,8 mm tykke avstandsstykket.
-
Monter remskiven.

-
Hold på valsebørsteakselens flate område og fest remskiven på akselen med ⅜-16 flensmutteren som du fjernet tidligere. Sett låsemutteren på plass og trekk til med et moment på 36 til 45 Nm.
-
Monter remmen på remskivene på følgende måte:
-
Legg remmen rundt den drevne remskiven og så over toppen av lederullen (Figur 16).

-
Start remmen på drivremskiven (Figur 16).
-
Mens du fører remmen inn på drivremskiven, roter spolen frem for å trekke remmen inn på drivremskiven.
Note: Bruk en polstret hanske eller en tykk fille til å rotere spolen.
Important: Pass på at ribbene på remmen sitter skikkelig i sporene i hver remskive. Og påse at beltet er i midten av lederullen.
-
-
Kontroller at remskivene er korrekt innrettet. Juster om nødvendig.
Holde fast spolen
Advarsel
Klippeenhetens spolekniver er skarpe og kan amputere hender og føtter.
-
Hold hendene og føttene utenfor spolen.
-
Sjekk at spolen holdes fast før du utfører service på den.
Holde spolen fast for fjerning av gjengede innsatser
-
Løsne skyddbolten på venstre side av klippeenheten og hev bakskyddet (Figur 42).
-
Sett inn et brekkjern med langt håndtak (anbefalt ⅜ x 12 tommer skrutrekkerhåndtak) gjennom baksiden av klippespolen og nærmest den siden av klippeenheten som skal strammes (Figur 42).
-
Plasser brekkjernet mot spole-støtteplatens sveiseside (Figur 42).
Note: Sett brekkjernet inn mellom toppen av spoleakselen og baksiden av de to spoleknivene, slik at spolen ikke beveger seg.
Important: Kniveggene må ikke berøre brekkjernet, da dette kan skade kniveggen og/eller forårsake høy kniv.
Important: Innlegget på venstre side av klippeenheten er venstregjenget. Innlegget på høyre side av klippeenheten er høyregjenget.

-
Hvil håndtaket til brekkjernet mot den bakre valsen.
-
Fullfør fjerningen av den gjengede innsatsen samtidig som du passer på at brekkjernet forblir på plass. Fjern så brekkjernet.
-
Senk bakskyddet og stram skyddbolten.
Hold fast spolen mens du monterer de gjengede innsatsene
-
Sett inn et brekkjern med langt håndtak (anbefalt ⅜ x 12 tommer skrutrekkerhåndtak) gjennom fremsiden av klippespolen og nærmest den siden av klippeenheten som skal strammes (Figur 43).
-
Plasser brekkjernet mot sveisesiden til den interne kuttespolens forsterkning (Figur 43).
Note: Brekkjernet må være i kontakt med en kniv foran, spoleakselen og en kniv på baksiden av spolen, slik at den låses på plass.
Important: Kniveggene må ikke berøre brekkjernet, da dette kan skade kniveggen og/eller forårsake høy kniv.
Important: Innlegget på venstre side av klippeenheten er venstregjenget. Innlegget på høyre side av klippeenheten er høyregjenget.

-
Hvil brekkjernets håndtak mot valsen
-
Iht. monteringsinstruksjonene for innsatsen og kravene til stramming, fullfør monteringen av den gjengede innsatsen, samtidig som du passer på at brekkjernet sitter på plass. Deretter kan du fjerne brekkjernet.





























