Important: Voordat u de zijdelingse werktuigenbalk monteert, dient u een van de werktuigenbalken die geschikt zijn voor gebruik met uw systeem aan te schaffen. Neem voor meer informatie contact op met een erkende Toro distributeur.
Note: Als u werktuigenbalk 08733 of 08736 gaat monteren, moet u de beugels van de draaibuis monteren die zijn meegeleverd met de werktuigenbalken in plaats van diegene die zijn meegeleverd met dit werktuig. Raadpleeg de montage-instructies voor 08733 of 08736 voor meer informatie.
Note: Als u samen met een zijdelingse werktuigenbalk een manueel voormes wilt monteren, installeer dan eerst de werktuigenbalk.
Parkeer de tractie-eenheid op een horizontaal vlak en stel de parkeerrem in werking.
Zet de gashendel op laag stationair, breng het werktuig omlaag, en zorg ervoor dat de tractie in neutraal staat.
Zet de motor af, verwijder het sleuteltje, wacht totdat alle bewegende onderdelen tot stilstand zijn gekomen en laat alle onderdelen afkoelen.
Benodigde onderdelen voor deze stap:
| Bout (5/16" x 2¼") | 2 |
| Moer (5/16") | 2 |
| Hefgreep van de cultivator | 1 |
| Bout (½" x 3¼") | 2 |
| Platte borgmoer (½") | 2 |
| Borgplaat | 1 |
| Knop | 1 |
Breng de achterzijde van de machine omhoog op kriksteunen en verwijder de achterwielen; raadpleeg de Gebruikershandleiding van uw machine.
Note: Plaats de kriksteunen onder de motorophangplaten van de achterwielen; raadpleeg de Gebruikershandleiding van uw machine.
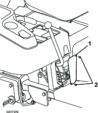
Verwijder de 4 flenskopschroeven waarmee het scherm van het rechterwiel aan het frame is bevestigd (Figuur 1).

Verwijder het scherm en bewaar het.
Note: Als de machine uitgerust is met een manueel mes (model 08714) moet u de rechtermontagebeugel van het mes verwijderen alvorens de hefarm te monteren.
Verwijder de 2 schroeven, 2 bouten, 2 ringen en 2 moeren waarmee het schermpaneel is bevestigd aan het frame en bewaar de ringen voor hermontage (Figuur 1).
Note: U mag het schermpaneel, de bouten, de schroeven en de moeren weggooien.
Monteer de montagebeugel van de hefgreep van de cultivator op de buizen van de rechtervoetsteun met 2 bouten (½" x 3¼") en platte borgmoeren (½") zoals wordt getoond in Figuur 2.

Note: Zorg ervoor dat de boutkoppen naar buiten wijzen en dat u de platte borgmoeren gebruikt.
Important: In de losse onderdelen bevinden zich zowel platte als dikke borgmoeren. Gebruik de platte borgmoeren bij deze stap. De dikke borgmoeren kunt u hier niet op vastzetten: ze zullen er uiteindelijk afvallen.
Note: Monteer de handgreep langs de onderkant van de tractie-eenheid. Steek de handgreep langs onder door de opening die ontstaan is toen het schermpaneel verwijderd werd.
Note: Demonteer de handgreep niet om deze in de tractie-eenheid te monteren.
Breng de borgplaat aan op de hefgreep van de cultivator.
Note: De handgreep moet tussen de borgplaat en de handgreepgeleider gaan (Figuur 3).

Monteer de borgplaat aan de achterkant van de verticale framebuis (rechts achteraan) met 2 bouten (5/16" x 2¼"), de 2 ringen die u eerder hebt verwijder in stap 4 en 2 borgmoeren (5/16"). Plaats de onderdelen zoals getoond in Figuur 3.
Draai de knop op de hefgreep (Figuur 3).
Controleer of de hefgreep haar volledige bereik in de borgplaat heeft en dat ze in elke stand kan worden geborgd.
Note: Als de hefgreep te los of te vast zit, draai dan de borgmoeren van de kantelinrichting van de hefgreep losser of vaster (Figuur 4).

Controleer de speling tussen de hefgreep en de hydraulische leidingen.
Note: Deze moet minstens 3 mm bedragen. Beweeg de hydraulische leiding voorzichtig op haar plaats (Figuur 2).
Benodigde onderdelen voor deze stap:
| Draaibuis | 1 |
| Trekveer | 1 |
| Veerstang | 1 |
| Beugel van draaibuis | 2 |
| Bout (⅜" x 3") | 4 |
| Borgmoer (⅜") | 6 |
| Veerbeugel | 1 |
| Bout (⅜" x 2¾") | 1 |
Note: Als u werktuigenbalk 08733 of 08736 gaat monteren, moet u de beugels van de draaibuis monteren die zijn meegeleverd met de werktuigenbalken in plaats van diegene die zijn meegeleverd met dit werktuig. Raadpleeg de montage-instructies voor 08733 of 08736 voor meer informatie.
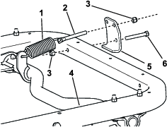
Verbind de trekveer met de veerbeugel van de draaibuis en met de veerstang (Figuur 5).

Breng de beugel van de draaibuis los aan op de rechterkant (Figuur 5).
Schuif de rechterkant van de draaibuis in de rechterbeugel van de draaibuis (Figuur 5).
Breng de veerstang aan in het gat van de veerbeugel, en zet lichtjes vast met een borgmoer (⅜").
Note: Plaats de veerstang zoals wordt getoond in Figuur 6.

Breng de linkerkant van de draaibuis omhoog ter hoogte van het frame en bevestig met een draaibuisbeugel, 2 bouten (⅜" x 3"), en 2 borgmoeren (⅜") (Figuur 5).
Monteer de veerbeugel op de voorste framebuis met een bout (⅜" x 2¾") en een borgmoer (⅜").
Note: Plaats de veerbeugel zoals wordt getoond in Figuur 6.
Draai alle bevestigingen vast, behalve de borgmoer waarmee de veerstang is bevestigd.
Benodigde onderdelen voor deze stap:
| Verstelbare stang | 1 |
| Bout (½" x 1½") | 1 |
| Borgmoer (½") | 2 |
Plaats het kogelgewricht van het korte eind van de verstelbare stang rechts van de hendel voor de verstelbare stang op de draaibuis (Figuur 7).

Beweeg de hefgreep naar de tweede stand, van boven geteld.
Plaats het kogelgewricht aan het lange uiteinde van de verstelbare stang over de bout onderaan de hefgreep en zet lichtjes vast met een borgmoer (½") (Figuur 7).
Note: U kunt de draaibuis naar boven of beneden bewegen in de beugels om speling te verkrijgen voor de montage van de verstelbare stang.
Breng de hefgreep helemaal naar beneden in de onderste stand.
Beweeg het kogelgewricht aan het korte uiteinde van de verstelbare stang rond de hendel voor de verstelbare stang op de draaibuis, tot het zich links van de stanghendel bevindt.
Note: U kunt de draaibuis naar boven of beneden bewegen in de beugels om speling te verkrijgen voor de montage van de verstelbare stang.
Beweeg de hefgreep tot het gat van het kogelgewricht overeenkomt met het gat aan de rechterkant van de verstelbare stanghendel op de draaibuis, en bevestig de stang aan de hendel met een bout (½" x 1½") en een borgmoer (½") zoals getoond in Figuur 8.

Draai de bevestigingen vast.
Benodigde onderdelen voor deze stap:
| Schermpaneel | 1 |
| Zeskantschroef met flens (nr. 10 x ½") | 2 |
| Rechterzitting | 1 |
| Linkerzitting | 1 |
| Bout (5/16" x 1") | 4 |
| Borgmoer (5/16") | 4 |
Note: Als u de manuele ploeg verwijderd hebt, dient u deze nu te monteren.
Monteer het nieuwe schermpaneel op de achterkant van de frameopening met 2 zeskantschroeven met flens (nr. 10 x ½") (Figuur 9).

Bevestig de achterkant van een zitting losjes aan elke hefarm met een bout (5/16" x 1") en een borgmoer (5/16").
Note: De bout van de zitting moet naar binnen wijzen (Figuur 10).
Note: Plaats de zittingen zoals wordt getoond in Figuur 10.

Benodigde onderdelen voor deze stap:
| Werktuigenbalk (afzonderlijk verkrijgbaar) | 1 |
Important: Als u werktuigenbalk 08733 of 08736 monteert, moet u deze handelingen overslaan en de bij de werktuigenbalk geleverde instructies volgen. Raadpleeg na de montage het hoofdstuk Het hefpedaal van de werktuigenbalk monteren in deze instructies.
Note: Als uw werktuigenbalk standaard over een draaibeugel beschikt, moet u deze aanbrengen op de vierde tand van links (Figuur 11). Draai de bout en de moer zo vast dat de beugel en de tand geborgd zijn alvorens verder te gaan.

Plaats de uiteinden van de werktuigbuis op de zittingen.
Note: De snijranden van de tanden moeten naar voren gericht zijn.
Beweeg de hefgreep naar de middelste stand.
Bevestig de voorkant van elke zitting aan de buis met een bout (5/16" x 1") en een borgmoer (5/16") (Figuur 12).

Benodigde onderdelen voor deze stap:
| Hefboom | 1 |
| Bout (5/16" x 2") | 1 |
| Borgmoer (5/16") | 3 |
| Draailip | 1 |
| Koppeling werktuigenbalk | 1 |
| Slotbout (⅜" x 1¼") | 1 |
| Afstandsstuk | 1 |
| Ring (1") | 1 |
| Borgmoer (⅜") | 1 |
| Pedaalhefboom | 1 |
| Borgring | 2 |
| Ring (⅞") | 1 |
| Bout (5/16" x 1") | 1 |
| Excentrische bout | 1 |
Schuif de stang van de hefboom in het linkeruiteinde van de draaibuis en bevestig met een bout (5/16" x 2") en een borgmoer (5/16") door de draaibuis (Figuur 13).
Note: Mogelijk moet u de bout door de draaibuis en de hefboom draaien.

Monteer het middelste gat van de draailip losjes op de draaibeugel van de werktuigenbalk met een bout (5/16" x 1") en een borgmoer (5/16") (Figuur 14).

Schuif het uiteinde van de koppeling van de werktuigenbalk over de korte stang van de pedaalhefboom. Bevestig met een borgring (Figuur 15).

Monteer de stang aan het andere uiteinde van de pedaalhefboom door de bovenkant van de hefboom. Zet vast met een ring (⅞") en een borgring (Figuur 15).
Breng het vierkante gat van de draailip aan op het uiteinde van de werktuigenbalk. Gebruik een slotbout (⅜" x 1¼"), een tussenring, een ring (1"), een ring (13/16"), en een borgmoer (⅜"). Zorg ervoor dat de knie van het hefpedaal naar boven wijst en ga te werk volgens Figuur 16.

Monteer de excentrische bout door de onderkant van de draailip en de draaibeugel. Bevestig met een borgmoer (5/16") zoals getoond in Figuur 17.

Plaats de hefgreep in de bovenste stand.
Meet de afstand tussen het frame van de tractie-eenheid en de draaibuis, zoals getoond in Figuur 18.

Als deze speling niet tussen de 0,06 en 0,18" is, stel dan de verstelbare stang als volgt af:
Verwijder de bout en de moer waarmee de stang aan de draaibuis is bevestigd (Figuur 19).

Draai de kogelverbinding getoond in Figuur 19 om de lengte van de stang als volgt te veranderen:
Kort de stang in om het gat te vergroten.
Maak de stang langer om het gat te verkleinen.
Monteer de stang met de bout en de borgmoer en controleer de speling opnieuw.
Herhaal deze stappen totdat de juiste speling wordt verkregen.
Om de veerspanning te verhogen draait u de borgmoeren waarmee de veerstang bevestigd is vast totdat 6 à 13 mm van de schroefdraad zichtbaar is (Figuur 20).

Note: De afstelling van de veerstang heeft een invloed op de hefkracht van het systeem; hoe langer de boutuiteinden, hoe gemakkelijker de werktuigenbalk getild kan worden. Stel de veren zo af dat de werktuigenbalk op een comfortabele manier kan worden getild. Hoe groter de druk op de hulpveer, hoe kleiner de gronddruk van de werktuigenbalk.
Monteer het rechterwielscherm.
Monteer de achterwielen en verwijder de kriksteunen van onder de achterkant van de machine; raadpleeg de Gebruikershandleiding van uw machine.
Zet de hefgreep in de transportstand (bovenste inkeping).
Draai de excentrische bout links- en rechtsom tot de tanden van de werktuigenbalk parallel zijn met de inkeping van de hefarm (Figuur 17 en Figuur 21).
Important: Het is onmogelijk om de excentrische bout 360 graden te draaien. Als de bout stopt met draaien, probeer deze dan niet verder te draaien. Dit kan namelijk leiden tot beschadiging van de bout. In plaats daarvan draait u de bout in de andere richting.

Draai de middelste draaibout (item 4 in Figuur 13) aan tot 20 à 25 N·m.
Draai de moer waarmee de excentrische bout bevestigd is vast, maar niet te vast.
Test het werktuig.
Benodigde onderdelen voor deze stap:
| Opvulstuk (onderdeelnr. 110-7379) | 1 |
| Opvulstuk (onderdeelnr. 110-7380) | 1 |
| Opvulstuk (onderdeelnr. 110-7381) | 1 |
Als de werktuigenbalk gemonteerd is en de bevestigingen vastgedraaid, moet u de volgende stappen uitvoeren om te controleren of de tanden van de werktuigenbalk waterpas zijn:
Parkeer de machine op een horizontaal oppervlak.
Controleer of de bandendruk in alle banden juist en gelijk is. Raadpleeg de Gebruikershandleiding voor meer informatie over het controleren van de bandenspanning.
Laat de werktuigenbalk zakken tot de tanden de grond net raken.
Als de tanden van de werktuigenbalk gelijkmatig contact maken met de grond, is de werktuigenbalk waterpas.
Note: Als de tanden aan de ene kant van de werktuigenbalk eerder de grond raken, moet u de werktuigenbalk richten. Richt de werktuigenbalk aan de hand van deze procedure.
Meet de speling tussen de tanden en de grond aan de kant die gericht moet worden. Gebruik dan de volgende tabel om na te gaan welk vulstuk u moet plaatsen.
| Vulstuk (dikte) | Verandering in tandhoogte aan buitenrand |
| 110-7379 (0,0747") | 6 mm (⅛") |
| 110-7381 (1345") | 6 mm (¼") |
| 110-7379 en 110-7381 (0,2094") | ⅜" |
| 110-7380 (0,25") | 7/16" |
| 110-7379 en 110-7380 (0,3247") | 9/16" |
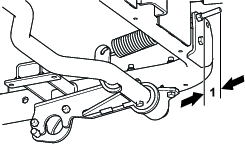
Zet de bouten los waarmee de beugel van de draaibuis bevestigd is om speling te verkrijgen tussen het frame en de beugel van de draaibuis (Figuur 22).

Note: Om het opvulstuk te monteren moet u mogelijk het hefpedaal verwijderen om toegang te verkrijgen tot de beugel van de draaibuis. Raapdleeg Het hefpedaal van de werktuigenbalk monteren.
Monteer het opvulstuk/de opvulstukken en zet al het bevestigingsmateriaal vast.
Controleer of de werktuigenbalk nu waterpas is. Stel af indien nodig.
Lees de documentatie.
Bewaar de documentatie op een veilige plaats.
Om de werktuigenbalk te laten zakken: beweeg de hefgreep naar links en beneden, en vervolgens naar rechts in de gewenste stand.
Om de werktuigenbalk omhoog te brengen: beweeg de hefgreep naar links en boven, en vervolgens naar rechts in de gewenste stand.
Om de werktuigenbalk omhoog te brengen en in de transportstand te borgen: beweeg de hefgreep naar de hoogste stand en druk het hefpedaal van de werktuigenbalk naar beneden.
De werktuigenbalk vrijstellen uit de transportstand doet u door de hefgreep naar een lagere stand te brengen.
Note: Als u de cultivator gebruikt, draai dan de tanden om hun levensduur te vergroten.
Note: Om de gewenste bedrijfsstand te verkrijgen, moet u mogelijk de werktuigenbalk eerst laten zakken voorbij de gewenste stand en hem vervolgens terug optillen.
Tijdens bedrijf kunt u de werktuigenbalk op zijn plaats laten zakken door de machine traag achteruit te rijden en de werktuigenbalk op de gewenste diepte in te stellen. Rij vooruit zodra de werktuigenbalk zich in de juiste stand bevindt. De tanden zullen de grond raken en zo de werktuigenbalk in de bedrijfsstand trekken.
Om de hoeveelheid neerwaartse druk van het werktuig op de grond te wijzigen moet u de veerspanning van de verstelbare stang instellen. Gebruik een ¾" sleutel om de veerbehuizing van de verstelbare stang te draaien. Draai in de richting van rechtse schroefdraad om de neerwaartse druk te verhogen en in de tegenovergestelde richting om de neerwaartse druk te verlagen (Figuur 23).
Note: Hierbij blijft de instelling van de verstelbare stang die u uitgevoerd hebt in het hoofdstuk De spanveer en de verstelbare stang afstellen ongewijzigd.

Gebruik de volgende tabel en afbeelding als leidraad om de neerwaartse druk van de werktuigenbalk aan te passen (Figuur 24).
| Tabel veerspanning | |
| Afmeting (inch) | Kracht (pond) |
| 3,00 | 238 |
| 2,88 | 335 |
| 2,75 | 430 |
| 2,62 | 526 |
| 2,50 | 623 |

| Problem | Possible Cause | Corrective Action |
|---|---|---|
| Om het werktuig te tillen is overmatig veel kracht nodig. |
|
|
| De hendel wordt niet in de standen van de borgplaat geborgd. |
|
|
| De werktuigenbalk draait niet hoog genoeg. |
|
|
| De neerwaartse druk van het werktuig is te klein. |
|
|
| Er is ongelijkmatig contact met de grond als de machine draait. |
|
|
| De machine stopt als ze een obstakel raakt. |
|
|
| De tanden van de werktuigenbalk zijn niet waterpas. |
|
|