Important: Vor der Installation der in der Mitte montierten Werkzeugleiste sollten Sie eine der für dieses System angebotenen Werkzeugleisten kaufen. Weitere Informationen erhalten Sie von Ihrem offiziellen Toro-Vertragshändler.
Note: Wenn Sie die Werkzeugleiste 08733 oder 08736 installieren, montieren Sie die mit diesen Werkzeugleiste gelieferten Schwenkrohrhalterungen anstelle der mit diesem Anbaugerät gelieferten. Weitere Informationen finden Sie in der Installationsanleitung für 08733 oder 08736.
Note: Wenn Sie ein manuelles Frontplanierschild mit einer in der Mitte montierten Werkzeugleiste installieren, sollte die Werkzeugleiste zuerst installiert werden.
Stellen Sie die Zugmaschine auf einer ebenen Fläche ab und aktivieren Sie die Feststellbremse.
Bringen Sie den Gasbedienungsschalter in die niedrige Leerlauf-Stellung, senken Sie das Anbaugerät ab und stellen Sie sicher, dass der Antrieb in der Neutral-Stellung steht.
Stellen den Motor ab, ziehen den Schlüssel ab, warten Sie bis alle beweglichen Teile zum Stillstand gekommen sind und lassen Sie alle Komponenten abkühlen.
Für diesen Arbeitsschritt erforderliche Teile:
| Schraube (5/16" x 2-¼") | 2 |
| Mutter (5/16") | 2 |
| Hubhebel des Vertikutierers | 1 |
| Schraube (½" x 3-¼") | 2 |
| Dünne Sicherungsmutter (½") | 2 |
| Arretierungsplatte | 1 |
| Handrad | 1 |
Heben Sie das Heck der Maschine auf Achsständer und entfernen Sie die Hinterräder; siehe Betriebsanleitung.
Note: Stellen Sie die Achsständer unter die Motorhalterungen der Hinterräder; siehe Betriebsanleitung Ihrer Maschine .
Nehmen Sie die vier Bundbolzen ab, mit denen die rechte Radabdeckung am Rahmen befestigt ist (Bild 1).

Nehmen Sie die Abdeckung ab und bewahren sie auf.
Note: Wenn ein manuelles Planierschild (Modell 08714) an der Maschine montiert ist, muss die rechte Befestigungshalterung des Planierschilds abgenommen werden, bevor Sie den Hubarm befestigen.
Nehmen Sie die beiden Schrauben, zwei Bolzen, zwei Scheiben und zwei Muttern ab, mit denen die Gitterplatte am Rahmen befestigt ist (Bild 1). Bewahren Sie die Unterlegscheiben für den späteren Einbau auf.
Note: Sie können das Gitter, die Bolzen, Schrauben und Muttern entsorgen.
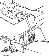
Befestigen Sie die Befestigungshalterung des Vertikutierer-Hubhebels mit zwei Schrauben (½'' x 3-¼'') und dünnen Sicherungsmuttern (½'') an den rechten Fußplattformrohren, wie in Bild 2 dargestellt.

Note: Stellen Sie sicher, dass die Schraubenköpfe außen sind und dünne Sicherungsmuttern verwendet werden.
Important: Die losen Teile enthalten dünne und dicke Sicherungsmuttern. Verwenden Sie für diesen Schritt die dünnen Sicherungsmuttern. Die dicken Sicherungsmuttern können hier nicht greifen und fallen irgendwann ab.
Note: Der Griff wird durch die Unterseite der Zugmaschine installiert. Schieben Sie den Griff nach oben durch die Öffnung, die nach dem Entfernen der Gitterplatte vorhanden ist.
Note: Bauen Sie den Griff nicht auseinander, um ihn in der Zugmaschine zu installieren.
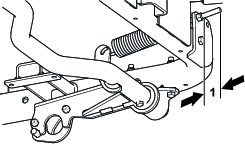
Setzen Sie die Arretierungsplatte in den Hubhebel des Vertikutierers ein.
Note: Der Griff sollte zwischen der Arretierungsplatte und der Griffführung durchgeführt werden (Bild 3).

Befestigen Sie die Arretierungsplatte mit zwei Schrauben (5/16" x 2-¼"), den beiden Scheiben, die in Schritt 4 entfernt wurden, und zwei Sicherungsmuttern (5/16“) hinten am rechten hinteren vertikalen Rahmenrohr. Positionieren Sie die Teile so, wie in Bild 3 abgebildet.
Drehen Sie das Handrad auf den Hubhebel (Bild 3).
Stellen Sie sicher, dass der Hubhebel den ganzen Bewegungsfreiraum durch die Arretierungsplatte hat, und dass er an jeder Arretierungsstelle einrastet.
Note: Wenn der Hubhebel zu lose oder zu fest ist, ziehen Sie die Sicherungsmuttern am Hubhebelgelenk an oder lösen sie (Bild 4).

Prüfen Sie den Abstand zwischen dem Hubhebel und den Hydraulikleitungen.
Note: Zwischen der Hydraulikleitung und dem Hubhebel muss ein Abstand von mindestens 3 mm bestehen. Ändern Sie ggf. die Verlegung der Hydraulikleitung (Bild 2).
Für diesen Arbeitsschritt erforderliche Teile:
| Schwenkrohr | 1 |
| Verlängerungsfeder | 1 |
| Federstange | 1 |
| Schwenkrohrhalterung | 2 |
| Schraube (⅜" x 3") | 4 |
| Sicherungsmutter (⅜") | 6 |
| Federhalterung | 1 |
| Schraube (⅜" x 2-¾") | 1 |
Note: Wenn Sie die Werkzeugleiste 08733 oder 08736 installieren, montieren Sie die mit diesen Werkzeugleiste gelieferten Schwenkrohrhalterungen anstelle der mit diesem Anbaugerät gelieferten. Weitere Informationen finden Sie in der Installationsanleitung für 08733 oder 08736.
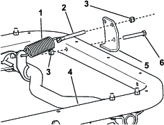
Verbinden Sie die Verlängerungsfeder mit dem Federhebel am Schwenkrohr und der Federstange (Bild 5).

Installieren Sie die Schwenkrohrhalterung lose an der rechten Seite (Bild 5).
Schieben Sie die rechte Seite des Schwenkrohrs in die rechte Schwenkrohrhalterung (Bild 5).
Setzen Sie die Federstange in das Loch in der Federhalterung ein und befestigen sie lose mit einer Sicherungsmutter (⅜").
Note: Positionieren Sie die Federstange wie in Bild 6 dargestellt.

Heben Sie die linke Seite des Schwenkrohrs zum Rahmen an und befestigen sie mit einer Schwenkrohrhalterung, 2 Schrauben (⅜" x 3") und 2 Sicherungsmuttern (⅜") (Bild 5).
Befestigen Sie die Federhalterung mit einer Schraube (⅜" x 2-¾") und einer Sicherungsmutter (⅜") am vorderen Rahmenrohr.
Note: Positionieren Sie die Federhalterung wie in Bild 6 dargestellt.
Ziehen Sie jetzt alle Befestigungen außer der Sicherungsmutter an, mit der die Federstange befestigt ist.
Für diesen Arbeitsschritt erforderliche Teile:
| Verstellbare Stange | 1 |
| Schraube (½" x 1-½") | 1 |
| Sicherungsmutter (½") | 2 |
Positionieren Sie das Kugelgelenk am kurzen Ende der verstellbaren Stange rechts vom verstellbaren Stangenhebel am Schwenkrohr (Bild 7).

Schieben Sie den Hubhebel in die zweite Arretierungsstellung von oben.
Setzen Sie das Kugelgelenk am langen Ende der verstellbaren Stange auf den Bolzen unten am Hubgriff und befestigen Sie es lose mit einer Sicherungsmutter (½") (Bild 7).
Note: Sie können das Schwenkrohr in den Halterungen nach oben oder unten bewegen, um Platz zum Befestigen der verstellbaren Stange zu erhalten.
Schieben Sie den Hubhebel ganz nach unten in die unterste Arretierungsstellung.
Schieben Sie das Kugelgelenk am kurzen Ende der verstellbaren Stange um den verstellbaren Stangenhebel am Schwenkrohr, bis es sich links vom Stangenhebel befindet.
Note: Sie können das Schwenkrohr in den Halterungen nach oben oder unten bewegen, um Platz zum Befestigen der verstellbaren Stange zu erhalten.
Bewegen Sie den Hubhebel, bis das Loch im Kugelgelenk mit dem Loch an der rechten Seite des verstellbaren Stangenhebels am Schwenkrohr ausgefluchtet ist, und befestigen Sie die Stange mit einer Schraube (½" x 1-½") und einer Sicherungsmutter (½") am Hebel, wie in Bild 8 dargestellt.

Ziehen Sie die Befestigungen an.
Für diesen Arbeitsschritt erforderliche Teile:
| Gitterplatte | 1 |
| HWH-Schraube (Gr. 10 x ½") | 2 |
| Rechte Anschlussklemme | 1 |
| Linke Anschlussklemme | 1 |
| Schraube (5/16" x 1") | 4 |
| Sicherungsmutter (5/16") | 4 |
Note: Wenn Sie das manuelle Planierschild abgenommen haben, sollten Sie es jetzt installieren.
Befestigen Sie die neue Gitterplatte mit den beiden HWH-Schrauben (Gr. 10 x ½“) an der Rückseite der Rahmenöffnung (Bild 9).

Befestigen Sie die Rückseite der Anschlussklemme mit einer Schraube (5/16" x 1") und einer Sicherungsmutter (5/16") lose an jedem Hubarm.
Note: Der Anschlussklemmenbolzen sollte nach innen zeigen (Bild 10).
Note: Positionieren Sie die Anschlussklemmen, wie in Bild 10 dargestellt.

Für diesen Arbeitsschritt erforderliche Teile:
| Werkzeugleiste (separat erhältlich) | 1 |
Important: Wenn Sie eine Werkzeugleiste 08733 oder 08736 installieren, überspringen Sie diese Schritte und installieren Sie die Werkzeugleiste gemäß der Werkzeugleiste beiliegenden Anweisungen Gehen Sie nach dem Befestigen auf Installieren des Werkzeugleistenhubpedals in diesen Anweisungen.
Note: Wenn die Werkzeugleiste ohne Schwenkhalterung ausgeliefert wird, befestigen Sie sie am vierten Zahn von links, siehe Bild 11, und ziehen Sie die Schraube und die Mutter an, damit die Halterung und der Zahn befestigt sind, bevor Sie weiterarbeiten.

Positionieren Sie jedes Ende des Anbaugerätrohrs auf den Anschlussklemmen.
Note: Die Schnittkanten der Tines sollten nach vorne zeigen.
Bewegen Sie den Hubgriff in die mittlere Stellung.
Befestigen Sie die Vorderseite jeder Anschlussklemme mit einer Schraube (5/16" x 1") und einer Sicherungsmutter (5/16") am Rohr (Bild 12).

Für diesen Arbeitsschritt erforderliche Teile:
| Hebel | 1 |
| Schraube (5/16" x 2") | 1 |
| Sicherungsmutter (5/16") | 3 |
| Schwenklasche | 1 |
| Werkzeugleistenlenker | 1 |
| Schlossschraube (⅜" x 1-¼") | 1 |
| Distanzstück | 1 |
| Scheibe (1") | 1 |
| Sicherungsmutter (⅜") | 1 |
| Pedalhebel | 1 |
| Haltering | 2 |
| Scheibe (⅞") | 1 |
| Schraube (5/16" x 1") | 1 |
| Exzenterbolzen | 1 |
Schieben Sie die Strebe am Hebel in das linke Ende des Schwenkrohrs und befestigen sie mit einer Schraube (5/16" x 2") und einer Sicherungsmutter (5/16") durch das Schwenkrohr (Bild 13).
Note: Sie müssen die Schraube ggf. durch das Schwenkrohr und den Hebel drehen.

Befestigen Sie das mittlere Loch an der Schwenklasche mit einer Schraube (5/16" x 1") und Sicherungsmutter (5/16") an der Schwenkhalterung an der Werkzeugleiste (Bild 14).

Schieben Sie das Ende des Werkzeugleistenlenkers über die kurze Strebe am Pedalhebel und befestigen es mit einem Haltering (Bild 15).

Setzen Sie die Strebe am anderen Ende des Pedalhebels durch den Hebel oben ein und befestigen Sie ihn mit einer Scheibe (⅞") und einem Haltering (Bild 15).
Drehen Sie das Hubpedalgelenk nach oben und befestigen Sie das rechteckige Loch an der Schwenklasche mit einer Schlossschraube (⅜" x 1-¼"), einem Distanzstück, einer Scheibe (1"), einer Scheibe (13/16") und einer Sicherungsmutter (⅜") am Ende des Werkzeugleistenlenkers, wie in Bild 16 dargestellt.

Stecken Sie den Exzenterbolzen unten durch die Schwenklasche und die Schwenkhalterung und befestigen Sie ihn mit einer Sicherungsmutter (5/16“), wie in Bild 17 dargestellt.

Stellen Sie den Hubgriff in die obere Arretierungsstellung.
Messen Sie den Abstand zwischen dem Rahmen der Zugmaschine und dem Schwenkrohr, wie in Bild 18 dargestellt.

Wenn der Abstand nicht zwischen 0,06" bis 0,18" liegt, stellen Sie das verstellbare Stange wie folgt ein:
Nehmen Sie die Schraube und die Mutter ab, mit denen die Stange am Schwenkrohr befestigt ist (Bild 19).

Drehen Sie das in Bild 19 dargestellte Kugelgelenk, um die Länge der Stange wie folgt zu ändern:
Verkürzen Sie die Stange, um den Abstand zu vergrößern.
Verlängern Sie die Stange, um den Abstand zu verkürzen.
Befestigen Sie die Stange mit der Schraube und der Sicherungsmutter und testen Sie den Abstand erneut.
Wiederholen Sie diese Schritte, bis der Abstand richtig ist.
Ziehen Sie die Sicherungsmuttern an, mit denen die Federstange befestigt ist, bis 6 mm bis 13 mm des Gewindes sichtbar ist, um die Feder zu spannen (Bild 20).

Note: Das Einstellen der Federstange ändert die Hubkraft der Anlage, je länger die Schraubenenden sind, desto leichter kann die Werkzeugleiste angehoben werden. Stellen Sie die Federn so ein, dass die Hubkraft komfortabel ist. Je mehr die Feder gespannt ist, desto geringer ist der Niederhaltedruck auf die Werkzeugleiste.
Montieren Sie die rechte Radabdeckung.
Montieren Sie die Hinterräder und entfernen Sie die Achsständer an der Rückseite der Maschine, siehe Betriebsanleitung Ihrer Maschine.
Stellen Sie den Hubgriff auf die Transportstellung (oberste Kerbe).
Drehen Sie den Exzenterbolzen in eine Richtung, bis die Tines der Werkzeugleiste parallel zur Kerbe im Hubarm sind (Bild 17 und Bild 21).
Important: Der Exzenterbolzen kann nicht um 360 Grad gedreht werden. Wenn er anschlägt, versuchen Sie ihn nicht weiter zu drehen, da er sonst beschädigt wird. Drehen Sie ihn dann in die andere Richtung.

Ziehen Sie die mittlere Schwenkschraube (Punkt 4 in Bild 13) auf ein Drehmoment von 20 bis 25 N∙m an.
Ziehen Sie die Mutter an, mit der der Exzenterbolzen befestigt ist, bis er fest sitzt, ziehen Sie ihn jedoch nicht zu stark an.
Testen Sie die Funktion des Anbaugeräts.
Für diesen Arbeitsschritt erforderliche Teile:
| Beilagscheibe (Bestellnr. 110-7379) | 1 |
| Beilagscheibe (Bestellnr. 110-7380) | 1 |
| Beilagscheibe (Bestellnr. 110-7381) | 1 |
Wenn die Werkzeugleiste befestigt und die Befestigungen festgezogen sind, prüfen Sie mit den folgenden Schritten, dass die Tines der Werkzeugleiste nivelliert sind.
Stellen Sie die Maschine auf eine ebene Fläche.
Prüfen Sie den Druck aller Reifen und stellen Sie sicher, dass der Reifendruck gleich ist. Weitere Informationen zum Prüfen des Reifendrucks finden Sie in der Bedienungsanleitung.
Senken Sie die Werkzeugleiste ab, bis die Tines den Boden gerade berühren.
Wenn die Tines der Werkzeugleiste den Boden gleichmäßig berühren, ist die Werkzeugleiste nivelliert.
Note: Wenn die Tines nur an einer Seite der Werkzeugleiste den Boden berühren, nivellieren Sie die Werkzeugleiste. Setzen Sie das Nivellieren fort, indem Sie die restlichen Schritte ausführen.
Messen Sie den Abstand zwischen den Tines der Werkzeugleiste und dem Boden an der Seite, die nivelliert werden muss. Lesen Sie in der folgenden Tabelle ab, welche Beilagscheibe basierend auf dem gemessenen Abstand aufgelegt werden muss.
| Beilagscheiben (Dicke in Zoll) | Geänderte Tines-Höhe (Zoll) an der Außenkante |
| 110-7379 (0,747") | 1/8" |
| 110-7381 (1345") | ¼" |
| 110-7379 und 110-7381 (0,2094") | ⅜" |
| 110-7380 (0,25") | 7/16" |
| 110-7379 und 110-7380 (0,3247") | 9/16" |
Lösen Sie die Schrauben, mit denen die Schwenkrohrhalterung befestigt ist, um einen Abstand zwischen dem Rahmen und der Schwenkrohrhalterung zu erhalten (Bild 22).

Note: Wenn Sie die Beilagscheibe installieren, müssen Sie ggf. das Hubpedal entfernen, um die Schwenkrohrhalterung zugänglich zu machen. Siehe Befestigen des Werkzeugleistenhubpedals.
Installieren Sie die Beilagscheiben und ziehen Sie alle Befestigungen fest.
Prüfen Sie, ob die Werkzeugleiste jetzt nivelliert ist. Stellen Sie sie ggf. ein.
Lesen Sie die Dokumentation.
Bewahren Sie die Unterlagen an einem sicheren Ort auf.
Wenn Sie die Werkzeugleiste absenken möchten, schieben Sie den Hubgriff nach links, senken Sie ihn ab und schieben Sie ihn dann nach rechts in die gewünschte Arretierungsstellung.
Wenn Sie die Werkzeugleiste anheben möchten, schieben Sie den Hubgriff nach links, heben Sie ihn an und schieben Sie ihn dann nach rechts in die gewünschte Arretierungsstellung.
Zum Anheben und Arretieren der Werkzeugleiste in der Transportstellung müssen Sie den Hubgriff in die höchste Stellung bewegen und dann das Hubpedal der Werkzeugleiste durchtreten.
Zum Lösen der Werkzeugleiste aus der Transportstellung müssen Sie Hubgriff in eine niedrigere Stellung bewegen.
Note: Wenn Sie die Werkzeugleiste des Vertikutierers verwenden, können Sie die Tines wechseln, um die Nutzungsdauer der Tines zu verlängern.
Note: Um die gewünschte Einsatzstellung zu erhalten, müssen Sie die Werkzeugleiste ggf. über die gewünschte Stellung absenken und sie dann wieder anheben.
Beim Einsatz wird das Absenken der Werkzeugleiste in die gewünschte Stellung erleichtert, wenn Sie langsam rückwärts fahren und gleichzeitig die Werkzeugleiste auf die gewünschte Tiefe einstellen. Fahren Sie vorwärts, wenn die Werkzeugleiste in der gewünschten Stellung ist. Die Tines berühren den Boden und ziehen die Werkzeugleiste in die Stellung mit Bodenkontakt.
Wenn Sie den vom Werkzeug auf den Boden ausgeübten Niederhaltedruck einstellen möchten, stellen Sie die Federspannung an der verstellbaren Stange ein. Drehen Sie das Federhülsengussteil an der verstellbaren Stange mit einem Schraubenschlüssel (¾") in der rechten Gewinderichtung, um den Niederhaltedruck zu erhöhen oder in die andere Richtung, um den Druck zu mindern (Bild 23)
Note: Die Einstellung der verstellbaren Stange, die in den Schritten Einstellen der Gelenkfederspannung und der Einstellen der verstellbaren Stange vorgenommen wurde, wird nicht geändert.

Stellen Sie den Niederhaltedruck der Werkzeugleiste mit der folgenden Tabelle und der Abbildung (als Anhaltspunkte) ein (Bild 24).
| Federkrafttabelle | |
| Werte - Zoll | Kraft (Pfund) |
| 3,00 | 238 |
| 2,88 | 335 |
| 2,75 | 430 |
| 2,62 | 526 |
| 2,50 | 623 |

| Problem | Possible Cause | Corrective Action |
|---|---|---|
| Das Anheben des Anbaugeräts erfordert zu viel Kraft.. |
|
|
| Der Griff arretiert nicht in den Arretierungsschlitzen an der Arretierungsplatte. |
|
|
| Die Werkzeugleiste dreht sich nicht hoch genug. |
|
|
| Der Niederhaltedruck am Anbaugerät ist zu gering. |
|
|
| Beim Wenden der Maschine ist der Bodenkontakt ungleichmäßig.. |
|
|
| Die Maschine stoppt, wenn sie ein Hindernis berührt. |
|
|
| Die Tines der Werkzeugleiste sind nicht nivelliert. |
|
|