Important: このミッドマウントツールバー・システムを取り付ける前に、このシステムに使用可能なツールバーを購入していただく必要があります。詳細については、トロ社の正規ディストリビュータにおたずねください。
Note: ツールバー 08733 または 08736 を取り付ける場合には、本製品に付属のブラケットの代わりに、それぞれのツールバーに付属しているピボットチューブブラケットを取り付けてください。詳細については 08733 または 08736 の取り付け要領書を参照してください。
Note: ミッドマウントツールバー・システムと共にフロント手動ブレードを取り付ける場合には、ミッドマウントツールバー・システムを先に取り付けてください。
トラクションユニットを平らな場所に停止させて駐車ブレーキを掛ける。
スロットルスイッチを低速アイドルにセットし、アタッチメントを降下させ、走行がニュートラルになっていることを確認する。
エンジンを停止させ、キーを抜き取り、各部が完全に停止し、機体が十分に冷えるのを待つ。
この作業に必要なパーツ
| ボルト(5/16 x 2¼") | 2 |
| ナット(5/16") | 2 |
| スカリファイヤ昇降ハンドルチューブアセンブリ | 1 |
| ボルト(½ x 3¼") | 2 |
| 薄いロックナット(½") | 2 |
| ディテントプレート | 1 |
| ノブ | 1 |
マシン後部をジャッキスタンドに載せ、後輪を外す;マシンのオペレーターズマニュアルを参照。
Note: 後ホイールモータのマウントの下にジャッキスタンドを置く;マシンのオペレーターズマニュアルを参照。
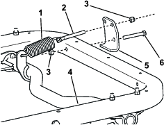
右ホイール用のシュラウドをフレームに固定しているフランジヘッドねじ(4本)を外す(図 1)。

シュラウドを外して保管する。
Note: 手動ブレード(モデル 08714)を取り付ける場合には、昇降アームチューブアセンブリを取り付ける前に、右ブレード取り付けブラケットを外してください。
スクリーンパネルをフレームに固定しているねじ(2本)とボルト(2本)、ワッシャ(2枚)とナット(2個)を外す。ワッシャは再利用するので捨てないこと(図 1)。
Note: スクリーンパネル、ボルト、ねじ、ナットは廃棄して構いません。
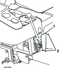
スカリファイヤ昇降ハンドルチューブアセンブリの取り付けブラケットを右側フットレストチューブに取りつける;ボルト(½ x 3¼")2本、薄いロックナット(½")を使用し、図 2 のように取り付ける。

Note: ボルトの頭が外側にくるように、また、薄いロックナットを使うように注意してください。
Important: 付属部品には、薄いロックナットと厚いロックナットが入っています。薄いほうのロックナットを使用してください。厚いロックナットでは時間が経つと外れてしまいます。
Note: ハンドルチューブアセンブリは、スクリーンパネルを外して出来た開口部にハンドルを通し、トラクションユニットの底部を通すようにして取り付けます。
Note: ハンドルチューブアセンブリを取り付ける際にハンドルチューブアセンブリを分解しないでください。
スカリファイヤ昇降ハンドルチューブアセンブリにディテントプレートを通す。
Note: ハンドルがディテントプレートとハンドルガイドの間を通るようになるのが正しい取り付けです(図 3)。

ディテントプレートを右後垂直フレームチューブに取り付ける;ボルト(5/16 x 2¼")2本と、ワッシャ(ステップ4で取り外したものを再使用)2枚と、ロックナット(5/16")2本を使う。各パーツは 図 3 のように組み付ける。
昇降レバーにノブを取りつける(図 3)。
昇降ハンドルがディテントプレートのスロット範囲の全域にわたって動けること、また、各ディテント位置でロックできることを確認してください。
Note: 昇降ハンドルがゆるすぎたり、きつすぎたりする場合には、ハンドル昇降ピボットのロックナットをゆるめて調整してください(図 4)。

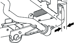
昇降ハンドルアセンブリと油圧ラインとの間のクリアランスを点検する。
Note: クリアランスは最低でも 3 mm 必要です。必要に応じて、丁寧に油圧ラインの位置を決めてください(図 2)。
この作業に必要なパーツ
| ピボットチューブ | 1 |
| エクステンション・スプリング | 1 |
| スプリングロッド | 1 |
| ピボットチューブブラケット | 2 |
| ボルト(⅜ x 3") | 4 |
| ロックナット(⅜") | 6 |
| スプリング・ブラケット | 1 |
| ボルト(⅜ x 2¾") | 1 |
Note: ツールバー 08733 または 08736 を取り付ける場合には、本製品に付属のブラケットの代わりに、それぞれのツールバーに付属しているピボットチューブブラケットを取り付けてください。詳細については 08733 または 08736 の取り付け要領書を参照してください。
ピボットチューブのスプリングレバーとスプリングロッドに、延長スプリングを取り付ける(図 5)。

ピボットチューブブラケットを右側に仮止めする(図 5)。
ピボットチューブの右側を、右側ピボットチューブブラケットに入れる(図 5)。
スプリングロッドをスプリングブラケットの穴に入れ、ロックナット(⅜")で仮止めする。
Note: スプリングロッドは図 6のように組み付ける。

ピボットチューブの左側をフレームまで持ち上げて、ピボットチューブブラケットと共に取り付ける;ボルト(⅜ x 3")2本とロックナット(⅜")2個を使用する(図 5)。
スプリングブラケットを前フレームチューブに取りつける;ボルト(⅜ x 2¾")1本とロックナット(⅜")1個を使用する。
Note: スプリングブラケットは図 6の位置にセットする。
全部のボルトナット類を締め付けるが、スプリングロッドを固定しているボルトだけは仮止め状態にする。
この作業に必要なパーツ
| 調整用ロッドチューブアセンブリ | 1 |
| ボルト(½ x 1½") | 1 |
| ロックナット(½") | 2 |
調整用ロッドチューブアセンブリの柄の短いのボールジョイントを、ピボットチューブの調整ロッドレバーの右にセットする(図 7)。

昇降ハンドルを第2ディテント位置(上から2番目)に入れる。
柄の長いボールジョイントを、昇降ハンドルチューブアセンブリの下側にあるスタッドにはめ、ロックナット(1/2")で仮止めする(図 7)。
Note: 調整用ロッドを取り付ける時には、このピボットチューブを上下に動かして取り付けに必要な隙間をつくることができます。
昇降ハンドルを一番下のディテント位置まで動かす。
調整用ロッドの柄の短いのボールジョイントを、ピボットチューブの調整用ロッドレバーの周囲を回転させるようにして、ロッドレバーの左側に持ってくる。
Note: 調整用ロッドを取り付ける時には、このピボットチューブを上下に動かして取り付けに必要な隙間をつくることができます。
昇降ハンドルを動かしてボールジョイントの穴を調整用ロッドレバーの右側に合わせ、ロッドをレバーに固定する;ボルト(½ x 1½")とロックナット(½")を使用し、図 8 のように固定する。

各ボルト・ナットを本締めする。
この作業に必要なパーツ
| スクリーンパネル | 1 |
| HWH ねじ(#10 x ½") | 2 |
| 右側サドルアセンブリ | 1 |
| 左側サドルアセンブリ | 1 |
| ボルト(5/16 x 1") | 4 |
| ロックナット(5/16") | 4 |
Note: 手動プラウを外した場合には、この時点で取り付けを行います。
この作業に必要なパーツ
| ツールバー(別売品) | 1 |
Important: ツールバー 08733 または 08736 を取り付ける場合には、この手順を飛ばして、スプリングツールバーに付属している取り付け説明書に従って取り付けてください。そして取り付けが済んだら「ツールバー上昇ペダルを取り付ける」へ進んでください。
Note: ツールバーにピボットブラケットが付いていない場合には、ブラケットを左側から4番目の歯のところに 図 11 のように取り付け、ボルト・ナットを締め付けてブラケットを歯にしっかり固定してから先へ進んでください。

アタッチメントチューブの左右端部をサドルにセットする。
Note: タインの切り刃が前を向くようにセットしてください。
昇降ハンドルを真ん中の位置に動かす。
各サドルの前部を、チューブチューブアセンブリに固定;ボルト(5/16 x 1")1本とロックナット(5/16")1個を使用する(図 12)。

この作業に必要なパーツ
| レバーチューブアセンブリ | 1 |
| ボルト(5/16 x 2") | 1 |
| ロックナット(5/16") | 3 |
| ピボットタブ | 1 |
| ツールバーリンク | 1 |
| キャリッジボルト(⅜ x 1¼") | 1 |
| スペーサ | 1 |
| ワッシャ(1") | 1 |
| ロックナット(⅜") | 1 |
| ペダルレバーチューブアセンブリ | 1 |
| リテーナリング | 2 |
| ワッシャ(⅞") | 1 |
| ボルト(5/16 x 1") | 1 |
| 偏心ボルト | 1 |
レバーチューブアセンブリの棒をピボットチューブの左端部に差し込み、ピボットチューブの外側から固定する;ボルト(5/16 x 2")2本とロックナット(5/16")1個を使用する(図 13)。
Note: ボルトをチューブとレバーチューブアセンブリに通すときに、ねじ入れる必要があるかも知れません。

ピボットタブのセンターホールを、ピボットブラケットに取り付ける;ボルト(5/16 x 1")1本とロックナット(5/16")1個を使用する(図 14)。

ツールバーリンクをペダルレバーチューブアセンブリに通し、リテーナリングで固定する(図 15)。

ペダルレバーチューブアセンブリのもう一方の端部の棒部をレバーチューブアセンブリの先端部に取り付け、ワッシャ(⅞")とリテーナリングで固定する(図 15)。
上昇ペダルチューブアセンブリの曲げ部分が上向きになっている状態で、ピボットタブの四角穴を、ツールバーリンクに取り付ける;キャリッジボルト⅜ x 1¼")1本とスペーサ1個、ワッシャ(1")1枚、ワッシャ(13/16")1枚、ロックナット(⅜")を使用し、図 16 のように取り付ける。

偏心ボルトを、ピボットタブとピボットブラケットの下部に通し、ロックナット(5/16 インチ)で図 17のように固定する。

昇降ハンドルを一番上の位置に動かす。
図 18に示されているように、トラクションユニットとフレームとピボットチューブ間の距離を測定する。

クリアランスが 0.4-1.1 mm の範囲にない場合には、調整用ロッドで以下のように調整する:
スプリングロッドを固定しているロックナットを回転させて、ロッドのねじ山の長さが 6 mm - 13 mm になってスプリングに張力が掛かるように調整する(図 20)。

Note: スプリングロッドの長さの調整により、ツールバーを引き上げる時に必要な力の大きさが変わります;ボルトの端部が長いほどツールバーを引き上げるのが簡単になります。適当な力で引き上げられるようにスプリングを調整してください。アシストスプリングのテンションが大きいほど、ツールバーに掛かる地表からの圧力は小さくなります。
右側ホイールシュラウドを取り付ける。
後輪を取り付け、機体後部をジャッキスタンドから降ろす;マシンのオペレーターズマニュアルを参照。
昇降ハンドルを移動走行位置(一番上のノッチ)に動かす。
偏心ボルトを左右どちらかに回して、ツールバーのタインが昇降アームのノッチに対して平行になるようにする(図 17 と 図 21)。
Important: 偏心ボルトの回転範囲は 360 度未満です。偏心ボルトが回らなくなった場合に無理に回すと破損します。反対方向に回して調整してください。

センターピボットのボルトを(図 13;4)を 175~225 in-lb.(20~25 N·m = 2.1~2.5 kg.m)にトルク締めする。
偏心ボルトをのナットを締め付けて固定する;締め付けすぎないように注意すること。
アタッチメントの動作を試運転で確認する。
この作業に必要なパーツ
| シム(P/N 110-7379) | 1 |
| シム(P/N 110-7380) | 1 |
| シム(P/N 110-7381) | 1 |
ツールバーの取り付けが終了し、ボルト類の締め付けが終わったら、以下の手順でツールバーが水平であることを確認する。
平らな場所に駐車する。
全部のタイヤの空気圧が同じに調整されていることを確認する。タイヤ空気圧の点検方法については、オペレーターズマニュアルを参照のこと。
ツールバーを下降させ、ツールバーの歯がちょうど床面に触れるようにする。
ツールバーの左右にわたって歯がむらなく床に接触していればツールバーは水平である。
Note: 水平でない(左右どちらかが接触しているのに他方が接触していない)場合には、ツールバーを調整する。以下の手順を繰り返しながら水平調整を行う。
浮いている方のツールバーの歯から床面までの距離を測り、以下の表でどのシムを取り付けるのが最も適当かを判断する。
| シムパック(厚さはインチ表示) | エッジの外側における歯の高さの変化 |
| 110-7379 (0.0747") | ⅛" |
| 110-7381 (0.1345") | ¼" |
| 110-7379 および 110-7381(0.2094") | 9.5 mm |
| 110-7380 (0.25") | 7/16" |
| 110-7379 および 110-7380(0.3247") | 9/16" |
ピボットチューブブラケットを固定しているボルトをゆるめてフレームとピボットチューブブラケットとの間に隙間を作る(図 22)。

Note: シムを取り付けるためにピボットチューブブラケットに手が届かない場合には、上昇ペダルを外してください。ツールバー上昇ペダルを取付ける を参照。
シムを必要数取り付けて、ゆるめてあったボルトを締め付ける。
ツールバーが水平になったことを確認する。水平になっていない場合にはもう一度調整する。
書類を読む。
安全な場所に書類を保管する。
ツールバーを下降させるには、昇降ハンドルを左に動かし、そこから下げて、次に右に戻し、適当なディテントにセットします。
ツールバーを上昇させるには、昇降ハンドルを左に動かし、そこから上げて、次に右に戻し、適当なディテントにセットします。
ツールバーを上昇させて移動走行位置にロックするには、昇降ハンドルを一番高い位置にしてツールバー上昇ペダルを踏み込みます。
ツールバーを移動走行位置から外すには、昇降ハンドルを下げます。
Note: スカリファイヤ・ツールバーでは、歯が減ってきたら上下を入れ替えて反対側の歯を使うことができます。
Note: 希望する状態にセットするには、ツールバーをまず深めに下げて、その位置から戻すようにするとうまくいきます。
使用中、ツールバーを希望位置にセットしてゆっくりバックするとツールバーが下がってきてセットされます。セットできたら前進に切り替えて作業に入ります。ツールバーの歯が地表面に当たってツールバーが使用位置にセットされます。
| Problem | Possible Cause | Corrective Action |
|---|---|---|
| アタッチメントを引き上げるのに非常に力が要る. |
|
|
| ハンドルがディテントにロックされない。 |
|
|
| ツールバーが十分に高い位置まで上がらない。 |
|
|
| アタッチメントの下向き圧力が小さすぎる。. |
|
|
| 旋回するときに地表面との接触が不均一になる. |
|
|
| 異物に当たるとマシンが停止する。 |
|
|
| ツールバーの歯が水平でない. |
|
|