Important: Ennen keskiasennettavan työkaluvarsijärjestelmän asennusta on hankittava jokin järjestelmään saatavilla olevista työkaluvarsista. Lisätietoja saa valtuutetulta Toro-jälleenmyyjältä.
Note: Jos asennat työkaluvarren 08733 tai 08736, asenna kyseisen työkaluvarren mukana toimitetut saranaputken kannattimet tämän lisälaitteen mukana toimitettujen sijaan. Lisätietoja on työkaluvarren 08733 tai 08736 asennusohjeissa.
Note: Jos asennetaan sekä käsikäyttöinen puskulevy että keskiasennettava työkaluvarsijärjestelmä, jälkimmäinen on asennettava ensin.
Pysäköi ajoyksikkö tasaiselle alustalle ja kytke seisontajarru.
Siirrä kaasun säätökytkin Alhainen joutokäyntinopeus -asentoon, laske lisälaite ja varmista, että veto on vapaalla.
Sammuta moottori, irrota virta-avain ja odota, kunnes kaikki liikkuvat osat ovat pysähtyneet. Anna sitten kaikkien osien jäähtyä.
Vaiheeseen tarvittavat osat:
| Pultti (5/16 × 2-1/4 tuumaa) | 2 |
| Mutteri (5/16 tuumaa) | 2 |
| Karhin nostokahvakokoonpano | 1 |
| Pultti (1/2 × 3-1/4 tuumaa) | 2 |
| Ohut lukkomutteri (1/2 tuumaa) | 2 |
| Pidätinlevy | 1 |
| Nuppi | 1 |
Nosta koneen takaosa pukeille ja irrota takapyörät. Katso koneen käyttöopas.
Note: Aseta pukit takapyörien moottorin pidinten alle. Katso koneen käyttöopas.
Irrota neljä laippakantaruuvia, joilla oikean pyörän suojapeite on kiinni rungossa (Kuva 1).

Irrota suojapeite ja säilytä se.
Note: Jos koneeseen on asennettu käsikäyttöinen puskulevy, mallinro 08714, irrota puskulevyn oikeanpuoleinen asennuskannake ennen nostovarsikokoonpanon asennusta.
Irrota kaksi ruuvia, kaksi pulttia, kaksi aluslaattaa ja kaksi mutteria, joilla suojapaneeli on kiinni rungossa, ja säilytä aluslaatat myöhempää asennusta varten (Kuva 1).
Note: Voit hävittää suojapaneelin, pultit, ruuvit ja mutterit.
Asenna karhin nostokahvakokoonpanon asennuskannake oikeanpuoleisen jalkatuen putkiin kahdella pultilla (1/2 × 3-1/4 tuumaa) ja ohuilla lukkomuttereilla (1/2 tuumaa) kuvan mukaisesti (Kuva 2).

Note: Varmista, että pulttien päät jäävät ulkopuolelle ja että käytät ohuita lukkomuttereita.
Important: Irto-osien joukossa on sekä paksuja että ohuita lukkomuttereita. Tässä vaiheessa on käytettävä ohuita lukkomuttereita. Paksut lukkomutterit eivät sovi lukittumaan tähän ja putoavat pois.
Note: Kahvakokoonpano asennetaan ajoyksikön pohjan läpi viemällä kahva suojapaneelin irrotuksessa syntyneeseen aukkoon.
Note: Älä pura kahvakokoonpanoa ajoyksikköön asennusta varten.
Asenna pidätinlevy karhin nostokahvaan.
Note: Kahvan on mentävä pidätinlevyn ja kahvan ohjaimen välistä (Kuva 3).

Asenna pidätinlevy oikeanpuoleisen rungon takapystyputken takapuolelle kahdella pultilla (5/16 × 2-1/4 tuumaa), kahdella aluslaatalla (jotka irrotettiin vaiheessa 4) ja kahdella lukkomutterilla (5/16 tuumaa). Aseta osat paikoilleen kuvan mukaisesti (Kuva 3).
Kierrä nuppi nostokahvaan (Kuva 3).
Varmista, että nostokahva pääsee liikkumaan vapaasti pidätinlevyssä ja että se lukittuu paikalleen kunkin pidäkkeen kohdalla.
Note: Jos nostokahva on liian löysä tai liian tiukka, kiristä tai löysää kahvan noston nivelen lukkomuttereita (Kuva 4).

Tarkista nostokahvakokoonpanon ja hydrauliputkien välinen etäisyys.
Note: Hydrauliputken ja nostokahvakokoonpanon välillä on oltava vähintään 3 mm:n rako. Sijoita hydrauliputki tarpeen mukaan (Kuva 2).
Vaiheeseen tarvittavat osat:
| Saranaputki | 1 |
| Vetojousi | 1 |
| Tanko | 1 |
| Saranaputken kannatin | 2 |
| Pultti (3/8 × 3 tuumaa) | 4 |
| Lukkomutteri (⅜ tuumaa) | 6 |
| Jousikannatin | 1 |
| Pultti (3/8 × 2-3/4 tuumaa) | 1 |
Note: Jos asennat työkaluvarren 08733 tai 08736, asenna kyseisen työkaluvarren mukana toimitetut saranaputken kannattimet tämän lisälaitteen mukana toimitettujen sijaan. Lisätietoja on työkaluvarren 08733 tai 08736 asennusohjeissa.
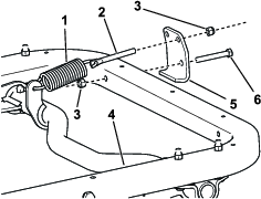
Kiinnitä vetojousi tankoon ja saranaputken jousivipuun (Kuva 5).

Asenna saranaputken kannatin löysästi oikealle puolelle (Kuva 5).
Liu’uta saranaputken oikea puoli oikeanpuoleiseen saranaputken kannattimeen (Kuva 5).
Työnnä tanko jousikannattimen reikään ja kiinnitä se löysästi lukkomutterilla (3/8 tuumaa).
Note: Aseta tanko ohjeen mukaan; katso Kuva 6.

Nosta saranaputken vasen puoli runkoon ja asenna se saranaputken kannattimella, kahdella pultilla (3/8 × 3 tuumaa) ja kahdella lukkomutterilla (3/8 tuumaa) (Kuva 5).
Asenna kuhunkin rungon etuputkeen jousikannatin pultilla (3/8 × 2-3/4 tuumaa) ja lukkomutterilla (3/8 tuumaa).
Note: Aseta jousikannatin ohjeen mukaan; katso Kuva 6.
Kiristä kaikki kiinnikkeet mutta älä kiristä tässä vaiheessa lukkomutteria, jolla tanko on kiinnitetty.
Vaiheeseen tarvittavat osat:
| Säätötankokokoonpano | 1 |
| Pultti (1/2 × 1-1/2 tuumaa) | 1 |
| Lukkomutteri (1/2 tuumaa) | 2 |
Aseta säätötankokokoonpanon lyhyen pään pallonivel saranaputken säätötangon vivun oikealle puolelle (Kuva 7).

Siirrä nostokahva ylhäältä laskettuna toiseen pidäkkeeseen.
Aseta säätötankokokoonpanon pitkän pään pallonivel nostokahvakokoonpanon pohjassa olevan tapin kohdalle ja kiinnitä löysästi lukkomutterilla (1/2 tuumaa) (Kuva 7).
Note: Liikuttamalla saranaputkea kannakkeissa ylös tai alas saadaan lisää tilaa säätötangon asennusta varten.
Siirrä nostokahva kokonaan alas alimpaan pidäkkeeseen.
Siirrä säätötangon lyhyen pään pallonivel saranaputken säätötangon vivun ympäri, kunnes se on tangon vivun vasemmalla puolella.
Note: Liikuttamalla saranaputkea kannakkeissa ylös tai alas saadaan lisää tilaa säätötangon asennusta varten.
Siirrä nostokahvaa, kunnes pallonivelen reikä kohdistuu saranaputken säätötangon vivun oikealla puolella olevaan reikään, ja kiinnitä tanko vipuun pultilla (1/2 × 1-1/2 tuumaa) ja lukkomutterilla (1/2 tuumaa) ohjeen mukaan; katso Kuva 8.

Kiristä kiinnikkeet.
Vaiheeseen tarvittavat osat:
| Suojapaneeli | 1 |
| Kuusiolaipparuuvi (#10 × ½ tuumaa) | 2 |
| Oikeanpuoleinen satulakannatinkokoonpano | 1 |
| Vasemmanpuoleinen satulakannatinkokoonpano | 1 |
| Pultti (5/16 × 1 tuumaa) | 4 |
| Lukkomutteri (5/16 tuumaa) | 4 |
Note: Jos käsikäyttöinen puskulevy irrotettiin, se on asennettava tässä vaiheessa.
Asenna uusi suojapaneeli rungon aukon takapuolelle kahdella kuusiolaipparuuvilla (#10 × ½ tuumaa) (Kuva 9).

Asenna satulakannatinkokoonpanon takaosa löysästi kuhunkin nostovarteen pultilla (5/16 × 1 tuumaa) ja lukkomutterilla (5/16 tuumaa).
Note: Satulakannattimen tapin on osoitettava sisäänpäin (Kuva 10).
Note: Aseta satulakannattimet kuvan mukaisesti (Kuva 10).

Vaiheeseen tarvittavat osat:
| Työkaluvarsi (myydään erikseen) | 1 |
Important: Jos asennat työkaluvarren 08733 tai 08736, ohita tämä vaihe ja asenna työkaluvarsi sen mukana toimitettujen ohjeiden mukaan. Siirry asennuksen jälkeen näiden ohjeiden kohtaan Työkaluvarren nostopolkimen asennus.
Note: Jos työkaluvarren kääntökannatinta ei ole asennettu, asenna se vasemmalta laskettuna neljänteen hampaaseen (katso Kuva 11) ja kiinnitä kannatin ja tuki lujasti kiristämällä pultti ja mutteri.

Aseta lisälaitteen putken molemmat päät satulakannattimiin.
Note: Piikkien leikkuureunojen on osoitettava eteenpäin.
Siirrä nostokahva keskiasentoon.
Asenna kunkin satulakannattimen etuosa löysästi putkikokoonpanoon pultilla (5/16 × 1 tuumaa) ja lukkomutterilla (5/16 tuumaa) (Kuva 12).

Vaiheeseen tarvittavat osat:
| Vipukokoonpano | 1 |
| Pultti (5/16 × 2 tuumaa) | 1 |
| Lukkomutteri (5/16 tuumaa) | 3 |
| Saranakieleke | 1 |
| Työkaluvarren yhdystanko | 1 |
| Lukkopultti (⅜ × 1-¼ tuumaa) | 1 |
| Välikappale | 1 |
| Aluslaatta (1 tuumaa) | 1 |
| Lukkomutteri (⅜ tuumaa) | 1 |
| Polkimen vipukokoonpano | 1 |
| Pidätinrengas | 2 |
| Aluslaatta (⅞ tuumaa) | 1 |
| Pultti (5/16 × 1 tuumaa) | 1 |
| Epäkeskopultti | 1 |
Liu’uta vipukokoonpanon tappi vipukokoonpanoon saranaputken vasemmassa päässä ja kiinnitä se pultilla (5/16 × 2 tuumaa) ja lukkomutterilla (5/16 tuumaa) saranaputken (Kuva 13) läpi.
Note: Pultti voidaan joutua kiertämään saranaputken ja vipukokoonpanon läpi.

Asenna saranakieleke keskimmäisestä reiästä löysästi työkaluvarren kääntökannattimeen pultilla (5/16 × 1 tuumaa) ja lukkomutterilla (5/16 tuumaa) (Kuva 14).

Liu’uta työkaluvarren yhdystangon pää polkimen vipukokoonpanon lyhyempään tappiin ja kiinnitä se pidätinrenkaalla (Kuva 15).

Asenna polkimen vipukokoonpanon toisessa päässä oleva tappi vipukokoonpanon yläosan läpi ja kiinnitä aluslaatalla (⅞ tuumaa) ja pidätinrenkaalla (Kuva 15).
Huolehdi, että nostopoljinkokoonpanon polveke osoittaa ylöspäin, ja asenna saranakieleke nelikulmaisesta reiästä työkaluvarren yhdystangon päähän lukkopultilla (⅜ × 1-¼ tuumaa), välilevyllä, aluslaatalla (1 tuumaa), aluslaatalla (13/16 tuumaa) ja lukkomutterilla (⅜ tuumaa) kuvan mukaan (Kuva 16).

Asenna epäkeskopultti saranakielekkeen alaosan ja kääntökannattimen läpi ja kiinnitä se lukkomutterilla (5/16 tuumaa) kuvan mukaisesti (Kuva 17).

Siirrä nostokahva ylimpään pidäkkeeseen.
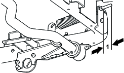
Mittaa ajoyksikön rungon ja saranaputken välinen etäisyys kuvan mukaisesti (Kuva 18).

Jos etäisyys ei ole 1,5–4,6 mm, säädä säätötankoa seuraavasti:
Irrota pultti ja mutteri, joilla tanko on kiinni saranaputkessa (Kuva 19).

Säädä tangon pituutta kiertämällä palloniveltä (katso Kuva 19) sisään tai ulos seuraavasti:
Suurenna rakoa lyhentämällä tankoa.
Pienennä rakoa pidentämällä tankoa.
Asenna tanko pultilla ja lukkomutterilla ja mittaa etäisyys uudelleen.
Toista, kunnes rako on oikean suuruinen.
Kiristä jousta kiristämällä tangon lukkomuttereita, kunnes näkyvissä on 6–13 mm kierteitä (Kuva 20).

Note: Tangon säätö muuttaa järjestelmän nostamiseen tarvittavaa voimaa: mitä pidemmät pultin päät, sitä helpompi työkaluvarsi on nostaa. Jouset on säädettävä siten, että tarvittava nostovoima tuntuu sopivalta. Mitä suurempi apujousen kireys on, sitä vähemmän työkaluvarsi painaa alustaa.
Asenna oikeanpuoleisen pyörän suojapeite.
Asenna takapyörät ja irrota pukit koneen takaosan alta. Katso koneen käyttöopas.
Aseta nostokahva kuljetusasentoon (ylin pykälä).
Kierrä epäkeskopulttia jompaankumpaan suuntaan, kunnes työkaluvarren piikit ovat samansuuntaiset nostovarren (Kuva 17 ja Kuva 21) pykälän kanssa.
Important: Epäkeskopultti ei kierry 360 astetta. Kun pultti pysähtyy, sitä ei saa yrittää kiertää väkisin, jotta se ei vaurioidu. Kierrä pulttia sen sijaan toiseen suuntaan.

Kiristä keskimmäinen saranapultti (osa 4, Kuva 13) momenttiin 20–25 N·m.
Kiristä epäkeskopultin mutteri lujasti mutta älä kiristä liikaa.
Tarkista lisälaitteen toiminta.
Vaiheeseen tarvittavat osat:
| Välilevy (osanro 110-7379) | 1 |
| Välilevy (osanro 110-7380) | 1 |
| Välilevy (osanro 110-7381) | 1 |
Kun työkaluvarsi on asennettu ja kiinnikkeet kiristetty, varmista seuraavien ohjeiden avulla, että työkaluvarren hampaat ovat vaakasuorassa.
Pysäköi kone tasaiselle alustalle.
Varmista, että kaikkien renkaiden ilmanpaineet ovat oikeat ja samansuuruiset. Lisätietoja rengaspaineiden tarkastuksesta on käyttöoppaassa.
Laske työkaluvartta, kunnes hampaat ottavat juuri ja juuri kiinni maahan.
Jos työkaluvarren hampaat ottavat maahan kiinni tasaisesti, työkaluvarsi on vaakasuorassa.
Note: Jos työkaluvarren hampaat ottavat maahan kiinni ensin toisella puolella, tasaa työkaluvarsi. Tasaa työkaluvarsi tekemällä loput vaiheet.
Mittaa etäisyys työkaluvarren hampaista maahan sillä puolella, joka on tasattava, ja valitse tarvittava välilevy seuraavan taulukon avulla.
| Välilevy (paksuus) | Muutos hampaan korkeudessa ulkoreunassa |
| 110-7379 (1,9 mm) | 1/8 tuumaa |
| 110-7381 (3,4 mm) | 6 mm |
| 110-7379 ja 110-7381 (5,3 mm) | 3/8 tuumaa |
| 110-7380 (6,4 mm) | 7/16 tuumaa |
| 110-7379 ja 110-7380 (8,2 mm) | 9/16 tuumaa |
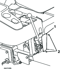
Löysää saranaputken kannattimen pultteja, jotta rungon ja saranaputken kannattimen väliin muodostuu rako (Kuva 22).

Note: Välilevyn asennus voi edellyttää nostopolkimen irrottamista, jotta saranaputken kannattimeen pääsee käsiksi. Lisätietoja on kohdassa Työkaluvarren nostopolkimen asennus.
Asenna välilevy(t) ja kiristä kaikki kiinnikkeet.
Varmista, että työkaluvarsi on tasassa. Säädä tarvittaessa.
Lue oppaat.
Pidä oppaat tallessa.
Työkaluvarsi lasketaan siirtämällä nostokahva vasemmalle, laskemalla se ja liu’uttamalla se sitten oikealle haluttuun pidäkkeeseen.
Työkaluvarsi nostetaan siirtämällä nostokahva vasemmalle, nostamalla se ja liu’uttamalla se sitten oikealle haluttuun pidäkkeeseen.
Työkaluvarsi nostetaan ja lukitaan kuljetusasentoon siirtämällä kahva ylimpään asentoon ja painamalla työkaluvarren nostopoljin alas.
Työkaluvarsi vapautetaan kuljetusasennosta siirtämällä nostokahva alempaan asentoon.
Note: Karhia käytettäessä hampaiden käyttöikää voidaan lisätä kääntämällä niitä.
Note: Halutun käyttöasennon saavuttaminen voi edellyttää työkaluvarren laskemista ensin halutun kohdan yli ja nostamalla sitä sitten takaisin ylöspäin.
Käytön aikana työkaluvarren laskemista paikalleen voidaan helpottaa peruuttamalla konetta hitaasti samalla, kun työkaluvarsi asetetaan haluttuun asentoon. Aja eteenpäin, kun työkaluvarsi on halutussa asennossa. Hampaat osuvat maahan ja vetävät työkaluvarren oikeaan asentoon.
Työkalun alaspäin suuntautuvaa painetta voidaan muuttaa säätämällä säätötangon jousen jännitystä. Alaspäin suuntautuvaa painetta lisätään kiertämällä säätötangon jousiholkkia ¾-tuuman avaimella oikeanpuoleisten kierteiden suuntaan. Alaspäin suuntautuvaa painetta vähennetään kiertämällä sitä vastakkaiseen suuntaan (Kuva 23).
Note: Tämä ei muuta säätötangon asetusta, joka tehtiin kohdassa Kääntöjousen jännityksen ja säätötankokokoonpanon säätö.

Työkaluvarren alaspäin suuntautuvan paineen säädössä voidaan käyttää ohjeena alla olevaa taulukkoa (Kuva 24).
| Jousivoima | |
| Mitta (cm) | Voima (kg·f) |
| 7,63 | 108 |
| 7,32 | 152 |
| 6,99 | 195 |
| 6,65 | 239 |
| 6,35 | 283 |

| Problem | Possible Cause | Corrective Action |
|---|---|---|
| Lisälaitteen nostoon tarvitaan liikaa voimaa. |
|
|
| Kahva ei lukitu pidätinlevyn pidäkkeisiin. |
|
|
| Työkaluvarsi ei ole kuljetusasennossa riittävän korkealla. |
|
|
| Lisälaitteen alaspäin suuntautuva paine ei ole riittävä. |
|
|
| Lisälaite koskettaa käännyttäessä maata epätasaisesti. |
|
|
| Kone pysähtyy, jos se osuu esteeseen. |
|
|
| Työkaluvarren hampaat eivät ole tasassa. |
|
|