Important: Innan du monterar det mittmonterade verktygsstångssystemet bör du införskaffa en av de verktygsstänger som är avsedda för användning tillsammans med systemet. Kontakta en auktoriserad Toro-distributör om du behöver mer information.
Note: Om du monterar verktygsstången 08733 eller 08736 ska du montera monteringsrörfästena som medföljer verktygsstängerna istället för de som medföljer detta redskap. Se monteringsanvisningarna för 08733 eller 08736 om du behöver mer information.
Note: Vid montering av en främre manuell kniv tillsammans med ett mittmonterat verktygsstångssystem ska det mittmonterade verktygsstångssystemet monteras först.
Ställ traktorenheten på en plan yta och lägg i parkeringsbromsen.
För gasreglaget till läget för låg tomgång, sänk ned redskapet och säkerställ att hjuldrivningen är i neutralläge.
Stäng av motorn, ta ut nyckeln, vänta tills alla rörliga delar har stannat och låt alla komponenter svalna.
Delar som behövs till detta steg:
| Skruv (5/16 x 2 ¼ tum) | 2 |
| Mutter (5/16 tum) | 2 |
| Harvens lyfthandtag | 1 |
| Skruv (½ x 3 ¼ tum) | 2 |
| Tunn låsmutter (½ tum) | 2 |
| Spärrplatta | 1 |
| Ratt | 1 |
Lyft upp maskinens bakre del på pallbockar och ta bort bakhjulen. Se maskinens bruksanvisning.
Note: Placera pallbockar under bakhjulens motorfästen. Se maskinens bruksanvisning.
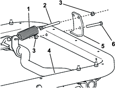
Ta bort de fyra flänsskruvarna som fäster det högra hjulskyddet vid ramen (Figur 1).

Ta bort skyddet och lägg det åt sidan.
Note: Om en manuell kniv (modell 08714) är monterad på maskinen måste det högra monteringsfästet tas bort innan lyftarmen kan monteras.
Ta bort de fyra skruvarna, två brickorna och två muttrarna som fäster skärmpanelen vid ramen och spara brickorna till senare montering (Figur 1).
Note: Du kan kassera skärmpanelen, skruvarna och muttrarna.
Sätt fast harvlyfthandtagets monteringsfäste på höger fotstödsrör med hjälp av två skruvar (½ x 3 ¼ tum) och tunna låsmuttrar (½ tum) i enlighet med Figur 2.

Note: Se till att skruvhuvudena placeras på utsidan och att de tunna låsmuttrarna används.
Important: Det följer med både tunna och tjocka låsmuttrar bland de lösa delarna. Använd de tunna låsmuttrarna i detta steg. De tjocka låsmuttrarna kan inte låsas här och kommer att lossna så småningom.
Note: Handtaget monteras genom traktorenhetens underdel genom att handtaget leds upp genom avsedd öppning som blir tillgänglig när skärmpanelen tas bort.
Note: Ta inte isär handtaget för att sätta fast det på traktorenheten.
Sätt på spärrplattan på harvens lyfthandtag.
Note: Handtaget ska gå mellan spärrplattan och handtagsguiden (Figur 3).

Montera spärrplattan på baksidan av det högra vertikala bakramsröret med två skruvar (5/16 x 2 ¼ tum), de två brickorna som togs bort i steg 4 och två låsmuttrar (5/16 tum). Placera delarna enligt Figur 3.
Gänga på ratten på lyfthandtaget (Figur 3).
Kontrollera att lyfthandtaget har full rörelsefrihet genom spärrplattan och att det kan låsas fast i alla spärrskåror.
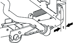
Note: Om lyfthandtaget sitter för löst eller för hårt drar du åt eller lossar på låsmuttrarna på handtagets lyfttapp (Figur 4).

Kontrollera avståndet mellan handtagsenheten och hydraulledningarna.
Note: Det måste finnas ett spel på minst 3 mm (⅛ tum) mellan hydraulledningen och lyfthandtaget. Förankra vid behov hydraulledningen försiktigt (Figur 2).
Delar som behövs till detta steg:
| Vridbart rör | 1 |
| Förlängningsfjäder | 1 |
| Fjäderstång | 1 |
| Fäste för vridbart rör | 2 |
| Skruv (⅜ x 3 tum) | 4 |
| Låsmutter (⅜ tum) | 6 |
| Fjäderfäste | 1 |
| Skruv (⅜ x 2 ¾ tum) | 1 |
Note: Om du monterar verktygsstången 08733 eller 08736 ska du montera monteringsrörfästena som medföljer verktygsstängerna istället för de som medföljer detta redskap. Se monteringsanvisningarna för 08733 eller 08736 om du behöver mer information.
Anslut förlängningsfjädern till en av fjäderspaken på det vridbara röret och till fjäderstången (Figur 5).

Fäst det vridbara rörets fäste löst på höger sida (Figur 5).
Skjut in det vridbara rörets högra sida i det högra vridbara rörets fäste (Figur 5).
Sätt in fjäderstången i hålet i fjäderfästet och fäst den löst med hjälp av en låsmutter (⅜ tum).
Note: Placera fjäderstången i enlighet med Figur 6.

Hissa upp det vridbara rörets vänstra sida i höjd med ramen och sätt fast det med hjälp av ett fäste för det vridbara röret, två skruvar (⅜ x 3 tum) och två låsmuttrar (⅜ tum) (Figur 5).
Montera fjäderfästet på framramsröret med hjälp av en skruv (⅜ x 2 ¾ tum) och en låsmutter (⅜ tum).
Note: Placera fjäderfästet i enlighet med Figur 6.
Dra åt alla fästdon, men dra inte åt den låsmutter som håller fast fjäderstången ännu.
Delar som behövs till detta steg:
| Justerbar stång | 1 |
| Skruv (½ x 1 ½ tum) | 1 |
| Låsmutter (½ tum) | 2 |
Placera den kulled som sitter i den justerbara stångens korta ända till höger om den justerbara stångspaken på det vridbara röret (Figur 7).

Flytta lyfthandtaget till det andra spärrläget uppifrån.
Placera kulleden i den justerbara stångens långa ända över tappen på lyfthandtagets underdel och fäst den löst med hjälp av en låsmutter (½ tum) (Figur 7).
Note: Du kan flytta det vridbara röret uppåt eller nedåt i fästet för att skapa utrymme för att montera den justerbara stången.
Flytta lyfthandtaget hela vägen ned till det nedersta spärrläget.
Flytta den kulled som sitter i den justerbara stångens korta ända runt den justerbara stångens spak på det vridbara röret tills den sitter på vänster sida av spaken.
Note: Du kan flytta det vridbara röret uppåt eller nedåt i fästet för att skapa utrymme för att montera den justerbara stången.
Flytta lyfthandtaget tills dess att hålet i kulleden är i linje med hålet på höger sida av den justerbara stångens spak på det vridbara röret och sätt fast stången vid spaken med hjälp av en skruv (½ x 1 ½ tum) och en låsmutter (½ tum) i enlighet med Figur 8.

Dra åt fästdonen.
Delar som behövs till detta steg:
| Skärmpanel | 1 |
| HWH-skruv (nr 10 x ½ tum) | 2 |
| Höger sadel | 1 |
| Vänster sadel | 1 |
| Skruv (5/16 x 1 tum) | 4 |
| Låsmutter (5/16 tum) | 4 |
Note: Sätt tillbaka den manuella plogen om du tog bort den tidigare.
Montera den nya skärmpanelen på baksidan av ramöppningen med hjälp av två HWH-skruvar (nr 10 x ½ tum) (Figur 9).

Fäst bakdelen av en sadel löst vid varje lyftarm med hjälp av en skruv (5/16 x 1 tum) och en låsmutter (5/16 tum).
Note: Sadeltappen ska peka inåt (Figur 10).
Note: Placera sadlarna i enlighet med Figur 10.

Delar som behövs till detta steg:
| Verktygsstång (säljs separat) | 1 |
Important: Vid montering av en verktygsstång 08733 eller 08736 hoppar du över den här proceduren och monterar den enligt anvisningarna som medföljde verktygsstången. När den är monterad går du till avsnittet Montera verktygsstångens lyftpedal i den här bruksanvisningen.
Note: Om din verktygsstång levereras med tappfästet omonterat ska det monteras i den fjärde kuggen från vänster i enlighet med Figur 11. Dra åt skruven och muttern så att fästet och kuggen sitter fast ordentligt innan du går vidare.

Placera båda redskapsrörets ändar på sadlarna.
Note: Luftarpinnarnas knivkanter ska peka framåt.
Flytta lyfthandtaget till mittläget.
Fäst framdelen på varje sadel på röret med hjälp av en skruv (5/16 x 1 tum) och en låsmutter (5/16 tum) (Figur 12).

Delar som behövs till detta steg:
| Spak | 1 |
| Skruv (5/16 x 2 tum) | 1 |
| Låsmutter (5/16 tum) | 3 |
| Svängplatta | 1 |
| Verktygsstångslänk | 1 |
| Vagnskruv (⅜ x 1 ¼ tum) | 1 |
| Distansbricka | 1 |
| Bricka (1 tum) | 1 |
| Låsmutter (⅜ tum) | 1 |
| Pedalspak | 1 |
| Fästring | 2 |
| Bricka (⅞ tum) | 1 |
| Skruv (5/16 x 1 tum) | 1 |
| Excenterskruv | 1 |
Skjut in spakens stav i det vridbara rörets vänstra del och fäst med hjälp av en skruv (5/16 x 2 tum) och en låsmutter (5/16 tum) genom det vridbara röret (Figur 13).
Note: Du måste eventuellt gänga skruven genom det vridbara röret och spaken.

Fäst svängplattans mittersta hål löst vid tappfästet på verktygsstången med hjälp av en skruv (5/16 x 1 tum) och en låsmutter (5/16 tum) (Figur 14).

Skjut verktygsstångslänkens ände över den korta staven på pedalspaken och fäst med hjälp av en fästring (Figur 15).

Montera staven på den andra sidan av pedalen genom pedalens överdel och fäst med hjälp av en bricka (⅞ tum) och en fästring (Figur 15).
Böj lyftpedalens knä och fäst svängplattans fyrkantiga hål vid verktygsstångslänkens ände med hjälp av en vagnskruv (⅜ x 1 ¼ tum), avståndsbricka, bricka (1 tum), bricka (13/16 tum) och låsmutter (⅜ tum) i enlighet med Figur 16.

För in excenterskruven genom svängplattans underdel och tappfästet och fäst med hjälp av en låsmutter (5/16 tum) enligt Figur 17.

Placera lyfthandtaget i det översta spärrläget.
Mät avståndet mellan traktorenhetens ram och det vridbara röret enligt Figur 18.

Om avståndet inte är mellan 0,06 och 0,18 tum ska den justerbara stången justeras så här:
Ta bort skruven och muttern som fäster stången vid det vridbara röret (Figur 19).

Vrid kulleden som visas i Figur 19 för att ändra stångens längd så här.
Öka avståndet genom att korta av stången.
Minska avståndet genom att förlänga stången.
Montera stången med skruven och låsmuttern och testa avståndet igen.
Upprepa den här proceduren tills avståndet är korrekt.
Dra åt låsmuttrarna som fäster fjäderstängerna tills dess att 6–13 mm av gängorna syns för att påföra spänning på fjädern (Figur 20).

Note: Genom att justera fjäderstången varieras systemets lyftkraft; ju längre skruvändar, desto lättare blir det att lyfta verktygsstången. Fjädrarna ska justeras så att lyftkraften är komfortabel. Ju högre spänning på hjälpfjädern, desto mindre marktryck på verktygsstången.
Sätt fast höger hjulskydd.
Montera bakhjulen och ta bort pallbockarna från maskinens baksida. Se maskinens bruksanvisning.
Placera lyfthandtaget i transportläget (spåret längst upp).
Rotera excenterskruven i valfri riktning tills verktygsstångens luftarpinnar är parallella med spåret på lyftarmen (Figur 17 och Figur 21).
Important: Excenterskruven kan inte rotera 360 grader. Tvinga den inte ytterligare när den stannar då detta kan skada skruven. Rotera den i stället tillbaka i motsatt riktning.

Dra åt den mittersta axelbulten (punkt 4 i Figur 13) till 20–25 Nm.
Dra åt den mutter som håller fast excenterskruven tills den sitter ordentligt, men dra inte åt den för hårt.
Testa att tillbehöret fungerar.
Delar som behövs till detta steg:
| Mellanlägg (artikelnr 110-7379) | 1 |
| Mellanlägg (artikelnr 110-7380) | 1 |
| Mellanlägg (artikelnr 110-7381) | 1 |
När verktygsstången har monterats och fästdonen har dragits åt ska du använda följande procedur för att kontrollera att verktygsstångens kuggar är i balans.
Parkera maskinen på en plan yta.
Kontrollera trycket i alla däck och se till att det är lika stort. Läs bruksanvisningen för mer information om hur man kontrollerar trycket i däcken.
Sänk ned verktygsstången tills dess att kuggarna precis vidrör marken.
Om verktygsstångens kuggar rör jämnt vid marken är verktygsstången i balans.
Note: Om kuggarna på verktygsstångens ena sida rör vid marken före den andra sidan måste verktygsstången balanseras. Fortsätt att balansera genom att följa resten av proceduren.
Mät avståndet från kuggarna på verktygsstången till marken på den sida som ska balanseras och använd sedan tabellen nedan för att bestämma vilket mellanlägg som ska monteras baserat på avståndmätningen.
| Mellanläggspaket (tjocklek i tum) | Ändring i kugghöjd (tum) vid ytterkanten |
| 110-7379 (0,0747 tum) | ⅛ tum |
| 110-7381 (0,1345 tum) | ¼ tum |
| 110-7379 och 110-7381 (0,2094 tum) | ⅜ tum |
| 110-7380 (0,25 tum) | 7/16 tum |
| 110-7379 och 110-7380 (0,3247 tum) | 9/16 tum |
Lossa på de skruvar som håller fast det vridbara rörets fäste för att skapa en öppning mellan ramen och det vridbara rörets fäste (Figur 22).

Note: Vid montering av mellanlägget måste du eventuellt ta bort lyftpedalen för att komma åt det vridbara rörets fäste. Se Montera verktygsstångens lyftpedal.
Montera mellanlägget/mellanläggen och dra åt alla fästdon.
Kontrollera att verktygsstången nu är balanserad. Justera annars vid behov.
Läs dokumentationen.
Förvara dokumentationen på ett säkert ställe.
Sänk ned verktygsstången genom att flytta lyfthandtaget åt vänster, sänka ned det och skjuta det åt höger in i önskat spärrläge.
Höj verktygsstången genom att flytta lyfthandtaget åt vänster, höja upp det och skjuta det åt höger in i önskat spärrläge.
Höj och lås verktygsstången i transportläget genom att flytta lyfthandtaget till det högsta läget och trycka ned verktygsstångens lyftpedal.
Flytta lyfthandtaget till ett lägre läge för att frigöra verktygsstången från transportläget.
Note: Om du använder harvverktygsstången kan kuggarna roteras för att förlänga kuggarnas användbara livslängd.
Note: För att uppnå önskat driftläge måste du eventuellt först sänka ned verktygsstången förbi önskat läge för att sedan hissa upp det igen.
Under drift kan sänkningen av verktygsstången till rätt läge underlättas genom att du långsamt backar maskinen samtidigt som verktygsstången ställs in på önskat djup. Kör framåt när verktygsstången är i rätt läge. Kuggarna kommer i kontakt med marken, vilket drar verktygsstången till inkopplat läge.
Justera den mängd nedåtriktat tryck som utövas på marken av verktyget genom att justera den justerbara stångens fjäderspänning. Använd en skiftnyckel (¾ tum) för att rotera fjäderhylsgjutningen på den justerbara stången i höger gängriktning för att öka det nedåtriktade trycket eller åt motsatt håll för att minska det (Figur 23)
Note: Detta ändrar inte den justerbara stångens inställning som utförs i proceduren Justera den vridbara fjäderns spänning och den justerbara stången.

Använd följande tabell och figur som en guide för att justera verktygsstångens nedåtriktade tryck (Figur 24).
| Fjäderkrafttabell | |
| Mått (tum) | Kraft (pund) |
| 3,00 | 238 |
| 2,88 | 335 |
| 2,75 | 430 |
| 2,62 | 526 |
| 2,50 | 623 |

| Problem | Possible Cause | Corrective Action |
|---|---|---|
| Det krävs överdriven kraft för att lyfta redskapet |
|
|
| Handtaget fäster inte i spåren på spärrplattan. |
|
|
| Verktygsstången roterar inte tillräckligt högt. |
|
|
| Redskapets nedåtriktade tryck är för lätt |
|
|
| Det är ojämn kontakt med marken när maskinen svänger. |
|
|
| Maskinen stannar när den kör på ett hinder. |
|
|
| Verktygsstångens kuggar är inte balanserade |
|
|