Important: Před montáží systému středové nástrojové tyče je nutné, abyste si obstarali jednu z nástrojových tyčí určenou pro použití se systémem. Více informací vám poskytne autorizovaný prodejce Toro.
Note: Pokud montujete nástrojovou tyč 08733 nebo 08736, namontujte konzoly otočné trubky dodané s těmito nástrojovými tyčemi namísto konzol dodaných s tímto přídavným zařízením. Další informace naleznete v montážních pokynech k tyči 08733 nebo 08736.
Note: Pokud společně se systémem středové nástrojové tyče montujete na přední stranu stroje ručně ovládanou radlici, nejdříve namontujte systém středové nástrojové tyče.
Zaparkujte hnací jednotku na rovném povrchu a zatáhněte parkovací brzdu.
Přepněte spínač škrticí klapky do polohy nízkých volnoběžných otáček, spusťte přídavné zařízení dolů a zkontrolujte, zda je ovládání pojezdu v neutrální poloze.
Vypněte motor, vyjměte klíč, počkejte, dokud se nezastaví všechny pohybující se části, a všechny součásti nechejte vychladnout.
Díly potřebné k provedení tohoto kroku:
| Šroub (5/16 x 2 ¼ in) | 2 |
| Matice (5/16 in) | 2 |
| Sestava zvedací páky rozrývače | 1 |
| Šroub (½ x 3 ¼ in) | 2 |
| Tenká pojistná matice (½ in) | 2 |
| Aretační deska | 1 |
| Rukojeť | 1 |
Zvedněte zadní část stroje na montážní stolice a demontujte zadní kola; viz provozní příručka ke stroji.
Note: Pod držáky motoru zadních kol umístěte montážní stolice; viz provozní příručka ke stroji.
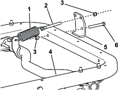
Demontujte 4 šrouby s přírubovou hlavou, které upevňují kryt pravého kola k rámu (Obrázek 1).

Kryt sejměte a uschovejte.
Note: Pokud je na stroji namontována ručně ovládaná radlice (model 08714), před montáží sestavy zvedacího ramene demontujte pravou montážní konzolu radlice.
Demontujte 2 + 2 šrouby, 2 podložky a 2 matice, které upevňují mřížkový panel k rámu, a podložky uschovejte pro pozdější montáž (Obrázek 1).
Note: Mřížkový panel, šrouby a matice můžete zlikvidovat.
Pomocí 2 šroubů (½ x 3 ¼ in) a tenkých pojistných matic (½ in) namontujte montážní konzolu sestavy zvedací páky rozrývače k trubkám pravé nožní opěrky, viz Obrázek 2.

Note: Hlavy šroubů musí být umístěny na vnější straně a použity musí být tenké pojistné matice.
Important: Mezi volně dodávanými součástmi jsou jak silné, tak tenké pojistné matice. Pro tento krok použijte tenké pojistné matice. Silné pojistné matice se na tomto místě nemusí dotáhnout a nakonec se mohou zcela vyšroubovat.
Note: Sestava páky se montuje přes spodní část hnací jednotky tak, že prochází otvorem, který vznikne po demontáži mřížkového panelu.
Note: Sestavu páky nerozebírejte a nemontujte ji do hnací jednotky.
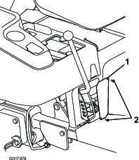
Na zvedací páku rozrývače nasuňte aretační desku.
Note: Páka musí procházet mezi aretační deskou a vodítkem páky (Obrázek 3).

Pomocí 2 šroubů (5/16 x 2 ¼ in), 2 podložek demontovaných v kroku 4 a 2 pojistných matic (5/16 in) namontujte aretační desku na zadní stranu pravé zadní svislé trubky rámu. Díly umístěte do správné polohy, viz Obrázek 3.
Rukojeť našroubujte na zvedací páku (Obrázek 3).
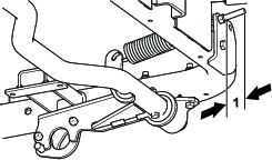
Ujistěte se, že se zvedací páka pohybuje v aretační desce v celém rozsahu pohybu a že se v každé aretované poloze zajistí.
Note: Pokud je zvedací páka příliš volná nebo příliš utažená, utáhněte nebo povolte pojistné matice na otočném čepu zvedací páky (Obrázek 4).

Zkontrolujte mezeru mezi sestavou zvedací páky a hydraulickými vedeními.
Note: Mezi hydraulickým vedením a sestavou zvedací páky musí být minimální mezera 3 mm. Opatrně přemístěte hydraulické vedení podle potřeby (Obrázek 2).
Díly potřebné k provedení tohoto kroku:
| Otočná trubka | 1 |
| Tažná pružina | 1 |
| Tyč pružiny | 1 |
| Konzola otočné trubky | 2 |
| Šroub (⅜ x 3 in) | 4 |
| Pojistná matice (⅜ in) | 6 |
| Držák pružiny | 1 |
| Šroub (⅜ x 2 ¾ in) | 1 |
Note: Pokud montujete nástrojovou tyč 08733 nebo 08736, namontujte konzoly otočné trubky dodané s těmito nástrojovými tyčemi namísto konzol dodaných s tímto přídavným zařízením. Další informace naleznete v montážních pokynech k tyči 08733 nebo 08736.
Připojte tažnou pružinu k páce pružiny na otočné trubce a k tyči pružiny (Obrázek 5).

Konzolu otočné trubky volně namontujte na pravou stranu (Obrázek 5).
Pravou stranu otočné trubky zasuňte do pravé konzoly otočné trubky (Obrázek 5).
Tyč pružiny zasuňte do otvoru v držáku pružiny a volně ji zajistěte pojistnou maticí (⅜ in).
Note: Umístěte tyč pružiny do správné polohy, viz Obrázek 6.

Zvedněte levou stranu otočné trubky k rámu a namontujte ji pomocí konzoly otočné trubky, 2 šroubů (⅜ x 3 in) a 2 pojistných matic (⅜ in) (Obrázek 5).
Pomocí šroubu (⅜ x 2 ¾ in) a pojistné matice (⅜ in) namontujte držák pružiny k přední trubce rámu.
Note: Držák pružiny umístěte do správné polohy, viz Obrázek 6.
Utáhněte všechny upevňovací prvky, ale neutahujte pojistnou matici, která momentálně zajišťuje tyč pružiny.
Díly potřebné k provedení tohoto kroku:
| Sestava stavitelné tyče | 1 |
| Šroub (½ x 1 ½ in) | 1 |
| Pojistná matice (½ in) | 2 |
Umístěte kulový kloub na krátké straně sestavy stavitelné tyče doprava od páky stavitelné tyče na otočné trubce (Obrázek 7).

Posuňte zvedací páku nahoru do druhé aretované polohy.
Nasaďte kulový kloub na dlouhé straně sestavy stavitelné tyče na trn na spodní straně sestavy zvedací páky a volně jej zajistěte pojistnou maticí (½ in) (Obrázek 7).
Note: Posunutím otočné trubky v konzole nahoru nebo dolů získáte k montáži stavitelné tyče více místa.
Přesuňte zvedací páku zcela dolů do dolní aretované polohy.
Přemístěte kulový kloub na krátké straně stavitelné tyče podél páky stavitelné tyče na otočné trubce tak, aby se nacházel na levé straně páky tyče.
Note: Posunutím otočné trubky v konzole nahoru nebo dolů získáte k montáži stavitelné tyče více místa.
Posuňte zvedací páku tak, aby se otvor v kulovém kloubu vyrovnal s otvorem na pravé straně páky stavitelné tyče na otočné trubce, a zajistěte tyč k páce pomocí šroubu (½ x 1 ½ in) a pojistné matice (½ in), viz Obrázek 8.

Šrouby a matice utáhněte.
Díly potřebné k provedení tohoto kroku:
| Mřížkový panel | 1 |
| Šroub HWH (č. 10 x ½ in) | 2 |
| Sestava pravého sedla | 1 |
| Sestava levého sedla | 1 |
| Šroub (5/16 x 1 in) | 4 |
| Pojistná matice (5/16 in) | 4 |
Note: Pokud jste demontovali ručně ovládanou radlici, nyní ji namontujte.
Na zadní stranu otvoru rámu namontujte pomocí 2 šroubů HWH ((č. 10 x ½ in) (Obrázek 9) nový mřížkový panel.

Pomocí šroubu (5/16 x 1 in) a pojistné matice (5/16 in) volně připevněte zadní část sestavy sedla ke každému zvedacímu ramenu.
Note: Čep sedla musí směřovat dovnitř (Obrázek 10).
Note: Sedla umístěte do správné polohy, viz Obrázek 10.

Díly potřebné k provedení tohoto kroku:
| Nástrojová tyč (prodává se samostatně) | 1 |
Important: Pokud montujete nástrojovou tyč 08733 nebo 08736, tento postup vynechejte a namontujte ji podle pokynů dodaných s danou nástrojovou tyčí. Po montáži přejděte k části Montáž pedálu zvedání nástrojové tyče“ v této příručce.
Note: Pokud se nástrojová tyč dodává bez namontované otočné konzoly, namontujte ji na čtvrtý hrot zleva (viz Obrázek 11) a utáhněte šroub a matici, abyste konzolu a hrot zajistili předtím, než budete pokračovat v postupu.

Umístěte oba konce připojovací trubky na sedla.
Note: Řezné hrany hrotů musí směřovat dopředu.
Přemístěte zvedací páku do střední polohy.
Upevněte přední část každého sedla k sestavě trubky pomocí šroubu (5/16 x 1 in) a pojistné matice (5/16 in) (Obrázek 12).

Díly potřebné k provedení tohoto kroku:
| Sestava páky | 1 |
| Šroub (5/16 x 2 in) | 1 |
| Pojistná matice (5/16 in) | 3 |
| Otočné rameno | 1 |
| Táhlo nástrojové tyče | 1 |
| Vratový šroub (⅜ x 1 ¼ in) | 1 |
| Rozpěrný kroužek | 1 |
| Podložka (1 in) | 1 |
| Pojistná matice (3/8 in) | 1 |
| Sestava páky pedálu | 1 |
| Pojistný kroužek | 2 |
| Podložka (⅞ in) | 1 |
| Šroub (5/16 x 1 in) | 1 |
| Excentrický šroub | 1 |
Zasuňte tyč na sestavě páky do levého konce otočné trubky a zajistěte jej přes otočnou trubku šroubem (5/16 x 2 in) a pojistnou maticí (5/16 in) (Obrázek 13).
Note: Je možné, že budete muset šroub zašroubovat do otočné trubky a sestavy páky.

Pomocí šroubu (5/16 x 1 in) a pojistné matice (5/16 in) (Obrázek 14) volně namontujte středový otvor otočného ramene k otočné konzole na nástrojové tyči.

Nasuňte konec táhla nástrojové tyče na krátkou tyč na sestavě páky pedálu a zajistěte jej pojistným kroužkem (Obrázek 15).

Namontujte tyč na druhý konec sestavy páky pedálu přes horní část sestavy páky a zajistěte ji pomocí podložky (⅞ in) a pojistného kroužku (Obrázek 15).
Otočte koleno sestavy pedálu zvedání směrem nahoru, nasaďte čtvercový otvor na otočném ramenu na konec táhla nástrojové tyče a upevněte pomocí vratového šroubu (⅜ x 1 ¼ in), rozpěrného kroužku, podložky (1 in), podložky (13/16 in) a pojistné matice (⅜ in), viz Obrázek 16.

Namontujte excentrický šroub do dolní části otočného ramene a otočné konzoly a zajistěte jej pojistnou maticí (5/16 in), viz Obrázek 17.

Umístěte zvedací páku do horní aretované polohy.
Změřte vzdálenost mezi rámem hnací jednotky a otočnou trubkou, viz Obrázek 18.

Pokud mezera není 1,52 až 4,57 mm (0,06 až 0,18 in), seřiďte stavitelnou tyč následujícím způsobem:
Demontujte šroub a matici, které upevňují tyč k otočné trubce (Obrázek 19).

Otočením kulového kloubu (viz Obrázek 19) upravte délku tyče následujícím způsobem:
Chcete-li mezeru zvětšit, zkraťte tyč.
Chcete-li mezeru zmenšit, prodlužte tyč.
Namontujte tyč pomocí šroubu a pojistné matice a mezeru znovu zkontrolujte.
Tento postup opakujte, dokud nebude velikost mezery správná.
Utáhněte pojistné matice upevňující tyč pružiny tak, aby se odkrylo 6 mm až 13 mm závitu a došlo k napnutí pružiny (Obrázek 20).

Note: Nastavením tyče pružiny se změní zvedací síla systému: čím delší budou konce šroubů, tím snadněji se bude nástrojová tyč zvedat. Nastavte pružiny tak, aby zvedací síla byla pohodlná. Čím více je pomocná pružina napnuta, tím menší tlak bude nástrojová tyč vyvíjet na zem.
Namontujte kryt pravého kola.
Namontujte zadní kola a odstraňte montážní stolice zpod zadní části stroje; viz provozní příručka ke stroji.
Umístěte zvedací páku do přepravní polohy (horní krajní výřez).
Otáčejte excentrickým šroubem v obou směrech, dokud nebudou hroty nástrojové tyče rovnoběžné s výřezem ve zvedacím ramenu (Obrázek 17 a Obrázek 21).
Important: Excentrický šroub nelze otočit o 360 stupňů. Jakmile dosáhne krajní polohy, nepokoušejte se jej silou otočit dále, abyste jej nepoškodili. Místo toho jej otočte zpět opačným směrem.

Utáhněte středový otočný šroub (položka 4, viz Obrázek 13) na utahovací moment 20 až 25 Nm (175 až 225 in-lb).
Dostatečně utáhněte matici, která zajišťuje excentrický šroub, ale neutahujte ji nadměrně.
Zkontrolujte funkci přídavného zařízení.
Díly potřebné k provedení tohoto kroku:
| Vymezovací podložka (č. dílu 110-7379) | 1 |
| Vymezovací podložka (č. dílu 110-7380) | 1 |
| Vymezovací podložka (č. dílu 110-7381) | 1 |
Jakmile namontujete nástrojovou tyč a utáhnete upevňovací prvky, zkontrolujte pomocí následujícího postupu, zda jsou hroty nástrojové tyče ve vodorovné poloze:
Zaparkujte stroj na rovném povrchu.
Zkontrolujte tlak všech pneumatik a ujistěte se, že jsou hodnoty stejné. Další informace o kontrole tlaku v pneumatikách naleznete v provozní příručce.
Spouštějte nástrojovou tyč dolů, dokud se hroty nezačnou dotýkat země.
Pokud se hroty nástrojové tyče dotýkají země rovnoměrně, nástrojová tyč je vyrovnaná.
Note: Pokud se hroty na jedné straně nástrojové tyče dotknou země dříve než hroty na druhé straně, nástrojovou tyč vyrovnejte. Pokračujte ve vyrovnávání provedením zbývající části tohoto postupu.
Změřte vzdálenost od hrotů nástrojové tyče k zemi na té straně, která vyžaduje vyrovnání. Poté pomocí následující tabulky určete, kterou vymezovací podložku je na základě naměřené vzdálenosti třeba nainstalovat:
| Sada vymezovacích podložek (tloušťka v palcích) | Změna výšky hrotu (v palcích) na vnějším okraji |
| 110-7379 (0,0747 in) | ⅛ in |
| 110-7381 (0,1345 in) | ¼ in |
| 110-7379 a 110-7381 (0,2094 in) | ⅜ in |
| 110-7380 (0,25 in) | 7/16 in |
| 110-7379 a 110-7380 (0,3247 in) | 9/16 in |
Povolte šrouby upevňující konzolu otočné trubky tak, aby mezi rámem a konzolou otočné trubky vznikla mezera (Obrázek 22).

Note: Při montáži vymezovací podložky může být nutné demontovat pedál zvedání, abyste získali přístup ke konzole otočné trubky. Viz část Montáž pedálu zvedání nástrojové tyče.
Namontujte vymezovací podložku (podložky) a utáhněte všechny upevňovací prvky.
Zkontrolujte, zda je nástrojová tyč nyní vyrovnaná. Pokud není, podle potřeby ji seřiďte.
Přečtěte si dokumentaci.
Dokumentaci uložte na bezpečném místě.
Chcete-li nástrojovou tyč spustit dolů, posuňte zvedací páku doleva, spusťte ji dolů a poté ji posuňte doprava do požadované aretované polohy.
Chcete-li nástrojovou tyč zvednout, posuňte zvedací páku doleva, zvedněte ji a poté ji posuňte doprava do požadované aretované polohy.
Chcete-li nástrojovou tyč zvednout a uzamknout v přepravní poloze, posuňte zvedací páku do nejvyšší polohy a sešlápněte pedál zvedání nástrojové tyče.
Chcete-li nástrojovou tyč uvolnit z přepravní polohy, posuňte zvedací páku do nižší polohy.
Note: Pokud používáte nástrojovou tyč rozrývače, otočením hrotů můžete prodloužit jejich provozní životnost.
Note: Chcete-li nástrojovou tyč nastavit do požadované provozní polohy, může být nutné nejprve ji spustit dolů za požadovanou polohu a poté ji znovu zvednout.
Během provozu můžete nástrojovou tyč spustit do polohy pomalou jízdou se strojem dozadu a současným nastavováním nástrojové tyče do požadované hloubky. Jakmile je nástrojová tyč v požadované poloze, rozjeďte se dopředu. Hroty se budou dotýkat země a budou vtahovat nástrojovou tyč do zahloubené polohy.
Chcete-li nastavit tlak, kterým nářadí působí dolů na zem, nastavte napnutí pružiny na stavitelné tyči. Pomocí 3/4palcového klíče otáčejte tělesem objímky pružiny na stavitelné tyči: otáčením doprava tlak směrem dolů zvýšíte, otáčením doleva tlak směrem dolů snížíte (Obrázek 23).
Note: Nastavení stavitelné tyče provedené postupem Nastavení napnutí pružiny otočného čepu a sestavy stavitelné tyče se tím nezmění.

Následující tabulka a obrázek slouží jako vodítko pro nastavení tlaku nástrojové tyče směrem dolů (Obrázek 24).
| Tabulka síly pružiny | |
| Rozměry (palce) | Síla (libry) |
| 3,00 | 238 |
| 2,88 | 335 |
| 2,75 | 430 |
| 2,62 | 526 |
| 2,50 | 623 |

| Problem | Possible Cause | Corrective Action |
|---|---|---|
| Zvedání příslušenství vyžaduje nadměrnou sílu. |
|
|
| Páka se nezajišťuje v aretačních otvorech aretační desky. |
|
|
| Nástrojová tyč se neotáčí dostatečně vysoko. |
|
|
| Tlak přídavného zařízení směrem dolů je příliš nízký. |
|
|
| Při otáčení stroje dochází k nerovnoměrnému kontaktu se zemí. |
|
|
| Stroj se zastaví, když narazí na překážku. |
|
|
| Hroty nástrojové tyče nejsou v rovině. |
|
|