Important: Перед монтажом системы навесного бруса Midmount необходимо приобрести один из навесных брусьев, поставляемых для данной системы. За дополнительной информацией обращайтесь к официальному дистрибьютору компании Toro.
Note: Если вы устанавливаете навесной брус 08733 или 08736, установите шарнирные трубчатые кронштейны, поставляемые с указанными навесными брусами, вместо кронштейнов, поставляемых с навесным оборудованием. См. дополнительную информацию в прилагаемых инструкциях по установке навесных брусов 08733 или 08736.
Note: В случае монтажа переднего ручного ножа в сочетании с системой навесного бруса Midmount сначала установите систему навесного бруса Midmount.
Припаркуйте тяговый блок на ровной горизонтальной поверхности и включите стояночный тормоз.
Переведите переключатель дроссельной заслонки в положение малой частоты вращения холостого хода, опустите навесное оборудование и убедитесь в том, что тяговый привод находится в нейтральном положении.
Заглушите двигатель, извлеките ключ, дождитесь остановки всех движущихся частей и дайте всем компонентам остыть.
Детали, требуемые для этой процедуры:
| Болт (5/16 x 2¼ дюйма) | 2 |
| Гайка (5/16 дюйма) | 2 |
| Узел рукоятки подъема скарификатора | 1 |
| Болт (½ x 3¼ дюйма) | 2 |
| Низкая контргайка (½ дюйма) | 2 |
| Фиксирующая пластина | 1 |
| Головка | 1 |
Поднимите заднюю часть машины на подъемные опоры и снимите задние колеса; см. Руководство оператора для вашей машины.
Note: Установите подъемные опоры под крепления задних колесных моторов; см. Руководство оператора для вашей машины.
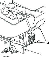
Снимите 4 винта с буртиком, которые крепят кожух правого колеса к раме (Рисунок 1).

Снимите и сохраните кожух.
Note: Если на машину монтируется ручной нож (мод. 08714), перед монтажом узла рычага подъема снимите правый кронштейн крепления ножа.
Снимите 2 винта, 2 болта, 2 шайбы и 2 гайки, которые крепят щиток к раме, и сохраните шайбы для установки на более позднем этапе (Рисунок 1).
Note: Щиток, болты, винты и гайки можно удалить в отходы.
Установите монтажный кронштейн узла рукоятки подъема скарификатора на правую трубчатую подножку, используя два болта (½ x 3¼ дюйма) и низкие контргайки, как показано на Рисунок 2.

Note: Убедитесь в том, что головки болтов расположены снаружи и что используются низкие контргайки.
Important: В поставляемых отдельно деталях имеются и высокие, и низкие контргайки. На этом этапе используйте низкие контргайки. Высокие контргайки не смогут застопориться в этом месте и со временем отпадут.
Note: Узел рукоятки монтируется через днище тягового блока путем проведения рычага вверх через окно, полученное благодаря снятию щитка.
Note: Нельзя разбирать узел рукоятки, чтобы установить его в тяговый блок.
Наденьте на рукоятку подъема скарификатора фиксирующую пластину.
Note: Рукоятка должна пройти между фиксирующей пластиной и направляющей рукоятки (Рисунок 3).

Установите фиксирующую пластину на обратную сторону задней вертикальной трубы рамы с помощью 2 болтов (5/16 x 2¼ дюйма) и 2 шайб, снятых на этапе 4, а также 2 контргаек (5/16 дюйма). Расположите детали, как показано на Рисунок 3.
Установите головку на рычаг подъема (Рисунок 3).
Убедитесь в том, что рукоятка подъема передвигается на всю длину хода через фиксирующую пластину и запирается в каждой позиции фиксирующей пластины.
Note: Если рукоятка подъема передвигается слишком свободно или слишком туго, затяните или отпустите контргайки на шарнире рычага подъема (Рисунок 4).

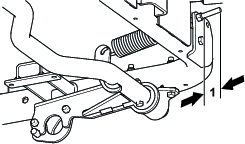
Проверьте зазор между узлом рукоятки подъема и гидравлическими трубопроводами.
Note: Минимальный зазор между гидравлическим трубопроводом и узлом рукоятки подъема должен составлять 3 мм. Осторожно передвиньте гидравлический трубопровод так, как требуется (Рисунок 2).
Детали, требуемые для этой процедуры:
| Шарнирная труба | 1 |
| Пружина растяжения | 1 |
| Шток пружины | 1 |
| Кронштейн шарнирной трубы | 2 |
| Болт (⅜ x 3 дюйма) | 4 |
| Контргайка (⅜ дюйма) | 6 |
| Кронштейн пружины | 1 |
| Болт (⅜ x 2¾ дюйма) | 1 |
Note: Если вы устанавливаете навесной брус 08733 или 08736, установите шарнирные трубчатые кронштейны, поставляемые с указанными навесными брусами, вместо кронштейнов, поставляемых с навесным оборудованием. См. дополнительную информацию в прилагаемых инструкциях по установке навесных брусов 08733 или 08736.
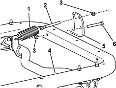
Подсоедините пружину растяжения к пружинному рычагу на шарнирной трубе и к штоку пружины (Рисунок 5).

Свободно установите кронштейн шарнирной трубы на правой стороне (Рисунок 5).
Вставьте правую сторону шарнирной трубы в правый кронштейн шарнирной трубы (Рисунок 5).
Вставьте шток пружины в отверстие кронштейна пружины и закрепите его, не затягивая, контргайкой (⅜ дюйма).
Note: Расположите шток пружины, как показано на Рисунок 6.

Поднимите левую сторону шарнирной трубы к раме и установите ее в кронштейн шарнирной трубы с помощью двух болтов ⅜ x 3 дюйма) и двух контргаек (⅜ дюйма) (Рисунок 5).
Установите кронштейн пружины на передней трубе рамы болтом (⅜ x 2¾ дюйма) и контргайкой (⅜ дюйма).
Note: Расположите кронштейны пружин, как показано на Рисунок 6.
Затяните все детали крепления, но в этот момент не затягивайте контргайку крепления штока пружины.
Детали, требуемые для этой процедуры:
| Узел регулируемой тяги | 1 |
| Болт (½ x 1½ дюйма) | 1 |
| Контргайка (½ дюйма) | 2 |
Поместите шаровую опору короткого конца регулируемой тяги справа от рычага регулируемой тяги на шарнирной трубе (Рисунок 7).

Передвиньте рукоятку подъема во второе сверху положение фиксации.
Поместите шаровую опору на длинном конце узла регулируемой тяги на шпильку на нижней стороне узла рукоятки подъема и свободно закрепите ее контргайкой (½ дюйма) (Рисунок 7).
Note: Шарнирную трубу можно двигать вверх или вниз в ее кронштейне, чтобы оставить свободное место для монтажа регулируемой тяги.
Передвиньте рукоятку подъема до отказа вниз в нижнее положение фиксации.
Поворачивайте шаровую опору на коротком конце регулируемой тяги вокруг рычага регулируемой тяги на шарнирной трубе до тех пор, пока она не окажется на левой стороне рычага тяги.
Note: Шарнирную трубу можно двигать вверх или вниз в ее кронштейне, чтобы оставить свободное место для монтажа регулируемой тяги.
Двигайте рукоятку подъема, пока отверстие в шаровой опоре не совместится с отверстием на правой стороне рычага регулируемой тяги на шарнирной трубе, и прикрепите тягу к рычагу болтом (½ x 1½ дюйма) и контргайкой (½ дюйма) как показано на Рисунок 8.

Затяните детали крепления.
Детали, требуемые для этой процедуры:
| Щиток | 1 |
| Винт с шестигранной головкой, буртиком и шлицом (HWH) (№ 10- x ½ дюйма) | 2 |
| Узел правой опоры | 1 |
| Узел левой опоры | 1 |
| Болт (5/16 x 1 дюйм) | 4 |
| Контргайка (5/16 дюйма) | 4 |
Note: Если ручной нож был снят, установите его на этом этапе.
Установите новый щиток на заднюю сторону отверстия рамы с помощью 2 винтов с головками с шестигранными буртиками (№ 10 x ½ дюйма) (Рисунок 9).

Свободно прикрепите заднюю часть щитка опоры к каждому рычагу подъема болтом (5/16 x 1 дюйм) и контргайкой (5/16 дюйма).
Note: Упорная шпилька опоры должна быть обращена внутрь (Рисунок 10).
Note: Расположите опоры, как показано на Рисунок 10.

Детали, требуемые для этой процедуры:
| Навесной брус (продается отдельно) | 1 |
Important: Если вы устанавливаете навесной брус 08733 или 08736, пропустите эту процедуру и установите навесной брус, используя инструкции, прилагаемые к навесному брусу. После установки навесного бруса перейдите к установке педали подъема навесного бруса, описанной в настоящих инструкциях.
Note: Если навесной брус поступил без установленного шарнирного кронштейна, установите кронштейн на четвертый зуб слева, как показано на Рисунок 11 и затяните болт и гайку так, чтобы кронштейн и зуб были закреплены перед дальнейшими действиями.

Поместите каждый конец трубы навесного оборудования на опоры.
Note: Режущие кромки зубьев должны быть направлены вперед.
Переведите рукоятку подъема в среднее положение.
Закрепите переднюю часть каждой опоры на узле трубы болтом (5/16 x 1 дюйм) и контргайкой (5/16 дюйма) (Рисунок 12).

Детали, требуемые для этой процедуры:
| Узел рычага | 1 |
| Болт (5/16 x 2 дюйма) | 1 |
| Контргайка (5/16 дюйма) | 3 |
| Шарнирная планка | 1 |
| Звено навесного бруса | 1 |
| Каретный болт (⅜ x 1¼ дюйма) | 1 |
| Проставка | 1 |
| Шайба (1 дюйм) | 1 |
| Контргайка (⅜ дюйма) | 1 |
| Узел рычага педали | 1 |
| Стопорное кольцо | 2 |
| Шайба (⅞ дюйма) | 1 |
| Болт (5/16 x 1 дюйм) | 1 |
| Эксцентриковый болт | 1 |
Вставьте стойку на узле рычага в левый конец шарнирной трубы и закрепите его болтом (5/16 x 2 дюйма) и контргайкой (5/16 дюйма) через шарнирную трубу (Рисунок 13).
Note: Может потребоваться завернуть болт через шарнирную трубу и узел рычага.

Свободно установите шарнирную планку, используя среднее отверстие, на шарнирный кронштейн на навесном брусе, с помощью болта (5/16 x 1 дюйм) и контргайки (5/16 дюйма) (Рисунок 14).

Наденьте конец звена навесного бруса на короткую стойку узла рычага педали и закрепите его стопорным кольцом (Рисунок 15).

Вставьте стойку на другом конце узла рычага педали через верхнюю часть узла рычага и закрепите его шайбой (⅞ дюйма) и стопорным кольцом (Рисунок 15).
Отведя отогнутое колено узла педали подъема вверх, закрепите квадратное отверстие шарнирной планки на конце звена навесного бруса, используя каретный болт (⅜ x 1¼ дюйма), проставку, шайбу (1 дюйм), шайбу (13/16 дюйма и контргайку (⅜ дюйма), как показано на Рисунок 16.

Установите эксцентриковый болт через нижнее отверстие шарнирной планки и шарнирный кронштейн и закрепите с помощью контргайки (5/16 дюйма), как показано на Рисунок 17.

Переведите рукоятку подъема в верхнее фиксируемое положение.
Измерьте расстояние между рамой тягового блока и шарнирной трубой, как показано на Рисунок 18.

Если зазор не лежит в интервале от 0,06 до 0,18 дюйма, произведите следующую регулировку регулируемой тяги:
Снимите болт и шайбу, которые крепят тягу к шарнирной трубе (Рисунок 19).

Поворачивайте шаровую опору, показанную на Рисунок 19, так, чтобы изменить длину тяги следующим образом:
Для увеличения зазора укорачивайте тягу.
Для уменьшения зазора удлиняйте тягу.
Установите тягу с помощью болта и гайки и снова проверьте зазор.
Повторяйте эту процедуру до получения правильного зазора.
Затягивайте контргайки, которые крепят пружинную тягу, пока наружу не будут выступать 6 – 13 мм резьбы, что свидетельствует о приложении натяжения к пружине (Рисунок 20).

Note: Регулировка пружинной тяги изменяет усилие подъема системы; чем длиннее концы болтов, тем легче будет поднимать навесной брус. Отрегулируйте пружину так, чтобы усилие подъема было комфортным. Чем сильнее натяжение вспомогательной пружины, тем меньшим будет давление навесного бруса на землю.
Установите кожух правого колеса.
Установите задние колеса и удалите подъемные опоры из-под задней части машины; см. Руководство оператора для вашей машины.
Переведите рукоятку подъема в транспортное положение (крайний верхний паз).
Поворачивайте эксцентриковый болт в любом направлении, пока зубья навесного бруса не станут параллельны прорези в рычаге подъема (Рисунок 17 и Рисунок 21).
Important: На 360 град. эксцентриковый болт не поворачивается. Когда он останавливается, не прикладывайте к нему силу, т.к. он будет поврежден. Вместо этого поверните его назад в обратном направлении.

Затяните средний болт шарнира (поз. 4 на Рисунок 13) с моментом 20 – 25 Н·м.
Затяните до отказа гайку, которая крепит эксцентриковый болт, но не перетягивайте ее.
Проверьте работу навесного оборудования.
Детали, требуемые для этой процедуры:
| Регулировочная прокладка (№ по кат. 110-7379) | 1 |
| Регулировочная прокладка (№ по кат. 110-7380) | 1 |
| Регулировочная прокладка (№ по кат. 110-7381) | 1 |
После того как навесной брус будет установлен и детали крепления затянуты, используйте следующую процедуру для проверки выравнивания зубьев навесного бруса:
Установите машину на горизонтальной поверхности.
Проверьте давление во всех шинах и обеспечьте, чтобы оно было одинаковым. Дополнительную информацию о проверке давления см. в «Руководстве для оператора».
Опускайте навесной брус, пока зубья не начнут контактировать с землей.
Если зубья навесного бруса контактируют с землей равномерно, то навесной брус выровнен.
Note: Если зубья на одной стороне навесного бруса касаются земли раньше, чем на другой, то необходимо выровнять навесной брус. Произведите выравнивания, выполнив остальные действия этой процедуры.
Измерьте зазор от зубьев навесного бруса до земли на той стороне, которая требует выравнивания, после чего используйте нижеследующую таблицу, чтобы определить, какую регулировочную прокладку следует установить, исходя из результатов измерений:
| Пакет регулировочных прокладок (толщина в дюймах) | Изменение высоты зубьев (в дюймах) на внешнем краю |
| 110-7379 (0,0747 дюйма) | ⅛ дюйма |
| 110-7381 (0,1345 дюйма) | ¼ дюйма |
| 110-7379 и 110-7381 (0,2094 inches) | ⅜ дюйма |
| 110-7380 (0,25 дюйма) | 7/16 дюйма |
| 110-7379 и 110-7380 (0,3247 дюйма) | 9/16 дюйма |
Ослабьте болты, которые крепят кронштейн шарнирной трубы, чтобы создать просвет между рамой и кронштейном шарнирной трубы (Рисунок 22).

Note: Для установки регулировочной прокладки может потребоваться снять педаль подъема для доступа к кронштейну шарнирной трубы. См. Монтаж педали навесного бруса.
Установите регулировочную прокладку (прокладки) и затяните все детали крепления.
Убедитесь в том, что навесной брус теперь выровнен. В противном случае необходимо его отрегулировать.
Изучите документацию.
Сохраните документацию в безопасном месте.
Чтобы опустить навесной брус, передвиньте рукоятку подъема влево, опустите ее, а затем сдвиньте вправо в требуемое положение фиксации.
Чтобы поднять навесной брус, передвиньте рукоятку подъема влево, поднимите ее, а затем сдвиньте вправо в требуемое положение фиксации.
Чтобы поднять и зафиксировать навесной брус в транспортном положении, передвиньте рукоятку подъема в крайнее верхнее положение и нажмите на педаль подъема навесного бруса.
Чтобы освободить навесной брус из транспортного положения, передвиньте рукоятку подъема в крайнее нижнее положение.
Note: Если используется навесной брус скарификатора, то поверните зубья, чтобы увеличить их срок службы.
Note: Чтобы получить требуемое рабочее положение, необходимо опустить навесной брус ниже требуемого положения, а затем приподнять его.
Во время работы можно опустить навесной брус в требуемое положение, медленно двигаясь задним ходом и одновременно устанавливая навесной брус на требуемую глубину. Как только навесной брус окажется в требуемом положении, двигайтесь вперед. Зубья вступят в контакт с землей, вытягивая навесной брус в положение зацепления.
Чтобы отрегулировать величину давления оборудования на грунт, отрегулируйте натяжение пружины регулируемой тяги. Используя ключ на 3/4 дюйма, поворачивайте литую втулку пружины на регулируемой тяге в направлении правой резьбы для увеличения давления или в противоположном направлении для уменьшения давления (Рисунок 23).
Note: При этом настройка регулируемой тяги, выполненная в процедуре Регулировка натяжения пружины шарнира и регулируемой тяги, не изменяется.

В качестве рекомендаций по регулировке давления навесного бруса книзу используйте приведенные ниже таблицу и рисунок(Рисунок 24).
| Таблица усилий пружины | |
| Размер (дюймы) | Усилие (фунты) |
| 3.00 | 238 |
| 2.88 | 335 |
| 2.75 | 430 |
| 2.62 | 526 |
| 2.50 | 623 |

| Problem | Possible Cause | Corrective Action |
|---|---|---|
| Подъем навесного орудия требует чрезмерного усилия. |
|
|
| Рукоятка не фиксируется в пазах фиксации на фиксирующей пластине |
|
|
| Навесной брус поворачивается недостаточно высоко. |
|
|
| Недостаточное давление навесного оборудования. |
|
|
| Неравномерный контакт с землей при повороте машины. |
|
|
| Машина останавливается при столкновении с препятствием. |
|
|
| Не выровнены зубья навесного бруса. |
|
|