Important: 미드마운트 툴바 시스템을 장착하기 전에 시스템과 함께 사용할 수 있는 툴바 한 개를 구입해야 합니다. 자세한 내용은 Toro 공식 판매 대리점에 문의하십시오.
Note: 툴바 08733 또는 08736을 설치할 경우, 본 부속 장치와 함께 공급된 브래킷 대신에 그러한 툴바와 함께 공급된 피벗 튜브 브래킷을 설치하십시오. 자세한 내용은 08733 또는 08736에 대한 설치 지침을 참조하십시오.
Note: 미드마운트 툴바 시스템과 관련된 전방 수동 블레이드를 장착할 때, 미드마운트 툴바 시스템을 먼저 장착하십시오.
트랙션 유닛을 평지에 주차하고 주차 브레이크를 체결합니다.
스로틀 스위치를 저속 공회전 위치로 이동하고, 부속 장치를 내린 다음 트랙션을 중립으로 놓으십시오.
엔진을 멈추고, 키를 빼고, 움직이는 모든 부품이 멈출 때까지 기다린 다음 모든 부품을 식힙니다.
이 절차를 수행하는 데 필요한 부품:
| 볼트(5/16 x 2¼ 인치) | 2 |
| 너트(5/16 인치) | 2 |
| 흙갈퀴 리프트 핸들 어셈블리 | 1 |
| 볼트(½ x 3¼ 인치) | 2 |
| 얇은 록너트(½ 인치) | 2 |
| 디텐트 플레이트 | 1 |
| 노브 | 1 |
잭 스탠드로 장비 후방을 들어 올리고 뒷바퀴를 제거합니다. 장비의 사용 설명서를 참조하십시오.
Note: 뒷바퀴 모터 마운트 아래에 잭 스탠드를 놓습니다. 장비의 사용 설명서를 참조하십시오.
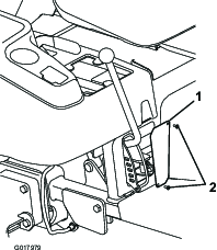
우측 휠 쉬라우드를 프레임에 고정하는 4개의 플랜지 헤드 나사를 분리합니다(그림 1).

쉬라우드를 분리하고 보관합니다.
Note: 장비에 수동 블레이드(모델 08714)가 장착된 경우, 리프트 암 어셈블리를 장착하기 전에 우측 블레이드 장착 브래킷을 제거하십시오.
스크린 패널을 프레임에 고정하는 나사 2개, 볼트 2개, 와셔 2개, 너트 2개를 제거하고 나중 설치를 위해 와셔를 따로 보관합니다(그림 1).
Note: 스크린 패널, 볼트, 나사 및 너트를 페기할 수 있습니다.
그림 2와 같이 볼트(½ x 3¼ 인치) 2개 및 얇은 록너트(½ 인치)로 우측 풋레스트 튜브에 흙갈퀴 리프트 핸들 어셈블리의 장착 브래킷을 장착합니다.

Note: 볼트 헤드가 외부에 놓이도록 하고 얇은 록너트를 사용하십시오.
Important: 분리된 부품에는 두껍고 얇은 록너트가 모두 있습니다. 이 단계에서는 얇은 록너트를 사용하십시오. 두꺼운 록너트는 여기에 고정할 수 없으며 결국 떨어지게 됩니다.
Note: 스크린 패널을 제거하여 만든 구멍을 통해 핸들을 위로 당겨 트랙션 유닛의 바닥을 통해 핸들 어셈블리를 장착합니다.
Note: 트랙션 유닛에 장착하기 위해 핸들 어셈블리를 분해하지 마십시오.
디텐트 플레이트를 흙갈퀴 리프트 핸들에 삽입합니다.
Note: 핸들은 디텐트 플레이트와 핸들 가이드 사이를 통과해야 합니다(그림 3).

디텐트 플레이트를 볼트(5/16 x 2¼ 인치) 2개, 4단계에서 제거한 와셔 2개, 록너트(5/16 인치) 2개로 디텐트 플레이트를 좌측 후방 수직 프레임 튜브 뒷쪽에 장착합니다. 그림 3에 나오는 것처럼 부품의 위치를 맞춥니다.
노브를 리프트 핸들에 끼워서 돌립니다(그림 3).
리프트 핸들을 디텐트 플레이트를 통해 완전한 동작 범위까지 이동시키고 각 디텐트 위치에 고정시킵니다.
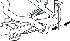
Note: 리프트 핸들이 너무 느슨하거나 너무 꽉 조이면, 핸들 리프트 피벗의 록너트를 조이거나 풉니다(그림 4).

리프트 핸들 어셈블리와 유압 라인 사이의 간격을 점검합니다.
Note: 유압 라인과 리프트 핸들 어셈블리 사이의 간격이 최소한 3 mm가 되도록 하십시오. 필요한 경우, 유압 라인의 위치를 부드럽게 조정합니다(그림 2).
이 절차를 수행하는 데 필요한 부품:
| 피벗 튜브 | 1 |
| 확장 스프링 | 1 |
| 스프링 로드 | 1 |
| 피벗 튜브 브래킷 | 2 |
| 볼트(⅜ x 3 인치) | 4 |
| 록너트(⅜ 인치) | 6 |
| 스프링 브래킷 | 1 |
| 볼트(⅜ x 2¾ 인치) | 1 |
Note: 툴바 08733 또는 08736을 설치할 경우, 본 부속 장치와 함께 공급된 브래킷 대신에 그러한 툴바와 함께 공급된 피벗 튜브 브래킷을 설치하십시오. 자세한 내용은 08733 또는 08736에 대한 설치 지침을 참조하십시오.
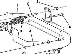
피벗 튜브의 스프링 레버와 스프링 로드에 확장 스프링을 연결합니다(그림 5).

우측에 피벗 튜브 브래킷을 느슨하게 장착합니다(그림 5).
피벗 튜브의 우측을 우측 피벗 튜브 브래킷으로 밀어 넣습니다(그림 5).
스프링 브래킷의 구멍에 스프링 로드를 삽입하고 록너트로 느슨하게 고정합니다(⅜ 인치).
Note: 그림 6에 나오는 것처럼 스프링 로드의 위치를 맞춥니다.

피벗 튜브의 좌측을 프레임 쪽으로 들어 올리고 피벗 튜브 브래킷, 볼트(⅜ x 3 인치) 2개, 록너트(⅜ 인치) 2개로 장착합니다(그림 5).
볼트(⅜ x 2¾ 인치) 및 록너트(⅜ 인치)로 전방 프레임 튜브에 스프링 브래킷을 장착합니다.
Note: 그림 6에 나오는 것처럼 스프링 브래킷의 위치를 맞춥니다.
모든 패스너를 조이고 이번에는 스프링 로드를 고정하는 록너트를 조이지 않습니다.
이 절차를 수행하는 데 필요한 부품:
| 가변식 로드 어셈블리 | 1 |
| 볼트(½ x 1½ 인치) | 1 |
| 록너트(½ 인치) | 2 |
피벗 튜브의 가변식 로드 레버 우측으로 가변식 로드 어셈블리의 짧은 말단에 있는 볼 조인트의 위치를 조정합니다(그림 7).

리프트 핸들을 상단에서 두 번째 디텐트 위치로 이동시킵니다.
리프트 핸들 어셈블리의 바닥에 있는 스터드 위로 가변식 로드 어셈블리의 긴 말단에 있는 볼 조인트를 배치하고 록너트(½ 인치)로 느슨하게 고정합니다(그림 7).
Note: 가변식 로드 장착을 위한 간격을 확보하기 위해 브래킷 내에서 피벗 튜브를 위 또는 아래로 움직일 수 있습니다.
리프트 핸들을 움직여 바닥 디텐트 위치까지 완전히 아래로 내립니다.
피벗 튜브의 가변식 로드 레버 주변에서 가변식 로드의 짧은 말단에 있는 볼 조인트를 움직여 로드 레버의 좌측에 놓습니다.
Note: 가변식 로드 장착을 위한 간격을 확보하기 위해 브래킷 내에서 피벗 튜브를 위 또는 아래로 움직일 수 있습니다.
그림 8과 같이 볼 조인트의 구멍이 피벗 튜브의 가변식 로드 레버의 우측 구멍과 정렬할 때까지 리프트 핸들을 움직이고 볼트(½ x 1½ 인치) 및 록너트(½ 인치)를 사용하여 레버로 로드를 고정합니다.

패스너를 조입니다.
이 절차를 수행하는 데 필요한 부품:
| 스크린 패널 | 1 |
| HWH 나사(#10 x ½ 인치) | 2 |
| 우회전 새들 어셈블리 | 1 |
| 좌회전 새들 어셈블리 | 1 |
| 볼트(5/16 x 1 인치) | 4 |
| 록너트(5/16 인치) | 4 |
Note: 수동 플로우를 제거한 경우, 이때 장착합니다.
이 절차를 수행하는 데 필요한 부품:
| 툴바(별도 판매) | 1 |
Important: 툴바 08733 또는 08736을 장착할 경우, 이 절차를 건너뛰고 툴바와 함께 제공된 설명서에 따라 장착하십시오. 장착된 경우, 이 설명서의 툴바 리프트 페달 장착으로 이동하십시오.
Note: 피벗 브래킷이 장착되지 않은 상태에서 툴바가 제공된 경우, 그림 11과 같이 좌측에서 4번째 투스에 장착하고 계속 진행하기 전에 볼트와 너트를 조여서 브래킷과 투스를 고정하십시오.

새들에 부착장치 튜브의 각 말단을 배치합니다.
Note: 타인의 칼날은 안쪽을 향해야 합니다.
리프트 핸들을 중간 위치로 이동합니다.
볼트(5/16 x 1 인치) 및 록너트(5/16 인치)를 사용하여 튜브 어셈블리에 각 새들의 전면을 고정합니다(그림 12).

이 절차를 수행하는 데 필요한 부품:
| 레버 어셈블리 | 1 |
| 볼트(5/16 x 2 인치) | 1 |
| 록너트(5/16 인치) | 3 |
| 피벗 탭 | 1 |
| 툴바 링크 | 1 |
| 캐리지 볼트(⅜ x 1¼ 인치) | 1 |
| 스페이서 | 1 |
| 와셔(1 인치) | 1 |
| 록너트(3/8 인치) | 1 |
| 페달 레버 어셈블리 | 1 |
| 고정 링 | 2 |
| 와셔(⅞ 인치) | 1 |
| 볼트(5/16 x 1 인치) | 1 |
| 편심 볼트 | 1 |
피벗 튜브의 좌측 말단으로 레버 어셈블리 포스트를 밀어 넣고 피벗 튜브를 통해 볼트(5/16 x 2 인치) 및 록너트(5/16 인치)로 고정합니다(그림 13).
Note: 피벗 튜브 및 레버 어셈블리를 통해 볼트를 돌려서 끼워야 합니다.

볼트(5/16 x 1 인치) 및 록너트(5/16 인치)를 사용하여 툴바의 피벗 브래킷에 피벗 탭의 중앙 구멍을 느슨하게 장착합니다(그림 14).

페달 레버 어셈블리의 짧은 포스트 위로 툴바 링크 말단을 밀어 넣고 고정 링으로 고정합니다(그림 15).

레버 어셈블리 상단을 통해 페달 레버 어셈블리의 다른 말단에 있는 포스트를 장착하고 와셔(⅞ 인치) 및 고정 링을 사용하여 고정합니다(그림 15).
그림 16과 같이 리프트 페달 어셈블리 무릎을 위로 굽힌 상태에서 캐리지 볼트(⅜ x 1¼ 인치), 스페이서, 와셔(1 인치), 와셔(13/16 인치), 록너트(⅜ 인치)를 사용하여 툴바 링크의 말단에 피벗 탭의 사각 구멍을 장착합니다.

그림 17과 같이 피벗 탭 및 피벗 브래킷의 바닥을 통해 편심 볼트를 장착하고, 록너트(5/16 인치)를 사용하여 고정합니다.

상단 디텐트 위치에 리프트 핸들을 배치합니다.
그림 18과 같이 트랙션 유닛 프레임과 피벗 튜브 사이의 거리를 측정합니다.

간격이 0.06~0.18 인치가 아닌 경우, 다음과 같이 가변식 로드를 조정하십시오.
6 mm ~ 13 mm 나사산이 보일 때까지 스프링 로드를 고정하는 록너트를 조여 스프링에 장력을 가합니다(그림 20).

Note: 스프링 로드를 조정하면 시스템을 들어 올리는 힘이 바뀝니다. 볼트 말단이 더 길면 툴바를 들어 올리기가 더 쉽습니다. 편하게 들 수 있도록 스프링을 조정하십시오. 조정 스프링의 장력이 커지면 툴바에 가해지는 지압이 낮아집니다.
우측 휠 쉬라우드를 장착합니다.
뒷바퀴를 장착한 다음 장비 후방 아래에 있는 잭 스탠드를 제거합니다. 장비 사용 설명서를 참조하십시오.
이 절차를 수행하는 데 필요한 부품:
| 심(부품 번호 110-7379) | 1 |
| 심(부품 번호 110-7380) | 1 |
| 심(부품 번호 110-7381) | 1 |
툴바를 장착하고 패스너를 고정하면 다음 절차를 통해 툴바 투스가 평평한지 확인합니다.
장비를 평지에 주차합니다.
모든 타이어의 공기압이 동일한지 확인합니다. 타이어 공기압 점검에 대한 자세한 내용은 사용 설명서를 참조하십시오.
투스가 지면과 접촉할 정도까지 툴바를 내립니다.
툴바의 투스가 지면과 균등하게 접촉하면 툴바가 평평한 것입니다.
Note: 다른 쪽이 닿기 전에 한쪽의 투스가 지면에 닿으면 툴바의 수평을 조정합니다. 나머지 절차를 수평 조정 작업을 계속합니다.
수평 조정할 필요가 있는 측면의 지상에서 툴바 투스까지의 간격을 측정한 후 다음 표를 통해 측정된 간격 값을 기준으로 장착할 심을 결정합니다.
| 심 팩(두께, 인치) | 외부 엣지에 대한 투스 높이 조정(인치) |
| 110-7379(0.0747 인치) | ⅛ 인치 |
| 110-7381(0.1345 인치) | ¼ 인치 |
| 110-7379 및 110-7381(0.2094 인치) | ⅜ 인치 |
| 110-7380(0.25 인치) | 7/16 인치 |
| 110-7379 및 110-7380(0.3247 인치) | 9/16 인치 |
피벗 튜브 브래킷을 고정하는 볼트를 풀어서 프레임과 피벗 튜브 브래킷 간에 구멍을 만듭니다(그림 22).

Note: 심을 장착하기 위해 피벗 튜브 브래킷에 접근하려면 리프트 페달을 제거해야 할 수도 있습니다. 툴바 리프트 페달 장착을 참조하십시오.
심을 장착하고 모든 패스너를 조입니다.
이제 툴바가 수평인지 확인하십시오. 수평이 아니면 필요한 만큼 조정하십시오.
설명서를 읽습니다.
설명서를 안전한 곳에 보관합니다.
툴바를 내리려면 리프트 핸들을 좌측으로 옮기고, 내린 다음 원하는 디텐트 위치까지 우측으로 밀어 넣습니다.
툴바를 올리려면 리프트 핸들을 좌측으로 옮기고, 올린 다음 원하는 디텐트 위치까지 우측으로 밀어 넣습니다.
툴바를 이동 위치까지 들어 올리고 고정하려면 리프트 핸들을 최상단까지 이동하고 툴바 리프트 페달을 아래로 누릅니다.
툴바를 이동 위치에서 해제하려면 리프트 핸들을 하단 위치로 이동시킵니다.
Note: 흙갈퀴 툴바를 사용하는 경우, 투스을 회전시켜 투스의 사용 수명을 늘리십시오.
Note: 원하는 작동 위치를 얻으려면 우선 원하는 위치 너머로 툴바를 내린 다음 다시 올려야 합니다.
운전 중에서 툴바를 원하는 깊이까지 설정하면서 장비를 천천히 후진시켜 툴바를 원하는 위치까지 내릴 수 있습니다. 툴바가 원하는 위치에 놓이면 전진합니다. 투스가 지면에 닿게 되면 툴바를 체결 위치로 당깁니다.
툴이 지면에 미치는 하향 압력을 조정하려면 가변 로드의 스프링 장력을 조정합니다. ¾ 인치 렌치를 사용하여 가변식 로드의 스프링 슬리브 캐스팅을 오른 나사 방향으로 회전시켜 하향 압력을 늘리거나, 반대 방향으로 돌려서 하향 압력을 낮춥니다(그림 23).
Note: 이 작업은 피벗 스프링 장력 및 가변식 로드 어셈블리 조정 절차에 수행한 가변식 로드 설정을 변경하지 않습니다.

툴바 하향 압력을 조정하기 위한 지침으로 다음 표 및 수치를 사용하십시오(그림 24).
| 스프링 장력 차트 | |
| 치수(인치) | 장력(파운드) |
| 3.00 | 238 |
| 2.88 | 335 |
| 2.75 | 430 |
| 2.62 | 526 |
| 2.50 | 623 |

| Problem | Possible Cause | Corrective Action |
|---|---|---|
| 부착장치를 들어 올리는 데 더 많은 힘이 소요됨. |
|
|
| 핸들이 디텐트 플레이트의 디텐트 슬롯에 고정되지 않습니다.. |
|
|
| 툴바가 충분히 높이 회전하지 않음. |
|
|
| 부착장치의 하향 압력이 너무 낮음. |
|
|
| 장비가 회전할 때 지면 접촉이 불균등함. |
|
|
| 장애물과 부딪치면 장비가 멈춤. |
|
|
| 툴바 투스가 평평하지 않음. |
|
|