Important: Antes de instalar o sistema de barra de ferramentas de montagem central, deve obter uma das barras de ferramentas disponíveis para serem utilizadas com o sistema. Para mais informações, contacte um distribuidor Toro autorizado.
Note: Se estiver a instalar a barra de ferramentas 08733 ou 08736, instale os suportes do tubo articulado fornecidos com essas barras de ferramentas em vez das fornecidas com este acessório. Consulte as instruções de instalação da 08733 ou 08736 para mais informações.
Note: Ao instalar uma lâmina manual frontal em conjunto com um sistema de barra de ferramentas de montagem central, instale primeiro o sistema de barra de ferramentas de montagem central.
Estacione a unidade de tração numa superfície plana e engate o travão de estacionamento.
Mova o interruptor do acelerador para a posição de ralenti baixo, desça o acessório e certifique-se de que a tração se encontra no ponto morto.
Desligue o motor, retire a chave, aguarde que todas as partes móveis parem e deixe que todos os componentes arrefeçam.
Peças necessárias para este passo:
| Parafuso (5/16 pol. x 2¼ pol.) | 2 |
| Porca (5/16 pol.) | 2 |
| Conjunto da pega de elevação do escarificador | 1 |
| Parafuso (½ pol. x 1¾ pol.) | 2 |
| Porcas de bloqueio finas (½ pol.) | 2 |
| Placa de detenção | 1 |
| Manípulo | 1 |
Eleve a traseira da máquina para mcacos e retire as rodas traseiras; consulte o Manual do operador da sua máquina.
Note: Coloque os macacos por baixo das montagens do motor das rodas traseiras; consulte o Manual do operador da sua máquina.
Remova os quatro parafusos de cabeça flangeada que prendem o resguardo da roda do lado esquerdo à estrutura (Figura 1).

Retire e guarde o resguardo.
Note: Se estiver instalada uma lâmina manual (Modelo 08714) na máquina, retire o suporte de montagem da lâmina direita antes de instalar o conjunto do braço de elevação.
Retire os dois parafusos, as duas cavilhas, as duas anilhas e as duas porcas que prendem o painel do filtro à estrutura e guarde as anilhas para instalação posterior (Figura 1).
Note: Pode eliminar o painel do filtro, parafusos, cavilhas e porcas.
Instale o suporte de montagem do conjunto da pega de elevação do escarificador nos tubos de apoio de pé do lado direito com dois parafusos (½ x 3¼ pol.) e porcas finas (½ pol.), como se mostra na Figura 2.

Note: Certifique-se de que as cabeças dos parafusos estão posicionadas para fora e que são utilizadas as porcas finas.
Important: Existem porcas grossas e finas nas peças soltas. Utilize as porcas finas neste passo. As porcas de bloqueio grossas não podem fixar aqui e, eventualmente, irão cair.
Note: O conjunto da pega é instalado através da parte inferior da unidade de tração orientando a pega através da abertura criada ao remover o painel do filtro.
Note: Não desmonte o conjunto da pega para o instalar na unidade de tração.
Insira a placa de detenção na pega de elevação do escarificador.
Note: A pega deve passar entre a placa de detenção e o guia da pega (Figura 3).

Instale a placa de detenção na parte posterior do tubo vertical traseiro direito da estrutura com dois parafusos (5/16 x 2¼ pol.), as duas anilhas removidas no passo 4 e duas porcas de bloqueio (5/16 pol.). Posicione as peças como se indica na Figura 3.
Enrosque o manípulo na pega de elevação (Figura 3).
Assegure-se de que a pega de elevação se move na amplitude total de movimento através da placa de detenção e que bloqueia no sítio em cada local de detenção.
Note: Se a pega de elevação estiver muito solta ou demasiado apertada, aperte ou desaperte as porcas de bloqueio na articulação de elevação (Figura 4).

Verifique a folga entre o conjunto da pega de elevação e as linhas hidráulicas.
Note: Tem de haver uma folga mínima de 3 mm (⅛ pol.) entre a linha hidráulica e o conjunto da pega de elevação. Posicione suavemente a ligação hidráulica como necessário (Figura 2).
Peças necessárias para este passo:
| Tubo articulado | 1 |
| Mola de extensão | 1 |
| Haste da mola | 1 |
| Suporte do tubo articulado | 2 |
| Parafuso (⅜ pol. x 3 pol.) | 4 |
| Porca de bloqueio (⅜ pol.) | 6 |
| Suporte da mola | 1 |
| Parafuso (⅜ pol. x 2½ pol.) | 1 |
Note: Se estiver a instalar a barra de ferramentas 08733 ou 08736, instale os suportes do tubo articulado fornecidos com essas barras de ferramentas em vez das fornecidas com este acessório. Consulte as instruções de instalação da 08733 ou 08736 para mais informações.
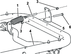
Ligue a mola de extensão a uma das alavancas de mola no tubo articulado e na barra da mola (Figura 5).

Instale sem apertar o suporte do tubo articulado no lado direito (Figura 5).
Deslize o lado direito do tubo articulado no suporte do tubo articulado do lado direito (Figura 5).
Insira a barra de mola no furo do suporte de mola e prenda, sem apertar, com uma porca de bloqueio (⅜ pol.).
Note: Posicione a barra da mola como se mostra na Figura 6.

Eleve a pega do lado esquerdo do tubo articulado na estrutura e instale-a com um suporte de tubo articulado, dois parafusos (⅜ x 3 pol.), e duas porcas de bloqueio (⅜ pol.) (Figura 5).
Monte o suporte da mola no tubo frontal da estrutura com um parafuso (⅜ x 2¾ pol.) e uma porca de bloqueio (⅜ pol.).
Note: Posicione o suporte da mola como se mostra na Figura 6.
Aperte todos os fixadores, mas não aperte a porca de bloqueio que prende a barra da mola nesta altura.
Peças necessárias para este passo:
| Conjunto da barra ajustável | 1 |
| Parafuso (½ x 1½ pol.) | 1 |
| Porca de bloqueio (½ pol.) | 2 |
Posicione a junta esférica da extremidade curta do conjunto da barra ajustável à direita da alavanca da barra ajustável no tubo articulado (Figura 7).

Mova a pega de elevação para a segunda posição de detenção a partir da parte superior.
Coloque a junta esférica na extremidade longa do conjunto da barra ajustável sobre o perno na parte inferior da pega de elevação e prenda-a, sem apertar, com uma porca de bloqueio (½ pol.) (Figura 7).
Note: Pode mover o tubo articulado para cima ou para baixo nos respetivos suportes para obter espaço para montagem da barra ajustável.
Mova a pega de elevação totalmente para baixo para a posição de detenção inferior.
Mova a junta esférica para a extremidade curta da barra ajustável em redor da alavanca da barra ajustável no tubo articulado até que se encontre do lado esquerdo da alavanca da barra.
Note: Pode mover o tubo articulado para cima ou para baixo nos respetivos suportes para obter espaço para montagem da barra ajustável.
Mova a pega de elevação até que o orifício na junta esférica fique alinhado com o furo do lado direito da alavanca da barra ajustável no tubo articulado e prenda a barra à alavanca com um parafuso (½ x 1½ pol.) e uma porca de bloqueio (½ pol.) como se mostra na Figura 8.

Aperte as fixações.
Peças necessárias para este passo:
| Painel do filtro | 1 |
| Parafuso HWH (n.º 10 x ½ pol.) | 2 |
| Conjunto do apoio do lado direito | 1 |
| Conjunto do apoio do lado esquerdo | 1 |
| Parafuso (5/16 pol. x 1 pol.) | 4 |
| Porca de bloqueio (5/16 pol.) | 4 |
Note: Se removeu o arado manual, instale-o nesta altura.
Instale o novo painel do filtro na parte posterior da abertura da estrutura com dois parafusos HWH (n.º 10 x ½ pol.) (Figura 9).

Instale sem apertar a traseira de um apoio em cada braço de elevação com um parafuso (5/16 x 1 pol.) e uma porca de bloqueio (5/16 pol.).
Note: O perno do apoio deve ficar virado para dentro (Figura 10).
Note: Posicione os apoios como se indica em Figura 10.

Peças necessárias para este passo:
| Barra de ferramentas (vendida em separado) | 1 |
Important: Se está a instalar uma barra de ferramentas 08733 ou 08736, salte este procedimento e instale-a utilizando as instruções fornecidas com essa barra de ferramentas. Uma vez instalada, vá a Instalação do pedal de elevação da barra de ferramentas nestas instruções.
Note: Se a barra de ferramentas for fornecida com o suporte articulado instalado, instale-o no quarto dente a partir da esquerda como se mostra na Figura 11 e aperte o parafuso e porca de forma a que o suporte e dente estejam fixos antes de prosseguir.

Posicione cada extremidade do tubo de acessórios nos apoios.
Note: As extremidades de corte dos dentes devem ficar virados para a frente.
Mova a pega de elevação para a posição média.
Instale a parte da frente de cada apoio no conjunto do tubo com um parafuso (5/16 x 1 pol.) e uma porca de bloqueio (5/16 pol.) (Figura 12).

Peças necessárias para este passo:
| Conjunto da alavanca | 1 |
| Parafuso (5/16 x 2 pol.) | 1 |
| Porca de bloqueio (5/16 pol.) | 3 |
| Patilha articulada | 1 |
| Ligação da barra de ferramentas | 1 |
| Parafuso de carroçaria (⅜ x 1¼ pol.) | 1 |
| Espaçador | 1 |
| Anilha (1 pol.) | 1 |
| Porca de bloqueio (⅜ pol.) | 1 |
| Conjunto da alavanca do pedal | 1 |
| Anel de retenção | 2 |
| Anilha (⅞ pol.) | 1 |
| Parafuso (5/16 x 1 pol.) | 1 |
| Cavilha excêntrica | 1 |
Deslize o poste no conjunto do pedal para a extremidade esquerda do tubo articulado e prenda-o com um parafuso (5/16 x 2 pol.) e uma porca de bloqueio (5/16 pol.) através do tubo articulado (Figura 13).
Note: Pode necessitar de enroscar o parafuso através do tubo articulado e conjunto da alavanca.

Instale sem apertar o furo central da patilha articulada na barra de ferramentas utilizando um parafuso (5/16 x 1 pol.) e uma porca de bloqueio (5/16 pol.) (Figura 14).

Deslize a extremidade da ligação da barra de ferramentas sobre o poste curto do conjunto da alavanca do pedal e prenda-a com um anel de retenção (Figura 15).

Instale o poste na outra extremidade do conjunto da alavanca do pedal através da parte superior do conjunto da alavanca e prenda-o utilizando uma anilha (⅞ pol.) e um anel de retenção (Figura 15).
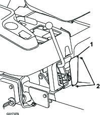
Com o joelho do conjunto do pedal de elevação dobrado para cima, instale o furo quadrado na patilha articulada na extremidade da ligação da barra de ferramentas utilizando um parafuso de carroçaria (⅜ x 1¼ pol.), um espaçador (1 pol.), uma anilha (13/16 pol.) e uma porca de bloqueio (⅜ pol.) como se mostra na Figura 16.

Instale a cavilha excêntrica através da parte inferior da patilha articulada e suporte da articulação e prenda-a utilizando uma porca de bloqueio (5/16 pol.) como se mostra na Figura 17.

Posicione a pega de elevação na posição de detenção superior.
Meça a distância entre a estrutura da unidade de tração e o tubo articulado como se mostra na Figura 18.

Se a distância não for entre 1,5 e 4,5 mm (0,06 e 0,18 po), ajuste a barra ajustável da seguinte forma:
Retire o parafuso e a porca que fixam a barra ao tubo articulado (Figura 19).

Rode a junta esférica mostrada na Figura 19 para alterar o comprimento da barra da seguinte forma:
Para aumentar a folga, diminua a barra.
Para diminuir a folga, aumente a barra.
Instale a barra com o parafuso e a porca de bloqueio e teste a folga novamente.
Repita este procedimento até que a folga esteja correta.
Aperte as porcas de bloqueio que prendem a barra com mola até que se mostre 6 mm a 13 mm das roscas para aplicar tensão na mola (Figura 20).

Note: O ajuste da barra de mola altera o esforço de elevação do sistema; quando mais longo terminar o parafuso, mais fácil será elevar a barra de ferramentas. Ajuste as molas de forma a que a força de elevação seja confortável. Quanto maior for a tensão na mola de assistência, menor pressão no solo existe na barra de ferramentas.
Instale o resguardo da roda do lado direito.
Instale as rodas traseiras e remova os macacos da parte debaixo da máquina; consulte o Manual do utilizador da sua máquina.
Posicione a barra de elevação para a posição de transporte (entalhe superior).
Rode o parafuso excêntrico em qualquer direção até que os dentes da barra de ferramentas estejam paralelos com a ranhura no braço de elevação (Figura 17 e Figura 21).
Important: O parafuso excêntrico não roda 360 graus. Quando parar, não tente forçá-lo ou vai danificá-lo. Em vez disso, rode-o novamente na outra direção.

Aperte o parafuso da articulação central (item 4 na Figura 13) com 20 a 25 N·m.
Aperte a porca que prende o parafuso excêntrico até que fique preso, mas não o aperte demasiado.
Teste o funcionamento do acessório.
Peças necessárias para este passo:
| Calço (Peça n.º 110-7379) | 1 |
| Calço (Peça n.º 110-7380) | 1 |
| Calço (Peça n.º 110-7381) | 1 |
Assim que a barra de ferramentas tiver sido instalada e os fixadores tiverem sido apertados, utilize o procedimento seguinte para verificar se os dentes da barra de ferramentas estão nivelados:
Estacione a máquina numa superfície nivelada.
Verifique a pressão de todos os pneus e certifique-se de que estão iguais. Consulte o Manual do utilizador para obter mais informações sobre a verificação da pressão dos pneus.
Baixe a barra de ferramentas até que os dentes comecem a entrar em contacto com o solo.
Se os dentes da barra de ferramentas entrarem em contacto com o solo de forma uniforme, a barra de ferramentas está nivelada.
Note: Se os dentes num dos lados da barra de ferramentas entrarem em contacto com o solo antes do outro lado, nivele a barra de ferramentas. Continue o nivelamento seguindo o resto deste procedimento.
Meça a folga dos dentes da barra de ferramentas até ao solo no lado que requer o nivelamento e, em seguida, utilize a tabela seguinte para determinar que calço instalar com base na medida da folga:
| Embalagem de calços (espessura em pol.) | Alteração na altura do dente (pol.) na extremidade exterior |
| 110-7379 (0,0747 pol.) | ⅛ pol. |
| 110-7381 (1345 pol.) | ¼ pol. |
| 110-7379 e110-7381 (0,2094 pol.) | ⅜ pol. |
| 110-7380 (0,25 pol.) | 7/16 pol. |
| 110-7379 e 110-7380 (0,3247 pol.) | 9/16 pol. |
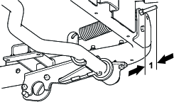
Desaperte os parafusos que prendem o suporte do tubo articulado para criar uma abertura entre a estrutura e o suporte do tubo articulado (Figura 22).

Note: A instalação do calço pode requerer que remova o pedal de elevação para aceder ao suporte do tubo articulado. Consulte Instalar o pedal de elevação da barra de ferramentas.
Instale o(s) calço(s) e aperte todos os fixadores.
Verifique se a barra de ferramentas está agora nivelada. Se não estiver, ajuste consoante o necessário.
Leia a documentação.
Guarde a documentação num local seguro.
Para baixar a barra de ferramentas, mova a pega de elevação para a esquerda, baixe-a e, em seguida, deslize-a para a direita para a posição de detenção desejada.
Para elevar a barra de ferramentas, mova a pega de elevação para a esquerda, eleve-a e, em seguida, deslize-a para a direita para a posição de detenção desejada.
Para elevar e bloquear a barra de ferramentas na posição de transporte, mova a barra de elevação para a posição mais elevada e pressione o pedal da barra de elevação para baixo.
Para libertar a barra de ferramentas da posição de transporte, mova a pega de elevação para uma posição inferior.
Note: Se utilizar a barra de ferramentas do escarificador, rode os dentes para aumentar a vida de utilização dos dentes.
Note: Para obter a posição de operação desejada, pode necessitar de baixar primeiro a barra de ferramentas para além da posição desejada e, em seguida, elevá-la novamente para trás.
Durante o funcionamento, pode baixar a barra de ferramentas para a posição recuando lentamente a máquina regulando a barra de ferramentas para a profundidade desejada. Assim que a barra de ferramentas estiver na posição desejada, conduza para a frente. Os dentes farão contacto com o solo, empurrando a barra de ferramentas para a posição ativada.
Para ajustar a quantidade de pressão para baixo exercida no solo pela ferramenta, ajuste a tensão da mola da barra ajustável. Utilizando uma chave de ¾ pol., rode o ferro da manga da mola na barra ajustável na direção da rosca direita para aumentar a pressão para baixo ou na direção oposta para diminuir a pressão para baixo (Figura 23).
Note: Isto não altera a configuração da barra ajustável definida no procedimento Ajustar a tensão da mola da articulação e conjunto da barra ajustável.

Utilize a tabela e figura seguintes como guia para ajustar a pressão para baixo da barra de ferramentas (Figura 24).
| Tabela da força das molas | |
| Dimensão (polegadas) | Força (libras) |
| 3,00 | 238 |
| 2,88 | 335 |
| 2,75 | 430 |
| 2,62 | 526 |
| 2,50 | 623 |

| Problem | Possible Cause | Corrective Action |
|---|---|---|
| Elevação do acessório requer uma força excessiva. |
|
|
| A pega não bloqueia nas ranhuras de detenção na placa de detenção. |
|
|
| A barra de ferramentas não roda com a altura suficiente |
|
|
| A pressão para baixo do acessório está demasiado leve. |
|
|
| Existe um contacto desnivelado com o solo ao rodar a máquina. |
|
|
| A máquina pára quando embate num obstáculo. |
|
|
| Os dentes da barra de ferramentas não estão nivelados. |
|
|