Important: 在安装中悬挂机具架系统之前,您首先要获得可在系统上使用的机具架。欲了解更多信息,请联系 Toro 授权经销商。
Note: 如果您要安装机具架 08733 或 08736,请安装这些机具架随附的枢轴管支架,而不是此附件随附的支架。请参阅 08733 或 08736 的安装说明了解更多信息。
Note: 同时安装前手动刀片和中悬挂机具架系统时,要先安装中悬挂机具架系统。
将主机停放在水平地面上,拉好手刹。
将油门开关移至低怠速位置,降低附件,确保驱动踏板处于空档位置。
关闭发动机,拔下钥匙,等待所有活动件停止并让所有组件冷却下来。
此程序中需要的物件:
| 螺栓 (5/16 x 2¼ 英寸) | 2 |
| 螺母 (5/16 英寸) | 2 |
| 松土耙升降手柄总成 | 1 |
| 螺栓(1/2 x 3-1/4 英寸) | 2 |
| 薄锁紧螺母(1/2 英寸) | 2 |
| 止动板 | 1 |
| 旋钮 | 1 |
将机器后部提升到顶车架上,并拆下后轮;请参阅机器操作员手册。
Note: 将顶车架放置在后轮马达支架下方;请参阅机器操作员手册。
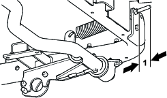
拆下将右轮护罩固定到机架的 4 个凸缘头螺丝(图 1)。

拆下并保留护罩。
Note: 如果机器上安装了手动刀片(型号 08714),那么在安装提升臂总成之前,应先拆下右刀片安装支架。
拆下将滤网面板固定到机架的 2 个螺丝、2 个螺栓、2 个垫圈和 2 个螺母,保留垫圈以备随后的安装之用。图 1
Note: 您可以丢弃滤网面板、螺栓、螺丝和螺母。
使用 2 个螺栓(1/2 x 3-1/4 英寸)和薄锁紧螺母(1/2 英寸)将松土耙升降手柄总成的安装支架安装到右脚踏板管道上,如图 2所示。

Note: 确保螺栓头位于外侧并且使用了薄锁紧螺母。
Important: 散装零件中有厚锁紧螺母和薄锁紧螺母。在此步骤中使用薄锁紧螺母。厚锁紧螺母无法锁定在这里,并且最终会脱落。
Note: 向上引导手柄穿过拆下滤网面板形成的开口,穿过主机底部安装手柄总成。
Note: 请勿拆卸手柄总成以将其安装到主机中。
将止动板插入到松土耙升降手柄上。
Note: 手柄应从止动板和手柄导轨之间穿过(图 3)。

使用步骤4中拆下的 2 个螺栓(5/16 x 2-1/4 英寸)、2 个垫圈和 2 个锁紧螺母(5/16 英寸)将止动板安装到右后垂直机架管的背面。如图 3所示,调整零件位置。
将旋钮拧到升降手柄上(图 3)。
确保升降手柄的移动范围涵盖整个止动板,并且在每个止动位置都能锁定到位。
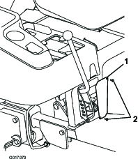
Note: 如果升降手柄太松或太紧,请拧紧或松开手柄升降枢轴上的锁紧螺母(图 4)。

检查升降手柄总成和液压管线之间的间隙。
Note: 液压管线和升降手柄总成之间必须至少有 3 毫米(1/8 英寸)的间隙。根据需要轻轻放置液压管线(图 2)。
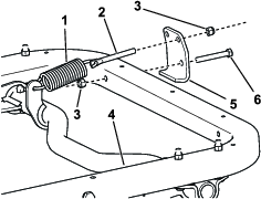
此程序中需要的物件:
| 枢轴管 | 1 |
| 拉伸弹簧 | 1 |
| 弹簧杆 | 1 |
| 枢轴管支架 | 2 |
| 螺栓(3/8 x 3 英寸) | 4 |
| 锁紧螺母(⅜ 英寸) | 6 |
| 弹簧支架 | 1 |
| 螺栓 (⅜ x 2¾ 英寸) | 1 |
Note: 如果您要安装机具架 08733 或 08736,请安装这些机具架随附的枢轴管支架,而不是此附件随附的支架。请参阅 08733 或 08736 的安装说明了解更多信息。
此程序中需要的物件:
| 可调杆总成 | 1 |
| 螺栓 (½ x 1-½ 英寸) | 1 |
| 锁紧螺母(½ 英寸) | 2 |
将可调杆总成短端的球窝接头放置在枢轴管上可调杆的右侧(图 7)。

将升降手柄移至从上面数的第二个止动位置。
将球窝接头放置在可调杆总成长端升降手柄总成底部的螺柱上,并用锁紧螺母(1/2 英寸)松散地固定(图 7)。
Note: 您可以在支架中上下移动枢轴管以获得安装可调杆的间隙。
将升降手柄一直向下移动到底部止动位置。
将可调杆短端上的球窝接头绕着枢轴管上的可调杆移动,直到其位于杆的左侧。
Note: 您可以在支架中上下移动枢轴管以获得安装可调杆的间隙。
移动升降手柄,直到球窝接头中的孔与枢轴管上可调杆右侧的孔对齐,然后使用一个螺栓(1/2 x 1-1/2 英寸)和一个锁紧螺母(1/2 英寸)固定,如图 8所示。

拧紧紧固件。
此程序中需要的物件:
| 控制杆总成 | 1 |
| 螺栓(5/16 x 2 英寸) | 1 |
| 锁紧螺母(5/16 英寸) | 3 |
| 枢轴凸耳 | 1 |
| 机具架连杆 | 1 |
| 托架螺栓(⅜ x 1¼ 英寸) | 1 |
| 隔片 | 1 |
| 垫圈(1 英寸) | 1 |
| 锁紧螺母(⅜ 英寸) | 1 |
| 踏杆总成 | 1 |
| 卡环 | 2 |
| 垫圈(7/8 英寸) | 1 |
| 螺栓(5/16 x 1 英寸) | 1 |
| 偏心螺栓 | 1 |
将控制杆总成上的立柱滑入枢轴管的左端,并使用螺栓(5/16 x 2 英寸)和锁紧螺母(5/16 英寸)穿过枢轴管将其固定(图 13)。
Note: 您可能需要将螺栓穿过枢轴管和控制杆总成。

使用螺栓(5/16 x 1 英寸)和锁紧螺母(5/16 英寸)将枢轴凸耳的中心孔松动地安装到机具架上的枢轴支架上(图 14)。

将机具架连杆的末端滑到踏杆总成的短立柱上,并用卡环固定(图 15)。

穿过控制杆总成的顶部将立柱安装到踏杆总成的另一端,并使用垫圈(7/8 英寸)和卡环将其固定(图 15)。
在升降踏板总成膝部向上弯曲时,使用一个托架螺栓(3/8 x 1-1/4 英寸)、一个垫片、一个垫圈(1 英寸)、一个垫圈(13/16 英寸)和一个锁紧螺母(3/8 英寸)将枢轴凸耳上的方孔安装到机具架连杆的末端,如图 16所示。

穿过枢轴凸耳和枢轴支架的底部安装偏心螺栓,并使用锁紧螺母(5/16 英寸)将其固定,如图 17所示。

此程序中需要的物件:
| 薄垫片(零件号 110-7379) | 1 |
| 薄垫片(零件号 110-7380) | 1 |
| 薄垫片(零件号 110-7381) | 1 |
安装机具架并拧紧紧固件后,使用以下程序验证机具架齿是否水平:
将机器停在水平地面上。
检查所有轮胎的气压并确保它们的气压相等。参考操作员手册,了解有关检查轮胎气压的更多信息。
降下机具架,直到齿刚开始接触地面。
如果机具架的齿均匀接触地面,表示机具架是水平的。
Note: 如果机具架一侧的齿比另一侧早接触地面,请调整机具架的水平。按照本程序的剩余部分继续调整水平。
在需要调整水平的一侧测量机具架齿到地面的间隙,然后根据间隙测量值使用下表确定安装哪个薄垫片:
| 薄垫片组(厚度以英寸表示) | 更改外沿的齿高度(英寸) |
| 110-7379(0.0747 英寸) | 1/8 英寸 |
| 110-7381(1345 英寸) | 1/4 英寸 |
| 110-7379 和 110-7381(0.2094 英寸) | ⅜ 英寸 |
| 110-7380(0.25 英寸) | 7/16 英寸 |
| 110-7379 和 110-7380(0.3247 英寸) | 9/16 英寸 |
松开固定枢轴管支架的螺栓,在机架和枢轴管支架之间形成一个开口(图 22)。

Note: 安装垫片可能需要您拆下升降踏板才能接触到枢轴管支架。请参阅安装机具架升降踏板。
安装垫片并拧紧所有紧固件。
验证机具架现在是否已经水平。如果没有水平,请根据需要进行调整。
阅读文档。
将文档保存在安全场所。
要降下机具架,请将升降手柄移到左侧,将其降下,然后向右滑动到所需的止动位置。
要升起机具架,请将升降手柄移到左侧,将其升起,然后向右滑动到所需的止动位置。
要将机具架升起并锁定到运输位置,请将升降手柄移到最高位置并向下踩机具架升降踏板。
要从运输位置释放机具架,请将升降手柄移到较低位置。
Note: 如果使用松土耙机具架,请旋转齿以延长齿的使用寿命。
Note: 要获得所需的操作位置,您可能需要先将机具架降至超出所需位置,然后再将其升起。
在操作过程中,您可以通过缓慢后退机器,同时将机具架设置到所需深度来将机具架降低到位。机具架处于所需位置后,即可向前行驶。齿将与地面接触,将机具架拉到已接合位置。
| Problem | Possible Cause | Corrective Action |
|---|---|---|
| 升起附件需要较大的力。 |
|
|
| 手柄未锁定到止动板上的止动槽中。 |
|
|
| 机具架旋转高度不够。 |
|
|
| 附件的向下压力过轻。 |
|
|
| 转动机器时,地面接触不均匀。 |
|
|
| 机器遇到障碍物时停止。 |
|
|
| 机具架齿不水平。 |
|
|