Parcheggiate la macchina su terreno pianeggiante.
Inserite il freno di stazionamento.
Abbassate l'apparato di taglio.
Spegnete il motore e togliete la chiave.
Sollevate la parte posteriore della macchina e sostenetela su cavalletti. Per la procedura corretta fate riferimento al Manuale dell'operatore.
Sbloccate il cofano e ruotatelo nella posizione di servizio.
Rimuovete le ruote posteriori.
Parti necessarie per questa operazione:
| Staffa della copertura protettiva del refrigeratore di destra | 1 |
| Staffa della copertura protettiva del refrigeratore di sinistra | 1 |
| Dado flangiato (5/16") | 4 |
| Guida dei flessibili | 2 |
| Rondella piana (5/16") | 4 |
Montate le guide dei flessibili alle staffe della copertura protettiva del refrigeratore di sinistra e destra con 2 rondelle piane (5/16”) e 2 dadi flangiati (5/16”); fate riferimento a Figura 1.

Parti necessarie per questa operazione:
| Raccordo diritto | 1 |
| Raccordo a gomito a 90° | 1 |
| Flessibile con raccordi diritti | 1 |
| Flessibile con gomito a 90° | 1 |
| Gruppo staffa della copertura protettiva del refrigeratore di destra | 1 |
| Coprimozzo | 2 |
| Dado di bloccaggio di nylon (⅜") | 1 |
| Bullone (⅜" x 3") | 1 |
| Rondella piana (⅜") | 1 |
Note: Montate un lato alla volta.
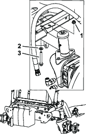
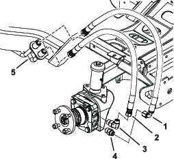
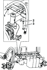
Rimuovete i flessibili idraulici esistenti dai condotti idraulici davanti alla ruota e montate immediatamente i tappi ai condotti idraulici (Figura 2 e Figura 3).

Rimuovete i raccordi del flessibile esistenti dal motore della ruota.

Montate il nuovo raccordo diritto e il raccordo a gomito a 90° nel motore della ruota (Figura 4).

Regolate il raccordo a gomito a 90° ad un’angolazione di 15° come illustrato in Figura 5.

Serrate i raccordi del motore della ruota a un valore di 142 N∙m.
Montate il flessibile con i raccordi diritti nel raccordo a gomito a 90° (Figura 4).
Montate il flessibile con il gomito a 90° nel raccordo diritto (Figura 4).
Regolate il gomito del flessibile a 90° ad un’angolazione di 20° come illustrato in Figura 5.
Serrate i flessibili nei raccordi a un valore di 57 N∙m.
Note: Accertatevi che le angolazioni vengano mantenute come illustrato in Figura 5.
Rimuovete il dado e il bullone esistenti sotto il radiatore che fissa la staffa del paraurti (Figura 6).
Sostituite il dado e il bullone esistenti con un bullone (⅜" x 3"), una rondella piana (⅜") e un dado flangiato (⅜") nel telaio. Non serrate il bullone fino a quando la staffa della copertura protettiva del refrigeratore non è montata.

Allentate i bulloni sulla parte laterale del radiatore (Figura 7).
Fate scorrere la staffa della copertura protettiva del refrigeratore sotto le teste del bullone sul radiatore e sulla staffa del paraurti (Figura 7).

Spingete fino in fondo la staffa della copertura protettiva del refrigeratore e serrate i bulloni.
Disponete i flessibili attraverso la guida dei flessibili (Figura 8).

Rimuovete un tappo alla volta e montate il flessibile corretto nel condotto idraulico come illustrato in Figura 4.
Note: Servitevi di una chiave ausiliaria per prevenire la torsione dei flessibili.
Rimuovete il tappo rimanente e montate il flessibile nel condotto idraulico (Figura 4).
Serrate i flessibili nei raccordi idraulici a un valore di 85 N∙m.
Note: Accertatevi che i flessibili siano allineati l’uno sopra l’altro e non lateralmente.
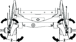
Montate la ruota posteriore e accertatevi che ci siano uno spazio di 1,6-4,8 mm tra i flessibili e il fianco del pneumatico.
Regolate il flessibile con il gomito a 90° o il raccordo a 90° se lo spazio non è corretto.
Serrate i dadi ad alette delle ruote; fate riferimento al Manuale dell’operatore per la procedura corretta.
Parti necessarie per questa operazione:
| Raccordo diritto | 1 |
| Raccordo a gomito a 90° | 1 |
| Flessibile con raccordi diritti | 1 |
| Flessibile con gomito a 90° | 1 |
| Gruppo staffa della copertura protettiva del refrigeratore di sinistra | 1 |
| Guida dei flessibili | 1 |
| Coprimozzo | 2 |
| Dado di bloccaggio di nylon (⅜") | 1 |
| Bullone (⅜" x 3") | 1 |
| Rondella piana (⅜") | 1 |
Rimuovete i flessibili idraulici esistenti dai condotti idraulici davanti alla ruota e montate immediatamente i tappi ai condotti idraulici (Figura 9 e Figura 10).

Rimuovete i raccordi del flessibile esistenti dal motore della ruota.

Montate il nuovo raccordo diritto e il raccordo a gomito a 90° nel motore della ruota (Figura 11).

Regolate il raccordo a gomito a 90° ad un’angolazione di 15° come illustrato in Figura 12.

Serrate i raccordi del motore della ruota a un valore di 142 N∙m.
Montate il flessibile con i raccordi diritti nel raccordo a gomito a 90° (Figura 11).
Montate il flessibile con il gomito a 90° nel raccordo diritto (Figura 11).
Regolate il gomito del flessibile a 90° ad un’angolazione di 20° come illustrato in Figura 12.
Serrate i flessibili nei raccordi a un valore di 57 N∙m.
Note: Accertatevi che le angolazioni vengano mantenute come illustrato in Figura 12.
Rimuovete il dado e il bullone esistenti sotto il radiatore che fissa la staffa del paraurti (Figura 13).
Sostituite il dado e il bullone esistenti con un bullone (⅜" x 3"), una rondella piana (⅜") e un dado flangiato (⅜") nel telaio. Non serrate il bullone fino a quando la staffa della copertura protettiva del refrigeratore non è montata.

Allentate i bulloni sulla parte laterale del radiatore (Figura 14).
Fate scorrere il gruppo staffa della copertura protettiva del refrigeratore di sinistra sotto le teste del bullone sul radiatore e sulla staffa del paraurti (Figura 14).

Spingete fino in fondo la staffa della copertura protettiva del refrigeratore e serrate i bulloni.
Disponete i flessibili attraverso la guida dei flessibili (Figura 15).

Rimuovete un tappo alla volta e montate il flessibile corretto nel condotto idraulico come illustrato in Figura 11.
Note: Servitevi di una chiave ausiliaria per prevenire la torsione dei flessibili.
Rimuovete il tappo rimanente e montate il flessibile nel condotto idraulico (Figura 11).
Serrate i flessibili nei condotti idraulici a un valore di 85 N∙m.
Note: Accertatevi che i flessibili siano allineati l’uno sopra l’altro e non lateralmente.
Montate la ruota posteriore e accertatevi che ci siano uno spazio di 1,6-4,8 mm tra i flessibili e il fianco del pneumatico.
Regolate il flessibile con il gomito a 90° o il raccordo a 90° se lo spazio non è corretto.
Serrate i dadi ad alette delle ruote; fate riferimento al Manuale dell’operatore per la procedura corretta.
Abbassate il cofano e fissatelo.
Abbassate la parte posteriore della macchina.
Guidate lentamente la macchina avanti e indietro per spurgare l’aria dal sistema di trazione.
Controllate che non vi siano perdite nei collegamenti dei raccordi e nei flessibili.
Controllate il livello del fluido idraulico; fate riferimento al Manuale dell’operatore per la procedura corretta.