Parkeer de machine op een horizontaal oppervlak.
Stel de parkeerrem in werking.
Breng de maai-eenheid omlaag.
Zet de motor af en haal het sleuteltje uit het contact.
Breng de achterkant van de machine omhoog en plaats ze op kriksteunen. Raadpleeg de Gebruikershandleiding voor de juiste procedure.
Ontgrendel de motorkap en draai deze naar de onderhoudsstand.
Verwijder de achterwielen.
Benodigde onderdelen voor deze stap:
| Rechter beugel van het koelerscherm | 1 |
| Linker beugel van het koelerscherm | 1 |
| Flensmoer (5/16") | 4 |
| Slanggeleider | 2 |
| Platte ring (5/16") | 4 |
Monteer de slanggeleiders aan de linker en rechter beugel van het koelerscherm met 2 platte ringen (5/16") en 2 flensmoeren (5/16"); zie Figuur 1.

Benodigde onderdelen voor deze stap:
| Rechte fitting | 1 |
| Elleboogfitting van 90° | 1 |
| Slang met rechte fittings | 1 |
| Slang met elleboog van 90° | 1 |
| Rechter beugel van het koelerscherm | 1 |
| Dop | 2 |
| Nylon borgmoer (⅜") | 1 |
| Bout (⅜" x 3") | 1 |
| Platte ring (⅜") | 1 |
Note: Monteer 1 zijde per keer.
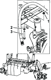
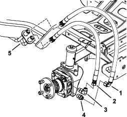
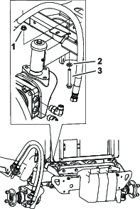
Verwijder de bestaande hydraulische slangen van de hydraulische leidingen aan de voorkant van het wiel en monteer onmiddellijk de doppen op de hydraulische leidingen (Figuur 2 en Figuur 3).

Verwijder de bestaande slangfittings van de wielmotor.

Monteer de nieuwe rechte fitting en de elleboogfitting van 90° aan de wielmotor (Figuur 4).

Stel de elleboogfitting van 90° in op een hoek van 15° zoals getoond in Figuur 5.

Draai de fittings van de wielmotor aan tot 142 N·m.
Monteer de slang met de rechte fittings op de elleboogfitting van 90° (Figuur 4).
Monteer de slang met de elleboog van 90° op de rechte fitting (Figuur 4).
Stel de slang met de elleboog van 90° in op een hoek van 20° zoals getoond in Figuur 5.
Draai de slangen op de fittings vast met een torsie van 57 N·m.
Note: Zorg ervoor dat de hoeken worden behouden zoals getoond in Figuur 5.
Verwijder de bestaande moer en bout onder de radiateur waarmee de bumperbeugel bevestigd is (Figuur 6).
Vervang de bestaande moer en bout door een bout (⅜" x 3"), platte ring (⅜") en flensmoer (⅜") aan het frame. Draai de bout nog niet vast tot de beugel van het koelerscherm is gemonteerd.

Maak de bouten aan de zijkant van de radiateur los (Figuur 7).
Schuif de beugel van het koelerscherm onder de boutkoppen op de radiateur en de bumperbeugel (Figuur 7).

Duw de beugel van het koelscherm helemaal naar binnen en draai de bouten vast.
Leid de slangen door de slanggeleider (Figuur 8).

Verwijder één dop per keer en monteer de juiste slang aan de hydraulische leiding zoals getoond in Figuur 4.
Note: Gebruik een contrasleutel om te voorkomen dat de slangen draaien.
Verwijder de resterende dop en monteer de slang aan de hydraulische leiding (Figuur 4).
Draai de slangen op de hydraulische leidingen vast met een torsie van 85 N·m.
Note: Zorg ervoor dat de slangen boven en onder elkaar zijn uitgelijnd en niet opzij.
Monteer het achterwiel en zorg ervoor dat er een ruimte van 1,6 tot 4,8 mm is tussen de slangen en de zijwand van de band.
Pas de slang met de elleboog van 90° of de 90°-fitting aan als de ruimte niet correct is.
Draai de wielmoeren aan; raadpleeg de Gebruikershandleiding voor de juiste procedure.
Benodigde onderdelen voor deze stap:
| Rechte fitting | 1 |
| Elleboogfitting van 90° | 1 |
| Slang met rechte fittings | 1 |
| Slang met elleboog van 90° | 1 |
| Linker beugel van het koelerscherm | 1 |
| Slanggeleider | 1 |
| Dop | 2 |
| Nylon borgmoer (⅜") | 1 |
| Bout (⅜" x 3") | 1 |
| Platte ring (⅜") | 1 |
Verwijder de bestaande hydraulische slangen van de hydraulische leidingen aan de voorkant van het wiel en monteer onmiddellijk de doppen op de hydraulische leidingen (Figuur 9 en Figuur 10).

Verwijder de bestaande slangfittings van de wielmotor.

Monteer de nieuwe rechte fitting en de elleboogfitting van 90° aan de wielmotor (Figuur 11).

Stel de elleboogfitting van 90° in op een hoek van 15° zoals getoond in Figuur 12.

Draai de fittings van de wielmotor aan tot 142 N·m.
Monteer de slang met de rechte fittings op de elleboogfitting van 90° (Figuur 11).
Monteer de slang met de elleboog van 90° op de rechte fitting (Figuur 11).
Stel de slang met de elleboog van 90° in op een hoek van 20° zoals getoond in Figuur 12.
Draai de slangen op de fittings vast met een torsie van 57 N·m.
Note: Zorg ervoor dat de hoeken worden behouden zoals getoond in Figuur 12.
Verwijder de bestaande moer en bout onder de radiateur waarmee de bumperbeugel bevestigd is (Figuur 13).
Vervang de bestaande moer en bout door een bout (⅜" x 3"), platte ring (⅜") en flensmoer (⅜") aan het frame. Draai de bout nog niet vast tot de beugel van het koelerscherm is gemonteerd.

Maak de bouten aan de zijkant van de radiateur los (Figuur 14).
Schuif de linker beugel van het koelerscherm onder de boutkoppen op de radiateur en de bumperbeugel (Figuur 14).

Duw de beugel van het koelscherm helemaal naar binnen en draai de bouten vast.
Leid de slangen door de slanggeleider (Figuur 15).

Verwijder één dop per keer en monteer de juiste slang aan de hydraulische leiding zoals getoond in Figuur 11.
Note: Gebruik een contrasleutel om te voorkomen dat de slangen draaien.
Verwijder de resterende dop en monteer de slang aan de hydraulische leiding (Figuur 11).
Draai de slangen op de hydraulische leidingen vast met een torsie van 85 N·m.
Note: Zorg ervoor dat de slangen boven en onder elkaar zijn uitgelijnd en niet opzij.
Monteer het achterwiel en zorg ervoor dat er een ruimte van 1,6 tot 4,8 mm is tussen de slangen en de zijwand van de band.
Pas de slang met de elleboog van 90° of de 90°-fitting aan als de ruimte niet correct is.
Draai de wielmoeren aan; raadpleeg de Gebruikershandleiding voor de juiste procedure.
Sluit de motorkap en vergrendel deze.
Breng de achterkant van de machine omlaag.
Rij de machine langzaam vooruit en achteruit om de lucht uit het tractiesysteem te verwijderen.
Controleer de aansluitingen van de fitting en de slangen op lekkages.
Controleer het peil van de hydraulische vloeistof; raadpleeg de Gebruikershandleiding voor de juiste procedure.