平らな場所に駐車する。
駐車ブレーキを掛ける。
カッティングユニットを下降させる。
エンジンを止め、キーを抜き取る。
機体後部を持ち上げてジャッキスタンドで支える。持ち上げの手順についてはオペレーターズマニュアルを参照のこと。
フードのラッチを外してフードを整備位置に倒す。
後輪を取り外す。
この作業に必要なパーツ
| 右側クーラシュラウドブラケット | 1 |
| 左側クーラシュラウドブラケット | 1 |
| フランジナット(5/16") | 4 |
| ホースガイド | 2 |
| 平ワッシャ(5/16") | 4 |
左右のクーラシュラウドブラケットにホースガイドを取り付ける;平ワッシャ(5/16")2 枚、フランジナット(5/16")2 を使用する;図 1を参照。

この作業に必要なパーツ
| ストレートフィッティング | 1 |
| 90º エルボフィッティング | 1 |
| ストレートフィッティング付きホース | 1 |
| 90º エルボフィッティング付きホース | 1 |
| 右側クーラシュラウドブラケットアセンブリ | 1 |
| キャップ | 2 |
| ナイロンロックナット(⅜") | 1 |
| ボルト(⅜ x 3") | 1 |
| 平ワッシャ (⅜") | 1 |
Note: 取り付けは片側ずつ行ってください。
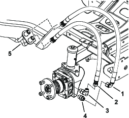
ホイールの前にある油圧ラインから既存のホースを外し、急いで油圧ラインをキャップでふさぐ(図 2と図 3)。

ホイールモータについているホースフィッティングを外す。

ホイールモータに新しいストレートフィッティングと 90º エルボフィッティングを取り付ける(図 4)。

90º エルボフィッティングは、図 5のように 15º の角度に調整する。

ホイールモータのフィッティングをそれぞれ 142 N·m(14.5 kg.m = 105 ft-lb)にトルク締めする。
ストレートフィッティング付きホースを、90º エルボ付きホースに取り付ける(図 4)。
ストレートフィッティングに 90º エルボ付きホースを取り付ける(図 4)。
90º エルボフィッティングは、図 5のように 20º の角度に調整する。
フィッティングに取り付けたホースをそれぞれ 57 N·m(5.8 kg.m = 42 ft-lb)にトルク締めする。
Note: 各フィッティングの角度を図 5のように維持すること。
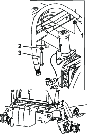
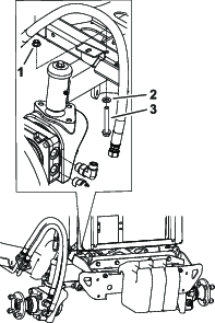
ラジエターの下でバンパーブラケットを固定している既存のナットとボルトを外す(図 6)。
既存のナットとボルトを、ボルト(⅜ x 3")、平ワッシャ(⅜")、フランジナット(⅜")に取り換える。ボルトの締め付けはクーラシュラウドブラケットの取り付けが終わるまで行わない。

ラジエター側部にあるボルトをゆるめる(図 7)。
ラジエターとバンパーブラケットにあるボルトの頭の下にクーラシュラウドブラケットを入れる(図 7)。

クーラシュラウドブラケットを入るところまで押し込んでボルトを締めつける。
ホースガイドにホースを通して配設する(図 8)。

キャップを外してホースを図 4のように正しく取り付ける。キャップは1個ずつ取り外すこと。
Note: ホースをねじってしまわないように、補助レンチを使い丁寧に締め付けてください。
残っているキャップを外して、ホースを油圧ラインに接続する(図 4)。
油圧ラインに取り付けたホースをそれぞれ 85 N·m(8.7 kg.m = 63 ft-lb)にトルク締めする。
Note: ホースが横並びでなく、上下に並んで配設されていることを確認してください。
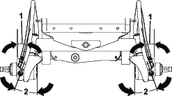
後ホイールを取り付ける;ホースとタイヤの側面との間に 1.6-4.8 mm のすき間があることを確認する。
すきまが規定範囲にない場合には、90º エルボまたは 90° フィッティングでホースを調整する。
ホイールラグナットをトルク締めする;手順についてはオペレーターズマニュアルを参照。
この作業に必要なパーツ
| ストレートフィッティング | 1 |
| 90º エルボフィッティング | 1 |
| ストレートフィッティング付きホース | 1 |
| 90º エルボフィッティング付きホース | 1 |
| 左側クーラシュラウドブラケットアセンブリ | 1 |
| ホースガイド | 1 |
| キャップ | 2 |
| ナイロンロックナット(⅜") | 1 |
| ボルト(⅜ x 3") | 1 |
| 平ワッシャ (⅜") | 1 |
ホイールの前にある油圧ラインから既存のホースを外し、急いで油圧ラインをキャップでふさぐ(図 9と図 10)。

ホイールモータについているホースフィッティングを外す。

ホイールモータに新しいストレートフィッティングと 90º エルボフィッティングを取り付ける(図 11)。

90º エルボフィッティングは、図 12のように 15º の角度に調整する。

ホイールモータのフィッティングをそれぞれ 142 N·m(14.5 kg.m = 105 ft-lb)にトルク締めする。
ストレートフィッティング付きホースを、90º エルボ付きホースに取り付ける(図 11)。
ストレートフィッティングに 90º エルボ付きホースを取り付ける(図 11)。
90º エルボフィッティングは、図 12のように 20º の角度に調整する。
フィッティングに取り付けたホースをそれぞれ 57 N·m(5.8 kg.m = 42 ft-lb)にトルク締めする。
Note: 各フィッティングの角度を図 12のように維持すること。
ラジエターの下でバンパーブラケットを固定している既存のナットとボルトを外す(図 13)。
既存のナットとボルトを、ボルト(⅜ x 3")、平ワッシャ(⅜")、フランジナット(⅜")に取り換える。ボルトの締め付けはクーラシュラウドブラケットの取り付けが終わるまで行わない。

ラジエター側部にあるボルトをゆるめる(図 14)。
ラジエターとバンパーブラケットにあるボルトの頭の下に左側クーラシュラウドブラケットを入れる(図 14)。

クーラシュラウドブラケットを入るところまで押し込んでボルトを締めつける。
ホースガイドにホースを通して配設する(図 15)。

キャップを外してホースを図 11のように正しく取り付ける。キャップは1個ずつ取り外すこと。
Note: ホースをねじってしまわないように、補助レンチを使い丁寧に締め付けてください。
残っているキャップを外して、ホースを油圧ラインに接続する(図 11)。
油圧ラインに取り付けたホースをそれぞれ 85 N·m(8.7 kg.m = 63 ft-lb)にトルク締めする。
Note: ホースが横並びでなく、上下に並んで配設されていることを確認してください。
後ホイールを取り付ける;ホースとタイヤの側面との間に 1.6-4.8 mm のすき間があることを確認する。
すきまが規定範囲にない場合には、90º エルボまたは 90° フィッティングでホースを調整する。
ホイールラグナットをトルク締めする;手順についてはオペレーターズマニュアルを参照。
フードを閉じてラッチを掛ける。
機体の後側を床面に降ろす。
マシンを運転してゆっくりと何度か前後方向に走行し、油圧システム内部のエアをパージする。
フィッティングやホースの接続部からオイルが漏れていないか点検する。
油圧オイルの量を点検する;手順についてはマシンの オペレーターズマニュアルを参照。