将机器停在水平地面上。
接合驻车刹车。
放低滚刀组。
关闭发动机并拔下钥匙。
提起机器后部,并用顶车架支撑。参阅操作员手册了解正确的程序。
松开机罩闩锁并将其旋转到维修位置。
卸下后轮。
此程序中需要的物件:
| 右冷却器护罩支架 | 1 |
| 左冷却器护罩支架 | 1 |
| 凸缘螺母 (5/16 英寸) | 4 |
| 软管导向架 | 2 |
| 扁平垫圈(5/16 英寸) | 4 |
使用 2 个扁平垫圈(5/16 英寸)和 2 个凸缘螺母(5/16 英寸)将软管导向架安装到左右冷却器护罩支架;请参阅图 1。

此程序中需要的物件:
| 直通接头 | 1 |
| 90°弯头 | 1 |
| 带直通接头的软管 | 1 |
| 带 90°弯头的软管 | 1 |
| 右冷却器护罩支架组件 | 1 |
| 盖子 | 2 |
| 尼龙锁紧螺母(⅜ 英寸) | 1 |
| 螺栓(⅜ x 3 英寸) | 1 |
| 扁平垫圈(⅜ 英寸) | 1 |
Note: 每次安装 1 侧。
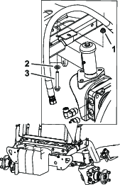
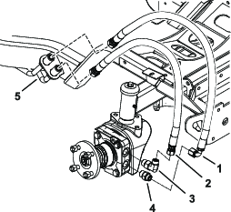
从车轮前面的液压管线上拆下现有的液压软管,并立即将盖子安装到液压管线上(图 2和图 3)。

从车轮马达上拆下现有的软管接头。

将新的直通接头和 90°弯头安装到车轮马达上(图 4)。

将 90°弯头调整到 15°角,如图 5所示。

上紧车轮马达接头扭矩至 142 N∙m。
将带直通接头的软管安装到 90°弯头(图 4)。
将带 90°弯头的软管安装到直通接头(图 4)。
将 90°软管弯头调整到 20°,如图 5所示。
将软管连接到接头上,上紧扭矩至 57 N∙m。
Note: 确保维持角度,如图 5所示。
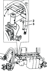
拆下散热器下方固定减震器支架的现有螺母和螺栓(图 6)。
用螺栓(⅜ x 3 英寸)、扁平垫圈(⅜ 英寸)和凸缘螺母(⅜ 英寸)将现有的螺母和螺栓重新安装到支架上。在安装冷却器护罩支架之前不要拧紧螺栓。

松开散热器侧的螺栓(图 7)。
将冷却器护罩支架滑到散热器和缓冲器支架的螺栓头下方(图 7)。

将冷却器护罩支架一直推到最里面并拧紧螺栓。
将软管穿过软管导向架(图 8)。

一次拆下一个盖子并将正确的软管安装到液压管线上,如图 4所示。
Note: 使用支撑扳手防止软管扭曲。
拆下剩余的盖子并将软管安装到液压管线上(图 4)。
将软管连接到液压管线上,上紧扭矩至 85 N∙m。
Note: 确保软管上下对齐,而不是侧面对齐。
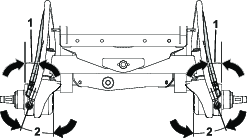
安装后轮并确保软管和轮胎侧壁之间有 1.6mm 到 4.8mm 的间隙。
如果间隙大小不正确,请使用 90°弯头或 90°接头调整软管。
拧紧车轮螺母;有关正确的程序,请参阅操作员手册。
此程序中需要的物件:
| 直通接头 | 1 |
| 90°弯头 | 1 |
| 带直通接头的软管 | 1 |
| 带 90°弯头的软管 | 1 |
| 左冷却器护罩支架组件 | 1 |
| 软管导向架 | 1 |
| 盖子 | 2 |
| 尼龙锁紧螺母(⅜ 英寸) | 1 |
| 螺栓(⅜ x 3 英寸) | 1 |
| 扁平垫圈(⅜ 英寸) | 1 |
从车轮前面的液压管线上拆下现有的液压软管,并立即将盖子安装到液压管线上(图 9和图 10)。

从车轮马达上拆下现有的软管接头。

将新的直通接头和 90°弯头安装到车轮马达上(图 11)。

将 90°弯头调整到 15°,如图 12所示。

上紧车轮马达接头扭矩至 142 N∙m。
将带直通接头的软管安装到 90°弯头(图 11)。
将带 90°弯头的软管安装到直通接头(图 11)。
将 90°软管弯头调整到 20°,如图 12所示。
将软管连接到接头上,上紧扭矩至 57 N∙m。
Note: 确保维持角度,如图 12所示。
拆下散热器下方固定减震器支架的现有螺母和螺栓(图 13)。
用螺栓(⅜ x 3 英寸)、扁平垫圈(⅜ 英寸)和凸缘螺母(⅜ 英寸)将现有的螺母和螺栓重新安装到支架上。在安装冷却器护罩支架之前不要拧紧螺栓。

松开散热器侧的螺栓(图 14)。
将左冷却器护罩支架组件滑到散热器和缓冲器支架的螺栓头下方(图 14)。

将冷却器护罩支架一直推到最里面并拧紧螺栓。
将软管穿过软管导向架(图 15)。

一次拆下一个盖子并将正确的软管安装到液压管线上,如图 11所示。
Note: 使用支撑扳手防止软管扭曲。
拆下剩余的盖子并将软管安装到液压管线上(图 11)。
将软管连接到液压管线上,上紧扭矩至 85 N∙m。
Note: 确保软管上下对齐,而不是侧面对齐。
安装后轮并确保软管和轮胎侧壁之间有 1.6mm 到 4.8mm 的间隙。
如果间隙大小不正确,请使用 90°弯头或 90°接头调整软管。
拧紧车轮螺母;有关正确的程序,请参阅操作员手册。
降下机罩并将其锁上。
降下机器的后部。
缓慢向前和向后驾驶机器以清除牵引系统中的空气。
检查接头连接和软管是否有任何泄漏。
检查液压油位;有关正确的程序,请参阅操作员手册。