![]() |
안전 문구 데칼과 지침은 작업자의 눈에 쉽게 보이며 잠재적인 위험이 있는 모든 부분에 부착되어 있습니다. 손상되거나 유실된 데칼은 교체하십시오. |


배터리 제조업체는 데칼 137-9712에 해당하는 다음 경고 문구를 제공합니다.

배터리를 65°C 이상의 온도에 노출시키지 마십시오.
배터리를 분해하거나 함부로 다루지 마십시오. 찌그러뜨리지 마십시오.
떨어뜨리거나 충격을 가하지 마십시오.
OEM 승인 충전기만 사용하십시오.
이러한 지침을 따르지 않으면 폭발하거나, 화재가 발생하거나, 고온이 발생할 수 있습니다.
추가적인 안전 지침은 사용 설명서를 참조하십시오.
장비를 평지에 주차합니다.
주차 브레이크를 체결합니다.
장비를 끕니다.
배터리를 분리합니다. 사용 설명서를 참조하십시오.
Note: 달리 명시되지 않는 한 분리한 모든 부품은 폐기할 수 있습니다.
콘솔 커버를 고정하는 볼트 4개를 제거하고 커버를 분리합니다(그림 2).
Note: 나중에 설치할 때 사용하도록 따로 보관하십시오.

기존 배터리 와이어 하네스를 장비에 고정하는 케이블 타이를 자르고 모든 배터리 와이어 하네스 연결부를 분리한 다음 와이어 하네스를 제거합니다.
Important: 기존 와이어 하네스 배선 경로, 케이블 타이, 연결 위치를 기록하여 새로운 배터리 와이어 하네스를 배선하고 연결할 때 참조하십시오.
Note: 장비에는 전기 모터 상단에서 연장되는 짧은 하네스만 남겨야 합니다.
Note: 배터리 플랫폼을 들어 올려서 배터리 하부의 하네스를 분리해야 합니다.
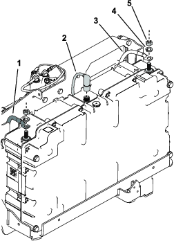
배터리 플랫폼 후면을 장비 프레임에 고정하는 긴 너트를 제거합니다(그림 3).

배터리 플랫폼을 장비 전방에 고정하는 볼트 2개와 너트를 제거하고 플랫폼과 배터리를 분리합니다(그림 4).

파워 센터 브래킷을 장비 후방에 고정하는 너트 2개, 와셔, 볼트를 제거하고 브래킷을 분리합니다(그림 5).

장비에서 배터리와 배터리 플랫폼을 분리합니다(그림 6).
배터리를 플랫폼에 고정하는 볼트와 와셔를 분리하고 현지, 주, 연방 규정에 따라 배터리를 폐기하거나 재활용하십시오(그림 6).

이 절차를 수행하는 데 필요한 부품:
| 배터리 팩 | 1 |
| 볼트(¼ x 4½ 인치) | 4 |
| 와셔(¼ 인치) | 4 |
| 너트 (¼ 인치) | 4 |
| 록 와셔(M8) | 2 |
| 육각 너트(M8) | 2 |
배터리 팩은 약간 충전된 상태로 배송되며 감전될 수 있습니다.
동시에 양극 및 음극 배터리 단자를 만지지 말거나 공구가 닿지 않도록 하십시오.
배터리를 설치할 때 절연 공구를 사용하십시오.
박스에서 배터리 팩을 꺼냅니다.
Important: 박스와 모든 포장재를 보관하십시오. 정비, 보증 또는 재활용을 위해 배터리를 배송할 때 이러한 특수 포장이 필요합니다.
배터리 커버를 고정하는 나사 8개를 풀고 커버를 분리합니다(그림 7).
Note: 커버를 분리하기 위해 나사를 완전히 제거할 필요는 없습니다.

배터리 플랫폼에 배터리를 놓고 그림 8와(과) 같이 하드웨어를 설치합니다.

컨트롤러 케이블을 배터리 상단의 커넥터에 연결합니다(그림 9).
양극(적색) 케이블을 양극(+) 배터리 단자에 연결하고 그림 9와(과) 같이 록 와셔 및 육각 너트로 고정합니다. 9N⋅m 토크로 육각 너트를 조입니다.

음극(검정색) 케이블을 음극(–) 배터리 단자에 연결하고 그림 9와(과) 같이 록 와셔 및 육각 너트로 고정합니다. 9N⋅m 토크로 육각 너트를 조입니다.
이 절차를 수행하는 데 필요한 부품:
| 배터리, 플랫폼, 와이어 하네스 어셈블리 | 1 |
| 볼트(5/16 x 1 인치) | 2 |
| 스페이서(5/16 인치) | 1 |
| 너트(5/16 인치) | 4 |
| 볼트(5/16 x 2-1/4 인치) | 2 |
| 경화 와셔(5/16 인치) | 2 |
새로운 배터리 플랫폼 전면을 프레임과 맞추고 그림 10와(과) 같이 하드웨어를 설치합니다.

그림 11와(과) 같이프레임에 후방 플랫폼 어셈블리를 설치합니다.

핸들 좌측에서 제어 콘솔 밑면까지 와이어 하네스를 배선합니다.
Note: 날카롭거나 뜨겁거나 움직이는 부품에서 와이어 하네스를 멀리 배선하고 필요하면 케이블 타이로 고정합니다.
T-핸들 파워 커넥터를 제외하고 이전 와이어 하네스에 연결된 대로 모든 와이어 하네스 연결부를 연결합니다.
Note: 장비에 장착된 부속 장치에 따라 일부 와이어 하네스 연결부를 사용하지 않을 수 있습니다.와이어 하네스 라벨과 기존 배터리 분리에서 이전에 기록한 메모를 참조하십시오.
필요한 경우 와이어 하네스를 케이블 타이 및 케이블 클립으로 고정합니다.
배터리 커버를 설치하고 배터리를 배터리 플랫폼에 설치하기의 3 단계에서 분리한 나사로 고정합니다.
T-핸들 커넥터를 주전원 공급 커넥터에 연결합니다(그림 12).

Toro DIAG를 사용하여 소프트웨어를 최근 버전으로 업데이트하십시오. Toro DIAG 사용 설명서를 참조하십시오.
Important: Toro DIAG가 모델과 일련번호를 입력하라는 메시지가 표시되면 장비 프레임에 있는 모델과 일련번호를 사용하지 말고 배터리 플랫폼에 있는 데칼의 정보를 사용하십시오(그림 13).

키를 RUN(작동) 위치로 돌려서 장비의 시동을 걸고 작동을 테스트하십시오. 문제가 있다면 와이어 하네스 연결을 확인하십시오.
Important: LED 디스플레이를 켰을 때 오류 메시지 또는 깜박이는 경고등이 없어야 합니다.
Note: 키를 돌려서 START(시동) 위치에 잡고 있을 필요가 없습니다. 키를 RUN(작동) 위치로 돌리면 장비가 켜집니다.
앞에서 분리한 4개의 나사를 사용하여 콘솔을 설치합니다.
배터리를 충전합니다. 충전기 사용 설명서를 참조하십시오.
Important: 충전기 사용 설명서에 따라 올바른 새 충전기를 사용하십시오. 새 배터리에 오래된 충전기를 사용하지 마십시오.
Note: 배터리는 부분 충전된 상태(약 30%)로 배송됩니다. 이는 설정 완료를 위하여 소프트웨어를 설치하고, 장비의 기능을 점검하고, 이동시키기에 충분한 충전량입니다.