![]() |
Veiligheidsstickers en veiligheidsinstructies zijn gemakkelijk zichtbaar voor de bestuurder en bevinden zich bij plaatsen waar gevaar kan ontstaan. Vervang alle beschadigde of verdwenen stickers. |


De fabrikant van de accu geeft de volgende instructies die overeenkomen met sticker 137-9712:

Stel de accu niet bloot aan temperaturen boven 65°C.
De accu niet demonteren of ruw behandelen. Niet verpletteren.
Niet laten vallen of blootstellen aan schokken.
Gebruik enkel een door de OEM goedgekeurde lader.
Indien u deze instructies niet opvolgt, kan dit een explosie, brand of hoge temperaturen tot gevolg hebben.
Lees de gebruikershandleiding voor bijkomende veiligheidsinstructies.
Parkeer de machine op een horizontaal oppervlak.
Stel de parkeerrem in werking.
Schakel de machine uit.
Koppel de accu los; raadpleeg de Gebruikershandleiding.
Note: Tenzij anders aangegeven mag u alle verwijderde onderdelen weggooien.
Draai de 4 bouten los waarmee het bedieningspaneel vastzit en verwijder het (Figuur 2).
Note: Bewaar de bouten voor latere montage.

Snij de kabelbinders waarmee de bestaande kabelboom van de accu aan de machine is bevestigd af, koppel alle aansluitingen van de kabelboom van de accu los en verwijder de kabelboom.
Important: Noteer hoe de bestaande kabelboom is geleid en waar de kabelbinders en aansluitingen zich bevinden. Gebruik dit als referentie voor het leiden en aansluiten van de nieuwe kabelboom van de accu.
Note: De enige resterende kabelboom op de machine dient de korte kabelboom te zijn die uit de bovenkant van de elektrische motor steekt.
Note: U moet misschien het accuplatform optillen om de kabelboom onder de accu los te koppelen.
Verwijder de lange moer waarmee de achterkant van het accuplatform aan het machineframe is bevestigd (Figuur 3).

Verwijder de 2 bouten en moeren waarmee het accuplatform aan de voorkant van de machine is bevestigd en verwijder het platform en de accu (Figuur 4).

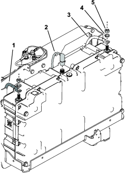
Verwijder de 2 moeren, ringen en bouten waarmee de beugel van de elektrische hoofdkast aan de achterkant van de machine is bevestigd en verwijder de beugel (Figuur 5).

Verwijder de accu en het accuplatform van de machine (Figuur 6).
Verwijder de bouten en ringen waarmee de accu aan het platform is bevestigd; voer de accu conform de plaatselijke en nationale wetgeving af of recycle ze (Figuur 6).

Benodigde onderdelen voor deze stap:
| Accupack | 1 |
| Bout (½" x 4½") | 4 |
| Ring (¼") | 4 |
| Moer (¼") | 4 |
| Borgring (M8) | 2 |
| Zeskantmoer (M8) | 2 |
Het accupack wordt geleverd met een kleine lading en kan u een elektrische schok geven.
Raak beide accupolen niet tegelijkertijd aan en laat ook geen gereedschap tegelijkertijd contact maken met de beide accupolen.
Gebruik geïsoleerd gereedschap als u de accu monteert.
Neem het nieuwe accupack uit de doos.
Important: Bewaar de doos en het verpakkingsmateriaal. U moet deze speciale verpakking gebruiken wanneer u de accu moet transporteren voor onderhoud, garantie of recycling.
Draai de 8 schroeven los waarmee het accudeksel vastzit en verwijder het (Figuur 7).
Note: U hoeft de schroeven niet volledig te verwijderen om het deksel te verwijderen.

Plaats de accu in het accuplatform en monteer het bevestigingsmateriaal zoals getoond in Figuur 8.

Sluit de kabel van de regelaar aan op de connector aan de bovenkant van de accu (Figuur 9).
Sluit de pluskabel (rood) aan op de pluspool (+) van de accu en bevestig hem met een borgring en een zeskantige moer zoals getoond in Figuur 9; draai de zeskantige moer vast met een torsie van 9 N·m.

Sluit de minkabel (zwart) aan op de minpool (–) van de accu en bevestig hem met een borgring en een zeskantige moer zoals getoond in Figuur 9; draai de zeskantige moer vast met een torsie van 9 N·m.
Benodigde onderdelen voor deze stap:
| Accu, platform en kabelboom | 1 |
| Bout (5/16" x 1") | 2 |
| Afstandsstuk (5/16") | 1 |
| Moer (5/16") | 4 |
| Bout (5/16" x 2¼") | 2 |
| Verharde ring (5/16 inch) | 2 |
Lijn de voorkant van het nieuwe accuplatform uit op het frame en monteer het bevestigingsmateriaal zoals getoond in Figuur 10.

Monteer de achterste platformbevestiging aan het frame zoals getoond in Figuur 11.

Leid de kabelboom naar boven aan de linkerzijde van de handgreep naar de onderkant van het bedieningspaneel.
Note: Leid de kabelboom uit de buurt van hete, scherpe of bewegende delen en zet deze naar behoefte vast met kabelbinders.
Sluit alle kabelboomaansluitingen aan zoals ze waren aangesloten op de vorige kabelboom, behalve de stroomaansluiting met T-handgreep.
Note: Sommige kabelboomaansluitingen worden misschien niet gebruikt afhankelijk van de werktuigen die zijn gemonteerd op uw machine.Raadpleeg de aanduidingen op de kabelboom en de eerder genoteerde referenties van De bestaande accu verwijderen.
Bevestig de kabelboom met kabelbinders en kabelklemmen waar nodig.
Monteer het accudeksel en bevestig het met de schroeven die u verwijderd hebt in stap 2 van De accu monteren op het accuplatform.
Koppel de aansluiting met de T-handgreep aan op de hoofdstroomaansluiting (Figuur 12).

Gebruik Toro DIAG om de software bij te werken naar de meest recente beschikbare versie; raadpleeg uw TORO DIAG Gebruikershandleiding.
Important: Wanneer u door Toro DIAG wordt gevraagd naar het model- en serienummer, gebruik dan niet de model- en serienummerinformatie van het machineframe, maar de informatie op de sticker die zich op het accuplatform bevindt (Figuur 13).

Draai het sleuteltje naar de stand LOPEN om de machine te starten en de werking te testen; als er problemen zijn, moet u de aansluitingen van de kabelboom controleren.
Important: Het leddisplay moet ingeschakeld worden en er mogen geen foutmeldingen zijn of lichten gaan knipperen.
Note: U hoeft het sleuteltje niet te draaien en in de stand STARTEN te houden; door het sleuteltje naar LOPEN te draaien, schakelt u de machine in.
Monteer het bedieningspaneel met behulp van de 4 schroeven die u eerder hebt verwijderd.
Laad de machine; raadpleeg uw Gebruikershandleiding van de lader.
Important: Zorg ervoor dat u de nieuwe, juiste lader gebruikt volgens de Gebruikershandleiding van de lader; gebruik de oude lader niet samen met de nieuwe accu.
Note: De accu wordt gedeeltelijk geladen geleverd (ongeveer 30%). Dit volstaat om de software te installeren, de werking van de machine te controleren en indien nodig volledig te monteren.