![]() |
Bezpečnostní štítky a pokyny jsou umístěny na viditelném místě v blízkosti každého prostoru představujícího potenciální nebezpečí. V případě ztráty nebo poškození původní nálepky nahraďte nálepku novou. |


Výrobce akumulátoru uvádí následující jazyk, který je shodný se štítkem 137-9712:

Akumulátor nevystavujte teplotám nad 65 °C.
Akumulátor nerozebírejte ani s ním špatně nezacházejte. Nešrotujte.
Neupusťte a nevystavujte nárazům.
Používejte pouze nabíječku schválenou výrobcem.
V případě nedodržení těchto pokynů hrozí nebezpečí výbuchu, požáru nebo vzniku vysokých teplot.
Další bezpečnostní pokyny naleznete v návodu k obsluze.
Zaparkujte stroj na rovném povrchu.
Zatáhněte parkovací brzdu.
Vypněte stroj.
Odpojte akumulátor; viz provozní příručka.
Note: Všechny demontované součásti můžete zlikvidovat, pokud není uvedeno jinak.
Demontujte 4 šrouby, kterými je připevněn kryt konzoly, a kryt sejměte (Obrázek 2).
Note: Upevňovací šrouby uschovejte pro pozdější montáž.

Odstraňte stahovací pásky, jež připevňují stávající kabelový svazek akumulátoru ke stroji, odpojte všechny přípoje kabelového svazku akumulátoru a kabelový svazek vyjměte.
Important: Zapište si do poznámek místo vedení stávajícího kabelového svazku, stahovacích pásek a přípojů. Podle toho povedete a připojíte nový kabelový svazek akumulátoru.
Note: Jediný zbývající kabelový svazek na stroji by měl být krátký kabelový svazek, který vede od horní části elektromotoru.
Note: K odpojení kabelového svazku pod akumulátorem možná bude nutné zvednout desku akumulátoru.
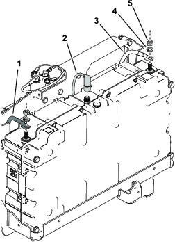
Demontujte vysokou matici, která upevňuje zadní část desky akumulátoru k rámu stroje (Obrázek 3).

Demontujte 2 šrouby a matice, jež upevňují desku akumulátoru k přední části stroje a demontujte desku a akumulátor (Obrázek 4).

Demontujte 2 matice, podložky a šrouby, jež upevňují středovou konzolu k zadní části stroje (Obrázek 5).

Vyjměte akumulátor a desku akumulátoru ze stroje (Obrázek 6).
Demontujte šrouby a podložky, které upevňují akumulátor k desce. Akumulátor zlikvidujte nebo recyklujte podle místních, státních a federálních předpisů (Obrázek 6).

Díly potřebné k provedení tohoto kroku:
| Akumulátor | 1 |
| Šroub (¼" x 4½") | 4 |
| Podložka (¼") | 4 |
| Matice (¼") | 4 |
| Pojistná podložka (M8) | 2 |
| Šestihranná matice (M8) | 2 |
Dodávaný akumulátor je mírně nabitý a je schopen vám způsobit úraz.
Nedotýkejte se kladného a záporného pólu akumulátoru najednou ani na ně nepokládejte žádné nástroje.
K montáži akumulátoru používejte izolované nástroje.
Vyjměte nový akumulátor z obalu.
Important: Krabici a ostatní obalový materiál uschovejte. Pokud budete potřebovat odeslat akumulátor kvůli údržbě, k reklamaci nebo recyklaci, budete tento speciální obal potřebovat.
Povolte 8 šroubů, jež upevňují kryt akumulátoru, a kryt sejměte (Obrázek 7).
Note: K sejmutí krytu není nutné šrouby zcela demontovat.

Umístěte akumulátor na desku akumulátoru a namontujte upevňovací prvky, viz Obrázek 8.

Připojte kabel řídicí jednotky ke konektoru v horní části akumulátoru (Obrázek 9).
Připojte kladný (červený) kabel ke kladnému (+) pólu akumulátoru a upevněte jej pomocí pojistné podložky a šestihranné matice (viz Obrázek 9), matici utáhněte na utahovací moment 9 N·m.

Připojte záporný (černý) kabel k zápornému (–) pólu akumulátoru a upevněte jej pomocí pojistné podložky a šestihranné matice (viz Obrázek 9), matici utáhněte na utahovací moment 9 N·m.
Díly potřebné k provedení tohoto kroku:
| Akumulátor, deska a montážní celek kabelového svazku | 1 |
| Šroub (5/16" x 1") | 2 |
| Rozpěrný kroužek (5/16") | 1 |
| Matice (5/16") | 4 |
| Šroub (5/16" x 2¼") | 2 |
| Kalená podložka (5/16") | 2 |
Umístěte přední část nové desky akumulátoru na rám a namontujte upevňovací prvky, viz Obrázek 10.

Namontujte montážní celek zadní desky na rám, viz Obrázek 11.

Veďte kabelový svazek nahoru po levé straně rukojeti k spodní straně ovládacího panelu.
Note: Nedovolte, aby kabelový svazek byl v kontaktu s ostrými, horkými nebo pohyblivými součástmi. Podle potřeby jej upevněte pomocí stahovacích pásek.
Připojte všechny přípoje kabelového svazku tak, jak byly připojeny u předchozího kabelového svazku. To však neplatí po napájecí konektor s rukojetí ve tvaru T.
Note: Některé přípoje kabelového svazku nemusejí být připojeny, což závisí na namontovaném přídavném zařízení na vašem stroji.Prostudujte štítky na kabelovém svazu a své poznámky zapsané v kroku Demontáž stávajícího akumulátoru.
Podle potřeby upevněte kabelový svazek pomocí stahovacích pásek a kabelových spon.
Nasaďte kryt akumulátoru a upevněte jej šrouby demontovanými v kroku 3 v části Montáž akumulátoru na desku akumulátoru.
Připojte konektor s rukojetí ve tvaru T k hlavnímu konektoru napájení (Obrázek 12).

K aktualizaci softwaru na poslední verzi použijte nástroj Toro DIAG; viz provozní příručka nástroje Toro DIAG.
Important: Jakmile vás nástroj Toro DIAG vyzve k zadání modelového a sériového čísla, nepoužijte informace uvedené na rámu stroje, avšak ty informace, jež jsou uvedeny na štítku na desce akumulátoru (Obrázek 13).

Otočením klíče do PROVOZNí polohy nastartujte stroj a vyzkoušejte funkci. Pokud zaznamenáte nějaké problémy, zkontrolujte připojení kabelového svazku.
Important: Měl by se zapnout LED displej a neměly by být aktivní žádné chybové zprávy a neměly by blikat žádné kontrolky.
Note: Není třeba klíč držet v poloze STARTOVáNí. Stroj se zapne otočením klíče do PROVOZNí polohy.
Namontujte kryt panelu pomocí 4 dříve demontovaných šroubů.
Nabijte stroj; viz provozní příručka k nabíječce.
Important: Používejte novou správnou nabíječku podle provozní příručky nabíječky. S novým akumulátorem nepoužívejte starou nabíječku.
Note: Akumulátor je dodáván částečně nabitý (přibližně 30 %). Tato úroveň nabití je dostačující k instalaci softwaru, provedení funkčních kontrol stroje a k pohybu nutnému k dokončení celého nastavení.