![]() |
危険な部分の近くには、見やすい位置に安全ラベルや指示ラベルを貼付しています。破損したりはがれたりした場合は新しいラベルを貼付してください。 |


デカル(137-9712)には、以下の言語のバージョンがあります:

65°C を超える場所にバッテリーを放置しないこと。
バッテリーを分解しないこと。取扱い注意。ぶつけないこと。
落とさないこと。衝撃を加えないこと。
充電はメーカー指定の充電器で行うこと。
以上の注意を守らないと、爆発、火災、過熱などの恐れがある。
安全上の注意の詳細についてはオーナーズマニュアルを参照。
平らな場所に駐車する。
駐車ブレーキを掛ける。
エンジンを停止する。
バッテリーの接続を外す; オペレーターズマニュアルを参照。
Note: 特に明記されていない限り、取り外したパーツはすべて廃棄してかまいません。
コンソールカバーを固定しているボルト(4 本)を外してパネルを外す(図 2)。
Note: 外したボルトは再利用します。廃棄しないでください。

既存のバッテリーワイヤハーネスを束ねているケーブルタイを切断し、すべてのバッテリーワイヤハーネスのコネクタ接続を外してワイヤハーネスを取り外す。
Important: 既存のワイヤハーネスの配線ルート、ケーブルタイの位置、接続部の位置などを記録してください。新しいバッテリーワイヤハーネスも同様に配設します。
Note: この時点で機体上に残っているハーネスは、電気モータの上部から出ている短いハーネスだけです。
Note: バッテリー下のハーネスを外しにくい時は、バッテリープラットフォームを持ち上げてください。
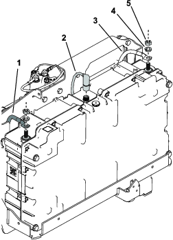
バッテリープラットフォームの後部をマシンのフレームに固定している背の高いナットを外す(図 3)。

バッテリーのプラットフォームを機体前部に固定しているボルト(2 本)とナットを外して、プラットフォームとバッテリーを外す(図 4)。

パワーセンターブラケットを機体後部に固定しているナット(2 個)、ワッシャ、ボルトを外してブラケットを外す(図 5)。

バッテリーとバッテリープラットフォームを機体から外す(図 6)。
バッテリーをプラットフォームに固定しているボルトとワッシャを外す。バッテリーはそれぞれの地域の関連法規に従って廃棄、リサイクルなどする(図 6)。

この作業に必要なパーツ
| バッテリーパック | 1 |
| ボルト(¼ x 4½") | 4 |
| ワッシャ(¼") | 4 |
| ナット(¼") | 4 |
| ロックワッシャ(M8) | 2 |
| 六角ナット (M8) | 2 |
バッテリーパックはわずかに充電された状態で出荷されており感電の危険がある。
バッテリーの正負の端子に同時に手を触れたり、工具を触れたりしないこと。
作業には絶縁されている工具を使用すること。
カートンから新しいバッテリーパックを取り出す。
Important: 製品保証などの理由でバッテリーパックを送り返す必要が生じたときにはこの特殊梱包が必要になりますので、カートンや梱包資材はすべて保管してください。
バッテリーカバーを固定しているねじ(8 本)を外してカバーを外す(図 7)。
Note: ねじを完全に外さなくてもカバーは外れます。

バッテリープラットフォームにバッテリーを載せ、図 8のように固定具を取り付ける。

コントローラケーブルを、バッテリー上部に接続する(図 9)。
図 9に示すように、プラスケーブル(赤)をバッテリーのプラス(+)端子に取り付け、ロックワッシャと六角ナットで固定する;六角ナットを 9 N⋅m(1.5 kg.m = 6.6 ft-lb)にトルク締めする。

図 9に示すように、マイナスケーブル(黒)をバッテリーのマイナス(–)端子に取り付け、ロックワッシャと六角ナットで固定する;六角ナットを 9 N⋅m(1.5 kg.m = 6.6 ft-lb)にトルク締めする。
この作業に必要なパーツ
| バッテリー、プラットフォーム、ワイヤハーネスアセンブリ | 1 |
| ボルト(5/16 x 1") | 2 |
| スペーサ(5/16 インチ) | 1 |
| ナット(5/16") | 4 |
| ボルト(5/16" x 2¼") | 2 |
| 硬化平ワッシャ (5/16 インチ) | 2 |
新しいバッテリープラットフォームの前部をフレームに合わせて図 10のように固定具を取り付ける。

図 11のように後部プラットフォームアセンブリマウントを取り付ける。

ハンドル左側に沿ってワイヤハーネスを上方に導き、コントロールコンソールの下まで配設する。
Note: ハーネスが鋭利な部分や可動部分に接触しないように配設し、必要に応じてケーブルタイで固定してください。
T 字ハンドル用の電源コネクタ以外の全部のハーネスコネクタを、以前の接続と同じに接続する。
Note: マシンに取り付けられているアタッチメントの種類などによって、使用しないコネクタがある場合ばあります。ワイヤハーネスについているラベルと、既存のバッテリーを取り外すの取り外し時の記録を参考に接続を行ってください。
必要に応じてワイヤハーネスをケーブルタイやクリップで固定する。
ステップ3(バッテリープラットフォームにバッテリーを取り付ける)で外したねじを使ってバッテリーカバーを取り付ける。
T 字コネクタを主電源コネクタに接続する(図 12)。

Toro DIAG を使って最新のソフトウェアに更新する;Toro DIAG のオペレーターズマニュアルを参照。
Important: Toro DIAG からモデル番号とシリアル番号を入力するように求められたら、機体フレームにある番号ではなく、バッテリープラットフォームに付いている番号を入力する(図 13)。

キーを RUN 位置に回してマシンの試運転を行う;何か問題がある場合にはワイヤハーネスの接続をチェックする。
Important: LED ディスプレイが立ち上がり、エラーメッセージが何も表示されない(点滅ランプなし)なら正常です。
Note: キーを START 位置に回したり保持したりする必要はありません。RUN 位置に回せばマシンが起動します。
コンソールカバーを取り付ける;先に取り外したねじ(4 本)を使用する。
充電を行う;チャージャのオペレーターズマニュアルを参照。
Important: 新しいバッテリーに合った新しいチャージャを使用し、そのチャージャのオペレーターズマニュアルに従うこと。古いチャージャを使用しないこと。
Note: バッテリーは多少の充電(およそ 30%)を行った状態で出荷されており、取り付けに必要な作業およびその後のソフトウェアのインストールおよび機能チェックはこれで十分行うことができます。