![]() |
Säkerhetsdekalerna och anvisningarna är fullt synliga för föraren och finns nära alla potentiella farozoner. Ersätt dekaler som har skadats eller saknas. |


Batteriets tillverkare tillhandahåller följande språk som motsvarar dekal 137-9712:

Utsätt inte batteriet för temperaturer som är högre än 65 °C.
Ta inte isär batteriet och hantera det på rätt sätt. Får inte krossas.
Tappa inte det och utsätt det inte för stötar.
Använd endast OEM-godkänd laddare.
Underlåtenhet att följa anvisningarna kan orsaka explosion, brand eller höga temperaturer.
Ytterligare säkerhetsanvisningar finns i bruksanvisningen.
Parkera maskinen på en plan yta.
Koppla in parkeringsbromsen.
Stäng av maskinen.
Koppla loss batteriet. Se Bruksanvisningen.
Note: Om inget annat anges kan du kassera alla delar du tar bort.
Ta bort de fyra skruvarna som fäster konsolkåpan på plats och ta bort den (Figur 2).
Note: Spara skruvarna för senare montering.

Klipp av kabelbanden som fäster det befintliga batterikablaget till maskinen, koppla loss alla anslutningar till batterikablaget och ta bort kablaget.
Important: Dokumentera den befintliga kablagedragningen samt kabelbandens och -anslutningarnas platser. Använd detta som referens när du drar och ansluter det nya batterikablaget.
Note: Det enda återstående kablaget på maskinen ska vara det korta kablaget som sträcker sig från elmotorns ovansida.
Note: Det kan vara nödvändigt att höja upp batteriplattformen för att koppla loss kablaget under batteriet.
Ta bort den långa muttern som fäster batteriplattformens baksida vid maskinramen (Figur 3).

Avlägsna de två skruvarna och muttrarna som fäster batteriplattformen vid maskinens främre del och avlägsna plattformen och batteriet (Figur 4).

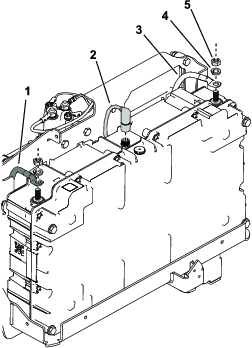
Ta bort de två muttrarna, brickorna och skruvarna som fäster elcentralens fäste på maskinens bakre del och ta bort det (Figur 5).

Ta bort batteriet och batteriplattformen från maskinen (Figur 6).
Avlägsna skruvarna och brickorna som fäster batteriet vid plattformen. Kassera eller återvinn batteriet i enlighet med lokala, regionala och nationella bestämmelser (Figur 6).

Delar som behövs till detta steg:
| Batteri | 1 |
| Skruv (¼ x 4 ½ tum) | 4 |
| Bricka (¼ tum) | 4 |
| Mutter (¼ tum) | 4 |
| Låsbricka (M8) | 2 |
| Sexkantsmutter (M8) | 2 |
Batteriet levereras med en liten laddning och kan ge dig stötar.
Rör inte vid, och låt inte verktyg röra vid, både den positiva och den negativa batteripolen samtidigt.
Använd isolerade verktyg när du monterar batteriet.
Ta ut det nya batteriet ur förpackningen.
Important: Spara förpackningen och allt förpackningsmaterial. Om du någonsin skulle behöva skicka in batteriet för underhåll, garantikrav eller återvinning behöver du denna specifika förpackning.
Lossa de åtta skruvarna som fäster batterikåpan och ta bort den (Figur 7).
Note: Du behöver inte ta bort skruvarna helt för att kunna ta bort kåpan.

Placera batteriet i batteriplattformen och montera fästelementen enligt Figur 8.

Anslut styrenhetens kabel till kontakten på batteriets ovansida (Figur 9).
Anslut pluskabeln (röd) till batteriets pluspol (+) och fäst den med en låsbricka och en sexkantmutter enligt Figur 9. Dra åt sexkantmuttern till 9 N⋅m.

Anslut minuskabeln (svart) till batteriets minuspol (–) och fäst den med en låsbricka och en sexkantmutter enligt Figur 9. Dra åt sexkantmuttern till 9 N⋅m.
Delar som behövs till detta steg:
| Batteri, plattform och kablage | 1 |
| Skruv (5/16 x 1 tum) | 2 |
| Distansbricka (5/16 tum) | 1 |
| Mutter (5/16 tum) | 4 |
| Skruv (5/16 x 2 ¼ tum) | 2 |
| Härdad bricka (5/16 tum) | 2 |
Rikta in den nya batteriplattformens främre del på ramen och montera fästelementen enligt Figur 10.

Montera fästelementen för den bakre plattformen på ramen enligt Figur 11.

Dra kablaget uppåt längs handtagets vänstra sida till styrkonsolens undersida.
Note: Dra kablaget bort från alla eventuella vassa, varma eller rörliga delar. Fäst det med kabelband vid behov.
Anslut alla kablagekontakter så som de var anslutna till det föregående kablaget, med undantag av den T-formade strömkontakten.
Note: Vissa kablagekontakter kanske inte används beroende på vilka redskap som monterats på maskinen.Se etiketterna på kablaget och de referenser som du antecknade tidigare under Ta bort det befintliga batteriet.
Fäst vid behov kablaget med kabelband och kabelklämmor.
Montera den övre kåpan och fäst den med skruvarna som du lossade på i steg 3 av Montera batteriet på batteriplattformen.
Koppla in den T-formade kontakten i huvudströmkontakten (Figur 12).

Använd Toro DIAG för att uppdatera programvaran till den senaste tillgängliga versionen. Se Bruksanvisningen för Toro DIAG.
Important: När du blir ombedd av Toro DIAG att ange modell- och serienummer ska du inte använda informationen om modell- och serienummer från maskinramen, utan informationen på dekalen som sitter på batteriplattformen (Figur 13).

Vrid nyckeln till KöRLäGET för att starta maskinen och testa driften. Om det finns några problem kontrollerar du kablagets kontakter.
Important: LED-skärmen ska sättas på och det ska inte finnas några felmeddelanden eller blinkande lampor.
Note: Du behöver inte vrida och hålla nyckeln i STARTLäGET, utan maskinen startas om du vrider nyckeln till KöRLäGET.
Montera konsolkåpan med de fyra skruvarna som du tog bort tidigare.
Ladda maskinen. Se laddarens bruksanvisning.
Important: Se till att du använder den nya, korrekta laddaren i enlighet med laddarens bruksanvisning. Använd inte den gamla laddaren med det nya batteriet.
Note: Batteriet levereras delvis laddat (ca 30 %). Detta är tillräckligt för att du ska kunna utföra installation av programvara, funktionskontroller på maskinen och flytta den efter behov för att kunna slutföra konfigurationen.