![]() |
Sikkerhetsmerker og instruksjoner er lett synlige for føreren og er plassert i nærheten av alle områder som representerer en potensiell fare. Bytt ut alle merker som er ødelagte eller mangler. |


Batteriprodusenten har følgende språk som tilsvarer merke 137-9712:

Ikke utsett batteriet for temperaturer over 65 °C.
Ikke demonter eller feilbehandle batteriet. Ikke knus.
Ikke mist det på bakken eller utsett det for slag.
Bruk kun OEM-godkjent lader.
Hvis du ikke følger disse instruksjonene, kan det utgjøre en fare for eksplosjon, brann eller høye temperaturer.
Se brukerhåndboken for ekstra sikkerhetsinstruksjoner.
Parker maskinen på en jevn flate.
Sett på parkeringsbremsen.
Slå av maskinen.
Koble fra batteriet. Se brukerhåndboken.
Note: Du kan kaste alle demonterte deler med mindre annet er notert.
Fjern de fire boltene som fester konsolldekselet, og fjern det (Figur 2).
Note: Ta vare på boltene for senere montering.

Kutt kabelfestene som fester det eksisterende batteriets ledningssats til maskinen, koble fra alle batteriets ledningssatskoblinger, og fjern ledningssatsen.
Important: Noter hvor ledningssatsen er rutet, kabelfeste- og tilkoblingssteder. Bruk dette som referanse for å rute og koble til den nye batteriledningssatsen.
Note: Den eneste gjenværende ledningssatsen på maskinen skal være den korte ledningssatsen som går ut fra toppen av den elektriske motoren.
Note: Du må kanskje heve batteriplattformen for å koble fra ledningssatsen under batteriet.
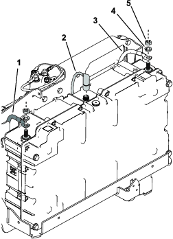
Fjern den høye mutteren som fester batteriplattformens bakre del til maskinens ramme (Figur 3).

Fjern de to boltene og mutterne som fester batteriplattformen til fronten av maskinen, og fjern plattformen og batteriet (Figur 4).

Fjern de to mutterne, skivene og boltene som fester kraftsenterbraketten bak på maskinen, og fjern den (Figur 5).

Fjern batteriet og batteriplattformen ut fra maskinen (Figur 6).
Fjern boltene og skivene som fester batteriet til plattformen, og kasser eller resirkuler batteriet i samsvar med lokale, regionale og nasjonale forskrifter (Figur 6).

Deler som er nødvendige for dette trinnet:
| Batteripakke | 1 |
| Bolt (¼ x 4½ tomme) | 4 |
| Skive (¼ tomme) | 4 |
| Mutter (¼ tomme) | 4 |
| Låseskive (M8) | 2 |
| Sekskantmutter (M8) | 2 |
Batteripakken leveres med en liten ladning og kan gi deg elektrisk støt.
Ikke berør eller la verktøy berøre både den positive og den negative batteriklemmen samtidig.
Bruk isolerte verktøy når du monterer batteriet.
Fjern den nye batteripakken fra kartongen.
Important: Behold kartongen og all annen emballasje. Hvis du trenger å sende batteriet ifb. vedlikehold, garanti eller resirkulering, er denne spesielle innpakningen nødvendig.
Løsne de åtte skruene som fester batteridekselet, og fjern det (Figur 7).
Note: Du trenger ikke å fjerne skruene helt for å ta av dekselet.

Plasser batteriet i batteriplattformen og monter delene som vist i Figur 8.

Koble kontrollerkabelen til kontakten øverst på batteriet (Figur 9).
Koble den positive (røde) kabelen til den positive (+) batteriklemmen, og fest den med en låseskive og en sekskantmutter som vist i Figur 9. Stram til sekskantmutteren med et moment på 9 N⋅m.

Koble den negative (svarte) kabelen til den negative (–) batteriklemmen, og fest den med en låseskive og en sekskantmutter som vist i Figur 9. Stram til sekskantmutteren med et moment på 9 N⋅m.
Deler som er nødvendige for dette trinnet:
| Batteri, plattform og ledningssatsenhet | 1 |
| Bolt (5/16 x 1 tomme) | 2 |
| Avstandsstykke (5/16 tomme) | 1 |
| Mutter (5/16 tomme) | 4 |
| Bolt (5/16 x 2¼ tomme) | 2 |
| Herdet skive (5/16 tomme) | 2 |
Innrett forsiden av den nye batteriplattformen på rammen og monter delene som vist i Figur 10.

Monter det bakre plattformfestet til rammen som vist i Figur 11.

Før ledningssatsen opp langs venstre side av håndtaket til undersiden av kontrollkonsollen.
Note: Før ledningssatsen unna alle skarpe, varme eller bevegelige deler, og fest den med kabelfester etter behov.
Koble alle ledningssatsens koblinger slik de var koblet til forrige ledningssats, bortsett fra strømkoblingen for T-håndtaket.
Note: Noen ledningssatskoblinger kan ikke brukes, avhengig av montert tilbehør på maskinen.Se merkene på ledningssatsen og de tidligere registrerte referansene fra Fjerne det eksisterende batteriet.
Fest ledningssatsen med kabelfester og kabelklemmer etter behov.
Sett på batteridekselet, og fest det med skruene løsnet i trinn 3 av Montere batteriet på batteriplattformen.
Koble T-håndtakskoblingen til hovedstrømforsyningskoblingen (Figur 12).

Bruk Toro DIAG for å oppdatere programvaren til det nyeste som er tilgjengelig. Se brukerhåndboken for Toro DIAG.
Important: Når Toro DIAG ber om modell og serienummer, ikke bruk modell- og serienummerinformasjon fra maskinrammen, bruk informasjonen fra merket på batteriplattformen (Figur 13).

Drei nøkkelen til KJøR--posisjon for å starte maskinen og teste driften. Ved eventuelle problemer sjekker du ledningssatskoblingene.
Important: LED-skjermen skal slås på, og det skal ikke være noen feilmeldinger eller blinkende lys.
Note: Du trenger ikke å vri og holde nøkkelen i START-posisjon. Når du vrir nøkkelen til KJøR er maskinen på.
Monter konsolldekselet med de fire skruene du fjernet tidligere.
Lad opp maskinen. Se laderens brukerhåndbok.
Important: Påse at du bruker den nye, korrekte laderen i henhold til laderens brukerhåndbok. Ikke bruk den gamle laderen med det nye batteriet.
Note: Batteriet leveres delvis oppladet (omtrent 30 %). Dette er nok strøm til å installere programvare, utføre funksjonskontroll på maskinen og flytte den for å fullføre oppsett.